• Tartalom

1/2003. (I. 9.) BM rendelet

1/2003. (I. 9.) BM rendelet

a tűzoltóság tűzoltási és műszaki mentési tevékenységének szabályairól1

2009.12.01.

A tűz elleni védekezésről, a műszaki mentésről és a tűzoltóságról szóló 1996. évi XXXI. törvény 47. §-a (2) bekezdésének n) pontjában kapott felhatalmazás alapján a következőket rendelem el:

1. § A hivatásos önkormányzati, az önkéntes és a létesítményi tűzoltóság, továbbá a Repülőtéri Katasztrófavédelmi Igazgatóság, az Országház Tűzoltó-parancsnokság, illetőleg más hivatásos katasztrófavédelmi szerv (a továbbiakban együtt: tűzoltóság) tűzoltási és műszaki mentési feladatainak ellátását az e rendelet mellékletében meghatározott ,,Tűzoltási és Műszaki Mentési Szabályzat'' (a továbbiakban: Szabályzat) előírásai szerint köteles végrehajtani.

2. § (1) A hivatásos önkormányzati tűzoltóság elsődleges működési körzetében, illetőleg az önkéntes tűzoltóság működési területén lévő, tűzvédelmi, gazdasági és műemléki szempontból kiemelt fontosságú létesítményekre ,,Tűzoltási és Műszaki Mentési Tervet'' (a továbbiakban: TMMT) köteles készíteni. A TMMT tartalmi követelményeit a Szabályzat 1. számú függeléke tartalmazza.

(2) Azon létesítmények körét, amelyekre TMMT-t kell készíteni, a fővárosi tűzoltóparancsnok, illetőleg megyei katasztrófavédelmi igazgató (a továbbiakban: megyei igazgató) állapítja meg az elsődleges működési körzet, illetve működési terület szerinti tűzoltóparancsnok véleményének figyelembevételével.

(3) A TMMT-t a fővárosi tűzoltóparancsnok, illetőleg megyei igazgató hagyja jóvá. A hivatásos önkormányzati és önkéntes tűzoltóság által – a szomszédos megye közigazgatási területére átnyúló elsődleges működési körzethez tartozó településeken található létesítményekre – készített TMMT csak az érintett település szerinti megyei igazgató egyetértésével hagyható jóvá.

(4)2 A készített TMMT-k listáját a megyei igazgató (fővárosi tűzoltóparancsnok) megküldi az Országos Katasztrófavédelmi Főigazgatóságra (a továbbiakban: OKF), a létesítmény megnevezésével, címével és a számított riasztási fokozattal. A lista adataiban történt változásokat a megyei igazgató (fővárosi tűzoltóparancsnok) a változást követő 3 napon belül megküldi az OKF-re.

3. § (1) A tűzoltóság által, illetőleg a katasztrófavédelmi szerv által a tűzoltóság részére tartandó gyakorlatok rendszerére és módszerére vonatkozó szabályokat a Szabályzat 2. számú függeléke tartalmazza.

(2)3 A tűzoltóság éves gyakorlattervét az OKF főigazgatója (a továbbiakban: főigazgató), az egyes gyakorlatok részletes tervét a tűzoltóság parancsnoka hagyja jóvá.

(3)4 A tűzoltóság az éves gyakorlattervét minden év december 10-ig a megyei igazgatóságra, a megyei igazgatóság és a Fővárosi Tűzoltó-parancsnokság az összesített tervet minden év december 15-ig az OKF-re terjessze fel. Az éves gyakorlatterv tartalmazza a gyakorlat helyét (létesítmény neve, címe), típusát és naptári nap szerint meghatározott idejét.

(4) Az egyes gyakorlattervek, továbbá más tervek, valamint a tűzesetekről, műszaki mentésekről készített értékelések tartalmi és formai követelményeit, valamint a taktikai rajzokon alkalmazandó egyezményes jeleket a főigazgató határozza meg.

4. §5 A tűzoltóság munkavédelmi tevékenységének szakmai felügyeletét a megyei igazgatóság útján az OKF látja el. A megyei igazgatóság segíti a tűzoltási és műszaki mentési tevékenységet is ellátó önkéntes tűzoltó egyesületek munkavédelmi tevékenységét.

5. § (1) Állandó ügyeleti szolgálatot kell működtetni

a)6 az OKF-en (Főügyelet),

b) a fővárosi és fővárosi kerületi tűzoltó-parancsnokságon, a megyei igazgatóságon, valamint az Országház Tűzoltó-parancsnokságon és a Repülőtéri Katasztrófavédelmi Igazgatóságon,

c) a készenléti szolgálattal rendelkező hivatásos önkormányzati tűzoltóságon,

d) az önkéntes tűzoltóságon,

e) a főfoglalkozású létesítményi tűzoltóságon és

f)7 a Katasztrófavédelmi Oktatási Központban.

(2) Az ügyeleteket más szervekkel, különösen a rendőrséggel, mentőszolgálattal összevontan is lehet működtetni, azok szakmai önállóságának és felelősségének megtartása mellett.

6. § A tűzoltóság tűzeseti és műszaki mentési jelentőszolgálatára, valamint adatszolgáltatási kötelezettségére vonatkozó előírásokat a Szabályzat 3. számú függeléke tartalmazza.

7. § A Szabályzat rendelkezéseit – az abban foglalt eltérésekkel – azon önkéntes tűzoltó egyesületek is kötelesek végrehajtani, amelyek alapszabályukban vállalták a tűzoltási és a műszaki mentési tevékenységet.

8. § A tűzoltóságnál 24/48 órás szolgálati időrendszerben készenléti szolgálatot ellátók szolgálatszervezésének szabályait és a technikai eszközeinek készenlétben tartását, valamint a működtetését végzők tevékenységét a Szabályzat 4. számú függeléke határozza meg. Az önkéntes és létesítményi tűzoltóságnál – amennyiben nem 24/48 órás szolgálati időrendszerben látják el feladatukat – a függelék rendelkezései értelemszerűen alkalmazandók.

9. § A tűzoltóság hosszantartó igénybevétele esetén alkalmazandó szabályokat a Szabályzat 5. számú függeléke tartalmazza.

9/A. §8

10. § A gyakorlatok terveinek és egyéb más terveknek, különösen a Riasztási és Segítségnyújtási Tervnek (a továbbiakban: RST), a TMMT-nek az elkészítéséhez, valamint a tűzoltás, műszaki mentés értékeléséhez szükséges erő, eszköz és oltóanyag tervezési normáit a főigazgató határozza meg.

11. § (1) Ez a rendelet a kihirdetését követő 30. napon lép hatályba, ezzel egyidejűleg hatályát veszti a tűzoltóság tűzoltási és műszaki mentési tevékenységének szabályairól szóló 70/1997. (XII. 29.) BM rendelet és az egyes belügyminiszteri rendeletek módosításáról szóló 17/2001. (IX. 5.) BM rendelet 6. §-a.

(2)9

Melléklet az 1/2003. (I. 9.) BM rendelethez


TŰZOLTÁSI ÉS MŰSZAKI MENTÉSI SZABÁLYZAT

1. A Szabályzat a tűzoltás és a műszaki mentés irányításának, szervezésének, vezetésének, előkészítésének és végrehajtásának szabályait, valamint a beavatkozásban részt vevő tűzoltók kötelességeit és jogait határozza meg.

2. A Szabályzatban foglaltakat a körülményeknek megfelelő sorrendben, illetve szükség szerint párhuzamosan kell végrehajtani. A kivonulás és riasztás rendjét a Fővárosban a fővárosi parancsnok, a Ferihegyi Repülőtéren a repülőtéri katasztrófavédelmi igazgató – a főigazgató jóváhagyásával – a Szabályzattól eltérően is szabályozhatja.

3. A paksi atomerőmű területén keletkezett tűzesetek, műszaki mentést igénylő esetek során a jelentési, adatszolgáltatási és egyéb intézkedési rendtől a szükséges mértékben el lehet térni, amennyiben azt más jogszabály e Szabályzattól eltérően szabályozza.

4. A tűzoltóság a vonatkozó jogszabályok alapján és e Szabályzatban meghatározottak szerint látja el a tűzoltási és műszaki mentési feladatokat. A készenléti szolgálattal rendelkező tűzoltóság a tudomására jutott tűzesethez és a műszaki mentést igénylő esetekhez – a már eloltott és utólagosan bejelentett tűzesetek kivételével – köteles a feladat végrehajtásához rendelkezésre álló és szükséges erők, eszközök kirendelését biztosítani, a helyszínre haladéktalanul kivonulni, az életveszélyt elhárítani, a tűz továbbterjedését megakadályozni, a tüzet szakszerűen eloltani, a műszaki mentést elvégezni és a tűzvizsgálattal kapcsolatos feladatokat végrehajtani.

5. Ahol a Szabályzat tűzoltásvezetőt említ, ott műszaki mentések esetén a mentésvezető beosztást is kell érteni.

6. Ahol a Szabályzat tűzoltási és műszaki mentési osztályvezetőt említ, ott az önkéntes és létesítményi tűzoltóságnál (amennyiben nincs hasonló beosztás) parancsnok-helyettest is kell érteni.

ELSŐ RÉSZ

TŰZOLTÁSI SZABÁLYZAT

ÁLTALÁNOS RÉSZ

A TŰZOLTÁS VEZETÉSE ÉS SZERVEZETE

7. A tűzoltási szervezet a tűz oltásával kapcsolatos feladatok végrehajtása érdekében, a vonatkozó rendelkezések megtartásával, a tűzoltóság tagjaiból létrehozott vezetőkből és végrehajtókból áll. A tűzoltási szervezetbe – a feladatok jellegétől függően – más szervezetek és személyek is bevonhatók.

8. A tűzoltás szervezetét a tűzoltásvezető vezeti.

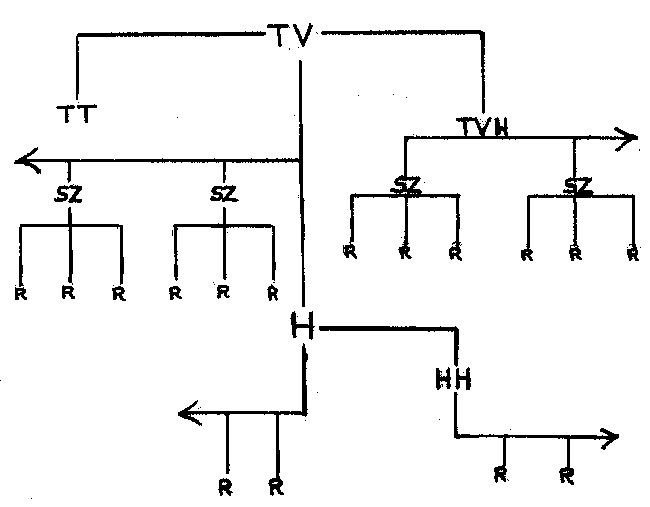
9. A tűzoltásvezető (a továbbiakban: TV) az alábbi beosztásokat szervezheti
9.1 tűzoltásvezető-helyettes (a továbbiakban: TVH),
9.2 háttérparancsnok (a továbbiakban: H),
9.3 háttérparancsnok-helyettes (a továbbiakban: HH),
9.4 törzstiszt (a továbbiakban: TT),
9.5 szakaszparancsnok (a továbbiakban: SZ),
9.6 rajparancsnok (a továbbiakban: R),
9.7 mentési csoport parancsnok (a továbbiakban: M),
9.8 hírvivő (a továbbiakban: HÍR),
9.9 eligazító (a továbbiakban: E).

10. A tűzoltásvezető ugyanazon beosztásokra több, illetőleg további más – általa szükségesnek ítélt – beosztásokat is szervezhet.

A tűzoltás vezetésének módjai

11. A tűzoltás felszámolását végzők vezetése a következő módon történhet

11. A tűzoltás felszámolását végzők vezetése a következő módon történhet

11.1 alapirányítással, ha a beavatkozó erőket a tűzoltásvezető egyedül irányítja,


11.2 csoportirányítással, ha a tűzoltást végzőket és az azok működését segítőket csak megosztva lehet irányítani,


11.3 vezetési törzzsel, ha az esemény nagysága, bonyolultsága, a helyszín tagoltsága a beavatkozó erők létszáma, illetőleg egyéb körülmények a feladatok szélesebb körű megosztását indokolják.

A tűzoltás vezetésére jogosultak köre

12. Tűzoltásvezetői feladatokat
12.1 a létesítményi tűzoltóság
12.1.1 rajparancsnoka,
12.1.2 szolgálat-(egység-)parancsnoka (vezetője),
12.1.3 tűzoltási szakterület vezetője,
12.1.4 parancsnokhelyettese, parancsnoka;
12.2 az önkéntes tűzoltóság
12.2.1 rajparancsnoka,
12.2.2 parancsnokhelyettese,
12.2.3 parancsnoka;
12.3 a hivatásos önkormányzati tűzoltóság
12.3.1 szerparancsnoka,
12.3.2 szolgálatparancsnok-helyettese,
12.3.3 szolgálatparancsnoka,
12.3.4 a főváros területén a tűzoltási csoport,
12.3.5 tűzoltási és műszaki mentési osztályvezetője (főváros területén a tűzoltási és műszaki mentési főosztályvezető), illetőleg a tűzoltóparancsnok által a tűzoltóság állományából megbízott személy,
12.3.6 tűzoltóparancsnoka;
12.4 a megyei katasztrófavédelmi igazgatóság igazgatója vagy az igazgatóság állományából az általa megbízott személy(ek);
12.510 az OKF főigazgatója vagy az OKF állományából az általa megbízott személy(ek) láthatnak el.

13. A tűzoltásvezetői feladatokat csak a külön jogszabályban meghatározott megfelelő iskolai végzettséggel, érvényes foglalkozás-egészségügyi alkalmassági vizsgálattal lehet ellátni. A 12.4 és 12.5 pontokban említett személyek közül további feltétel a legalább 2 év vonulós szolgálatban és/vagy 5 év vonulásra kötelezett beosztásban eltöltött idő.

14. A tűzoltó egyesület tagja a tűzoltásvezetői jogosultságokat nem gyakorolhatja, de az egyesület tagjainak tevékenységét az alapszabályban foglaltak szerint irányíthatja e Szabályzat előírásai szerint.

A kivonulás rendje

15. Az I-es riasztási fokozat elrendelésekor a szolgálatparancsnok, rajparancsnok, egységparancsnok (a továbbiakban: szolgálatparancsnok) döntése alapján
15.1 a szerparancsnok,
15.2 a szolgálatparancsnok-helyettes, vagy
15.3 a szolgálatparancsnok,
valamint az eset jellegének megfelelő, rendelkezésre álló készenléti szer köteles vonulni. A szolgálatparancsnok elsősorban az egyes gépjárműfecskendővel vonuljon.

16. A II-es riasztási fokozat elrendelésekor a 15. pontban felsorolt személyeken és a hozzájuk tartozó eszközökön kívül
16.1 hivatali munkaidőben az elsődleges működési körzet szerinti hivatásos önkormányzati tűzoltóság tűzoltási és műszaki mentési osztályvezetője, illetve működési terület szerinti önkéntes tűzoltóság parancsnokhelyettese,
16.2 hivatali munkaidőn túl a parancsnok által írásban meghatározott rendben a szolgálatparancsnoknál magasabb beosztású személy köteles vonulni.

17. A III-as vagy magasabb szintű riasztási fokozat elrendelésekor a 15. pontban felsorolt erőkön és eszközökön kívül
17.1. hivatali munkaidőben az elsődleges működési körzet (működési terület) szerinti parancsnok vagy az őt beosztásában helyettesítő személy,
17.2 hivatali munkaidőn túl a parancsnok vagy a parancsnok által írásban meghatározott rendben a szolgálatparancsnoknál magasabb beosztású személy köteles vonulni.

18. Amennyiben a magasabb, illetve IV-es, V-ös riasztási fokozat a jelzéskor kerül elrendelésre, akkor az alacsonyabb riasztási fokozathoz tartozó vonulásra kötelezett személy is köteles vonulni.

19. Valamennyi riasztási fokozatban az RST szerint meghatározott készenléti erők, eszközök – a 15. pontban foglaltak figyelembevételével – kötelesek vonulni.

A tűzoltás vezetésének átadása-átvétele

20. A tűzoltás vezetésének átadás-átvételi sorrendisége az alábbi
20.111 nem főfoglalkozású létesítményi tűzoltóság → működési terület szerinti önkéntes tűzoltóság vagy az elsődleges működési körzet szerinti hivatásos önkormányzati tűzoltóság → a közigazgatási terület szerinti megyei igazgatóság → OKF;
20.212 főfoglalkozású létesítményi tűzoltóság → az illetékességi terület szerinti megyei igazgatóság → OKF;
20.2.1 ha a tűzoltás vezetését főfoglalkozású létesítményi tűzoltó látja el, akkor a hivatásos és az önkéntes tűzoltóság tagjait, egységeit csak a vezetésbe bevont hivatásos, illetőleg önkéntes tűzoltóság helyszínen lévő parancsnoka útján utasíthatja.

21. Az átadás-átvétel sorrendje az egyes szerveken belül a 12.1–12.5 pontokban felsorolt beosztások sorrendje szerint történik.

22. A hivatásos önkormányzati és az önkéntes tűzoltóság az elsődleges működési körzetén, illetve működési területén, a főfoglalkozású létesítményi tűzoltóság a működési területén felelős a tűzoltás vezetéséért. Amennyiben ezen szervek nincsenek a helyszínen, akkor a helyszínre elsőnek érkező tűzoltás vezetésére jogosult köteles a tűzoltást vezetni. Ha ezután alacsonyabb szintű (a 20. pont felsorolása szerint értendő) szervezettől érkezik tűzoltásvezetésre jogosult személy, akkor részére a vezetést át lehet adni, ha a vezetésért felelős tűzoltóság tűzoltás vezetésre jogosult tagja azonos vagy magasabb szintű szervezettől érkezik, akkor számára a tűzoltásvezetést át kell adni, illetve át kell venni.

23. A helyszínre érkező magasabb beosztású – vonulásra kötelezett és tűzoltás irányítására jogosult – személy a felderítés és helyzetértékelés alapján dönt a tűzoltás vezetésének átvételéről.

24. A tűzoltás vezetését – a vonulásra kötelezettnek és a tűzoltásvezetésre jogosultnak át kell vennie, ha a tűzoltásvezető feladata végrehajtásában korlátozott (amennyiben magasabb beosztású személy nincs a helyszínen, akkor a tűzoltás vezetésére jogosult alacsonyabb beosztású személynek), vagy alapvető szakmai hibát követ el.

25. A tűzoltás vezetésének átvételét vagy át nem vételét – félreérthetetlen módon – a tűzoltás vezetőjének a tudomására kell hozni, és azt az elsődleges működési körzet (működési terület) szerinti híradóügyeletnek jelenteni kell, továbbá azt közölni kell a tűzoltás vezetésének szervezetébe bevontakkal.

26. A kivonulásra kötelezett és tűzoltás vezetésére jogosult legmagasabb beosztású személy – a helyszínre érkezést követően – a tűzoltás vezetésének átvétele nélkül is – felelős mindazért, ami az esemény felszámolásával kapcsolatban a helyszínen történik.

27. A tűzoltás vezetésének átvétele nélkül sem az átvételre jogosult, sem más, a tűzoltás szervezetén kívüli személy parancsot vagy utasítást a tűzoltásban résztvevőknek nem adhat.

28. A tűzoltás vezetője a tűzoltás vezetését – helyzetértékelése alapján – az arra jogosultnak visszaadhatja.

A TŰZOLTÁS VEZETÉSÉT VÉGZŐK JOGAI ÉS KÖTELESSÉGEI

29. A tűzoltás vezetését végzők a biztonsági és a munkavédelmi szabályok alapján a tűzoltásban résztvevők baleset- és életvédelméről minden helyzetben kötelesek intézkedni, illetve annak megtartásáról és megtartatásáról gondoskodni.

30. A tűzoltásvezető a tűz oltásának egyszemélyi felelős vezetője, elöljárója a riasztott és a tűzoltásban részt vevő tűzoltóknak.

31. A tűzoltásvezető jogai
31.1 a tűzoltás vezetését – indokolt esetben – megosztani;
31.2 a tűzoltás szervezetében meghatározott és egyéb beosztások betöltésére a tűzoltásban résztvevők közül bárkinek parancsot adni;
31.3 elrendelni az RST-ben meghatározott tűzoltóságok riasztását, valamint igényelni az azon kívüli tűzoltóságok riasztását;
31.4 a tűzoltáshoz fegyveres erők, a rendőrség, a polgári védelem, a katasztrófavédelem, a vám- és pénzügyőrség, a büntetés-végrehajtás, a környezetvédelem, a mentőszolgálatok és a közüzemi vállalatok kirendelését igényelni, azokat alkalmazni, tartalékba helyezni, számukra közvetlen vezetőjük útján utasítást adni;
31.5 a tűzoltáshoz a 31.3 pontban felsorolt szervek, továbbá más jogi személyek, magán- és jogi személyek jogi személyiséggel nem rendelkező szervezeteinek és az állampolgárok közvetlen részvételét, a rendelkezésükre álló adatok közlését, valamint azok járművei, eszközei, felszerelései, anyagai rendelkezésre bocsátását igényelni;
31.6 kérni a karitatív szervezetek egységeinek közreműködését;
31.7 a tűzeset helyszínét zárt területté nyilvánítani, azok helyén és környezetében minden olyan tevékenységet vagy mozgást korlátozni, megtiltani, amely a tűzoltást akadályozza vagy hátrányosan befolyásolja, továbbá elrendelheti az illetéktelen vagy veszélyeztetett személyek, állatok és anyagi javak eltávolítását, a terület kiürítését;
31.8 a tűzoltás vagy emberélet mentése érdekében – a diplomáciai és nemzetközi jogok figyelembevételével – magánszemélyek, jogi személyek, illetőleg magán- és jogi személyek jogi személyiséggel nem rendelkező szervezetei tulajdonában, használatában, illetőleg kezelésében álló területre, létesítménybe behatolást elrendelni;
31.9 bontást rendelni, különösen ha azt a felderítés, az életmentés, a robbanásveszély, a tűz megközelítése (a behatolás), a tűz terjedésének megakadályozása, a füst, gáz, gőz eltávolítása, az omlásveszély megelőzése, az utómunkálat indokolja; valamint szükség szerint meghatározott felkészültségű szakember segítségét igényelni.

32. A tűzoltásvezető kötelességei
32.1 a tűzesetet értékelni és az esemény jellege alapján – indokolt esetben – meghatározni, illetőleg módosítani a riasztási fokozatot;
32.2 a tűzoltás érdekében intézkedni a rendelkezésre álló erők és eszközök szakszerű alkalmazására;
32.3 a tűzoltásban résztvevők számára a személyi és csapat védőfelszerelések körét és használatát elrendelni;
32.4 azokban az esetekben, ha a keletkezett tűznek nemzetgazdasági szempontból nincs jelentősége vagy eloltása a megmentett értékkel nem jár, dönteni – a gazdasági (erő-, eszköz-, oltóanyag-felhasználás) és környezetvédelmi szempontok figyelembevételével – a tűz oltásáról vagy a teljes elégés felügyeletéről úgy, hogy a tűzesettel összefüggésben járulékos kár ne keletkezzen;
32.5 meghatározni
32.5.1 a tűz oltásával kapcsolatos feladatokat, s ezek végrehajtásának sorrendjét,
32.5.2 az alkalmazandó oltóanyagot, oltási módot,
32.5.3 a lehető legbiztonságosabb és az egészséget legkevésbé veszélyeztető munkavégzés feltételeit;
32.6 meghatározni a tűzoltás-előkészítés módozatát
32.6.1 tartályról történő sugárszereléskor
32.6.1.1 az oltáshoz szükséges sugár nemét (víz, hab, por),
32.6.1.2 a vízsugár formáját (kötött, szórt, porlasztott, magasnyomású),
32.6.1.3 a habképző anyag (nedvesítőszer, illetőleg nehéz-, közép-, könnyűhab szerinti) alkalmazását,
32.6.2 alapvezeték-szereléskor
32.6.2.1 az osztó helyét,
32.6.2.2 a táplálás-szerelés módját,
32.6.3 táplálás-szereléskor
32.6.3.1 a vízforrást (vagy adjon utasítást a vízforrás felderítésére),
32.6.3.2 a táplálás módját;
32.7 a megfelelő tájékoztatás érdekében jelenteni
32.7.1 az első visszajelzés során
32.7.1.1 a kiérkezést, a tűzeset helyét, nagyságát,
32.7.1.2 mi ég,
32.7.1.3 mit veszélyeztet a tűz (életveszély, robbanásveszély stb.),
32.7.1.4 az adott riasztási fokozaton felüli erők, eszközök kirendelésének szükségességét,
32.7.1.5 a beavatkozás módját,
32.7.2 a további visszajelzések során
32.7.2.1 a tűz alakulását,
32.7.2.2 a tűz körülhatárolását,
32.7.2.3 a lánggal való égés megszüntetését (lefeketítés),
32.7.2.4 a tűz eloltását,
32.7.2.5 az utómunkálatok megkezdését, befejezését,
32.7.2.6 a bevonulás megkezdését,
32.7.1.7 az egyéb rendkívüli eseményeket;
32.8 meghatározni a tűzoltás vezetésének módját;
32.9 kijelölni a vezetési pontot, és azt indokolt esetben piros színű villogó fénnyel jelöltetni;
32.10 intézkedéseinek, utasításainak végrehajtását folyamatosan számon kérni, ellenőrizni, illetőleg ellenőriztetni;
32.11 a terület lezárását (kötél-, műanyag szalag kordonnal, a közlekedési pontokon őrökkel stb.) elvégeztetni a rendőrség, a polgári védelem, a honvédség, a létesítményi tűzvédelmi szervezet tagjai, illetőleg más szervezetek és a polgári személyek bevonásával;
32.12 gondoskodni – ha az indokolt – a biztonsági zóna határának jelöléséről, a kiürítés végrehajtásáról, a biztonsági zónán belüli mozgásról;
32.13 a beavatkozás során – a személyi állomány igénybevételétől függően – köteles gondoskodni
32.13.1 a beosztottak pihentetéséről,
32.13.2 a tűzoltásban közvetlenül részt vevő raj(ok) váltásáról,
32.13.3 az utómunkálatot végzők vagy felügyeletet ellátók váltásáról,
32.13.4 pihenő-, szükség esetén melegedőhely biztosításáról,
32.13.5 védőitallal, ruházattal és étellel való ellátásról;
32.14 intézkedést, javaslatot tenni anyagi, technikai, tűzvédelmi hatósági és szakfelügyeleti téren felmerült kérdések megoldására, valamint a tűzoltásban kiemelkedő munkát végzők munkájának elismerésére és a mulasztást elkövetők fegyelmi felelősségre vonására;
32.15 a vonatkozó szabályok szerint a tűzvizsgálatot megkezdeni.

33. A tűzoltásvezető-helyettes
33.1 a tűzoltásvezető által meghatározott területen tűzoltást szervező és vezető tűzoltó, közvetlen alárendeltje a tűzoltásvezetőnek;
33.2 elöljárója a működési területén a háttérparancsnoknak, a szakaszparancsnok(ok)nak, valamint a tűzoltásvezető által meghatározott egyéb beosztásúaknak;
33.3 kötelessége a tűzoltásvezető által meghatározott területen a feladatok szervezése, végrehajtása, ahol jogai és kötelességei értelemszerűen megegyeznek a tűzoltásvezetőnél meghatározottakkal.

34. A háttérparancsnok
34.1 a tűzoltásvezető által meghatározottak szerint az oltás anyagi-technikai, műszaki ellátottságát szervező, vezető tűzoltó;
34.2 közvetlen alárendeltje a tűzoltásvezetőnek, vezetési törzs létesítése esetén – a meghatározottak szerint – alárendeltje a tűzoltásvezető-helyettesnek;
34.3 elöljárója
34.3.1 az osztó vonala mögött működő, a tűzoltásvezető által kijelölt állománynak,
34.3.2 a vízforrásról működő és a vízforrásnál tartalékban levő gépjárművek, felszerelések kezelőinek,
34.3.3 a szerelést végző rajoknak addig, amíg a folyamatos oltóanyag-ellátás a szerelt vezetékeken meg nem indul,
34.3.4 a tartalékba helyezett rajoknak;
34.4 kötelességei
34.4.1 a tűzoltásvezető által meghatározott feladatokat a rendelkezésre álló erőkkel végrehajtani, feladatait – vezetési törzs szervezése esetén – a háttérparancsnok-helyettessel megosztani,
34.4.2 a tűzoltás vezetésében közreműködő, hatáskörébe tartozókat (HH, HÍR, E stb.) kijelölni,
34.4.3 a folyamatos oltóanyag-ellátást biztosítani,
34.4.4 a gépjárműfecskendők teljesítőképességét figyelembe venni,
34.4.5 kijelölni a tömlőőröket, feladatukat meghatározni,
34.4.6 a folyamatos üzemanyag-ellátást biztosítani, a működő felszerelések hibáinak, működési zavarainak elhárítására intézkedni,
34.4.7 a háttér hírforgalmát megszervezni, ha nincs törzstiszt.

35. A háttérparancsnok-helyettes a háttérparancsnok által meghatározott működési területen az oltás anyagi-technikai, műszaki ellátottságát szervező, vezető tűzoltó. Közvetlen alárendeltje a háttérparancsnoknak. Működési területén elöljárója a háttérparancsnok által kijelölt állománynak. Kötelességei – működési területe vonatkozásában – értelemszerűen megegyeznek a háttérparancsnokéval.

36. A törzstiszt a tűzoltásvezető szervező, vezető tevékenységét segítő tűzoltó, a tűzoltásvezető közvetlen alárendeltje. A tűzoltásvezetőtől kapott utasítások végrehajtása során elöljárója a riasztott és a tűzoltásban részt vevő tűzoltóknak.
36.1 A törzstiszt kötelességei
36.1.1 rögzíteni a tűzoltásvezető intézkedéseit, és a hírvivő közreműködésével továbbítani azokat,
36.1.2 szervezni a kárhelyi és az irányító állomás közötti hírforgalmat,
36.1.3 tájékoztatni és eligazítani az érkező szerek parancsnokait, már a kiérkezésük előtt, az eligazító közreműködésével – a rádiókapcsolat felvételével – a várható feladatokról,
36.1.4 rögzíteni a segítségül érkező erők, eszközök kiérkezésének idejét, létszámát, azok típusát,
36.1.5 fogadni a segítségnyújtásra érkező társszervek parancsnokait, vezetőit, egységeit és azok feladatait – a tűzoltásvezető utasításai szerint – közölni,
36.1.6 jelentést tenni a tűzeset helyszínére kiérkező elöljárónak a kialakult helyzetről, a tett intézkedésekről, a várható eseményekről, a tűzoltásvezető tartózkodási helyéről,
36.1.7 folyamatosan kapcsolatot tartani a vezetési törzs tagjaival és azok tevékenységét elősegíteni,
36.1.8 szükség szerint tájékoztatni a sajtó képviselőit.

37. A szakaszparancsnok
37.1 a tűzoltásvezető (tűzoltásvezető-helyettes) által meghatározott területen a tűzoltás szervezését, vezetését végző tűzoltó,
37.2 közvetlen alárendeltje a tűzoltásvezetőnek (tűzoltásvezető-helyettesnek), elöljárója működési területén, a hozzá rendelt személyi állománynak,
37.3 kötelessége a kijelölt erőkkel, eszközökkel a számára meghatározott feladatokat végrehajtani, illetőleg végrehajtatni.

38. A mentési csoportparancsnok
38.1 a tűzoltásvezető által mentési (élet, állat, tárgy) feladatok végrehajtására kijelölt tűzoltók parancsnoka, a tűzoltásvezető közvetlen alárendeltje,
38.2 elöljárója a mentési csoport tagjainak, akiket elsősorban önként jelentkezők közül kell kiválasztani,
38.3 önkéntes jelentkezés hiányában a tűzoltásvezető egyetértésével jogosult a csoport tagjainak kijelölésére,
38.4 kötelessége a meghatározott sorrendben, módon és útvonalon a csoporttal a mentést végrehajtani, a csoport tagjai részére a szükséges személyi védőfelszerelések használatát szükség szerint elrendelni.

39. A rajparancsnok az esemény helyszínén kijelölt, a hozzá beosztottakat irányító tűzoltó, alárendeltje a tűzoltásvezetőnek, illetve a tűzoltásvezető által megjelölt parancsnoknak.
39.1 A rajparancsnok kötelességei
39.1.1 a működésére kijelölt területen
39.1.1.1 kapcsolatot tartani a sugárvezetőkkel és a tűzoltásvezető által meghatározott taktikai elveknek megfelelően a tűzoltást vezetni,
39.1.1.2 személyesen irányítani az elrendelt bontási, megbontási munkálatokat;
39.2 indokolt esetben kezdeményezni beosztottai váltását;
39.3 jelenteni elöljárójának a tűz alakulását, a tett intézkedéseit, a tűz keletkezési okával kapcsolatos értesüléseit, megállapításait, a parancsban meghatározott feladat végrehajtását;
39.4 bevonulás elrendelésekor – annak megkezdése előtt – ellenőrizni a létszámot és a felszerelések meglétét;
39.5 külön utasítás szerint megszervezni a helyszín biztosítását.

40. A hírvivő
40.1 a tűzoltásvezető utasításait, jelentéseit, visszajelzéseit továbbító tűzoltó, közvetlen elöljárója az a parancsnok, akihez rendelték;
40.2 kötelessége minden utasítás, jelentés, visszajelzés vétele, illetőleg jelentése, azok időpontjának, tartalmának és időpontjának, valamint a vevő nevének, rendfokozatának (fedőszámának, fedőnevének) feljegyzése.

41. Az eligazító
41.1 a parancsnok utasításai szerint meghatározott tájékoztatási feladatot ellátó tűzoltó, közvetlen elöljárója az a parancsnok, akihez rendelték;
41.2 kötelessége az utasítások alapján az érkező szerek, felszerelések felállítási és működési helyének kijelölése, a külső szervek tagjainak, a polgári személyeknek az eligazítása.

A TŰZOLTÁSBAN RÉSZT VEVŐ SZEMÉLYI ÁLLOMÁNY KÖTELESSÉGEI

A tűzoltási folyamatban közvetlenül résztvevők kötelességei

42. A riasztott tűzoltójárműre beosztott személyi állomány
42.1 a riasztási jel elhangzását követően vegye fel a személyi védőfelszerelését (védősisak, védőruha, védőcsizma, védőkesztyű, mászóöv), a tűzoltásvezető további utasítására vegye fel a további személyi vagy csapat védőfelszereléseket (légzőkészülék, kámzsa stb.),
42.2 a riasztott tűzoltójárművön haladéktalanul foglalja el a helyét, és készüljön fel a vonulásra,
42.3 az eset helyszínére érkezéskor a kapott utasításnak megfelelően hajtsa végre a feladatokat,
42.4 munkavégzés során védje saját és társai életét, testi épségét,
42.5 a kapott feladatot a legnagyobb megfontoltsággal, körültekintéssel, a legveszélytelenebb módon, lehetőleg a biztonsági és munkavédelmi szabályok megtartásával végezze,
42.6 vigye magával azokat a felszereléseket, amelyek a meghatározott feladatok végrehajtásához szükségesek,
42.7 az esemény helyszínén a kijelölt helyét csak közvetlen élet- vagy balesetveszély esetén hagyhatja el,
42.8 minden rendelkezésre álló eszközzel, lehetőséggel segítse társait, figyelmeztesse a veszélyeztetetteket, szükség esetén intézkedjen mentésükre,
42.9 intézkedjen, illetve lehetőség szerint gondoskodjon a sérültek, mérgezést szenvedtek ellátásáról,
42.10 tartsa be a rádióforgalmazásra vonatkozó szabályokat,
42.11 jelentsen minden lényeges eseményt a közvetlen parancsnokának.

43. A tűzoltójármű vezető, gépkezelő
43.1 a közúti, vízi jármű, kismotorfecskendő, egyéb motorikus felszerelés vezetésére, kezelésére beosztott tűzoltó,
43.2 kötelességei
43.2.1 riasztáskor a járművet helyezze vonulásra kész állapotba,
43.2.2 vonulás során tartsa meg a KRESZ, illetőleg a Hajózási Szabályzat vonatkozó előírásait,
43.2.3 a tűzoltás helyszínén a megkülönböztető fényjelzést működtesse,
43.2.4 járművével lehetőleg ne akadályozza a később érkező rajok felvonulását és bevetését, a közúti forgalmat,
43.2.5 a kiérkezést követően ellenőrizze a táplálás szerelésének megfelelőségét, a szivattyút a vízszállításhoz készítse elő,
43.2.6 tartsa be a gép kezelésére vonatkozó utasításokat, az üzemzavarokat előzze meg, a bekövetkezetteket lehetőség szerint hárítsa el,
43.2.7 fagypont alatti hőmérséklet esetén folyamatos vízáramoltatással akadályozza meg a szivattyú és a tömlővezeték befagyását.

44. A sugárvezető
44.1 a sugár kezelésével és irányításával megbízott tűzoltó;
44.2 kötelességei
44.2.1 a sugarat a taktikai elveknek és a kapott utasításnak megfelelően működtesse,
44.2.2 sugarával védje a többi sugárvezetőt és a tűzoltásban résztvevőket,
44.2.3 kerülje el a baleset, életveszély és lehetőség szerint a kár okozását,
44.2.4 ügyeljen arra, hogy a tűz keletkezésére utaló nyomok, tárgyak, lehetőség szerint eredeti helyükön megmaradjanak,
44.2.5 a nehezen megközelíthető, zárt térben az egyedül tartózkodást előzze meg,
44.2.6 az előrehatolást és más irányba való mozgást úgy végezze, hogy visszavonulásának lehetősége mindenkor meglegyen.

45. A segédsugárvezető
45.1 a sugárvezető munkáját elősegítő tűzoltó, a sugárvezető alárendeltje;
45.2 kötelességei
45.2.1 segítse a sugárvezetőt a sugár irányításában, előrehaladásában és más helyváltoztatásában,
45.2.2 hárítsa el az előforduló akadályokat,
45.2.3 tartson állandó kapcsolatot a kijelölt osztókezelővel,
45.2.4 szükség szerint hajtsa végre a tömlő hosszabbítását,
45.2.5 az osztó vonalánál hátrább csak indokolt esetben tartózkodjon, de akkor is köteles a sugárvezetőt figyelemmel kísérni.

46. Az osztókezelő
46.1 az osztó kezelésével megbízott tűzoltó,
46.2 kötelessége a sugárvezető(k) utasítása szerint az osztót kezelni, valamint a járművezetővel és a sugárvezetővel (sugárvezetőkkel) folyamatos kapcsolatot tartani, a segédsugárvezetőn keresztül.

47. A híradóügyeletes ellátja a készenléti szolgálattal rendelkező tűzoltóság elsődleges működési körzetében, illetve működési területén a tűzjelzés fogadásával, a riasztással kapcsolatos, valamint a jelentési, tájékoztatási és hírösszeköttetési feladatait, közreműködik az adatszolgáltatás elvégzésében. Tevékenységét a híradóügyelet ügyrendje szerint köteles végezni. Köteles végrehajtani a megyei, illetve a Főügyelet utasítását a riasztások végrehajtásával kapcsolatosan. Végrehajtja az RST-ben foglalt erők, eszközök riasztását.

A tűzoltással kapcsolatos tevékenységet végzők
kötelességei

48. A megyei (fővárosi) ügyeletes
48.1 szervezi és irányítja a megye, illetőleg a főváros közigazgatási területén elhelyezkedő tűzoltóságok hírforgalmát, utasíthatja a híradóügyeletest az RST-ben, illetve a TMMT-ben meghatározott riasztás végrehajtására, koordinálja a tűzoltásból és műszaki mentésből adódó feladatokat, teljesíti a jelentési és adatszolgáltatási kötelezettségeket;
48.2 amennyiben a megyei igazgatóság szakmai felügyelete alá tartozó tűzoltóság, Fővárosi Tűzoltó-parancsnokság elsődleges működési körzetén, de a más megye közigazgatási területén keletkezett tűzesethez történik vonulás vagy utólagos tűzeset jut tudomására, haladéktalanul értesíti a közigazgatási terület szerinti megyei, fővárosi ügyeletet;
48.3 tűzesetek és rendkívüli események felszámolásához a híradóügyeletek kérésének megfelelően az RST, a TMMT, illetve egyéb együttműködési tervek figyelembevételével csoportosít át erőket, eszközöket a megye (főváros) közigazgatási határán belül elhelyezkedő tűzoltóságok vonatkozásában, illetőleg ha a tűzeset, rendkívüli esemény felszámolása megkívánja, szükség szerint gondoskodik a tervektől eltérő riasztás végrehajtásáról, más szervek erőinek, eszközeinek igénybevételéről, a tűzoltóság egységeinek működési területen kívüli igénybevételének elrendeléséről;
48.4 a hozzá beérkező tűzjelzést haladéktalanul továbbítja az elsődleges működési körzet, működési terület szerinti tűzoltóság ügyeletére.

49.13 Az OKF főügyeletes
49.1 szervezi, irányítja a tűzoltóságok és katasztrófavédelmi szervek ügyeleti, jelentőszolgálati tevékenységét, ellátja és koordinálja a tűzesetekkel, rendkívüli eseményekkel összefüggő feladatokat;
49.2 tűzesetek, műszaki mentések és rendkívüli események felszámolásához a fővárosi, megyei ügyeletek kérésének megfelelően az RST, a TMMT és egyéb együttműködési tervek figyelembevételével csoportosít át erőket, eszközöket, illetőleg ha a tűzeset, rendkívüli esemény felszámolása megkívánja, szükség szerint gondoskodik a tervektől eltérő riasztás végrehajtásáról, más szervek erőinek, eszközeinek igénybevételéről, a tűzoltóság egységeinek működési területen kívüli igénybevételének elrendeléséről.

A TŰZOLTÁSSAL KAPCSOLATOS FELADATOK

A tűzjelzés

50. A tűzoltóság részére érkező – tűzesetre, égésre, égés gyanújára, tűzveszélyre, vonatkozó – bármilyen formájú közlés tűzjelzésnek minősül, amit írásban (káresetfelvételi lapon vagy számítógépen) kell rögzíteni.

51. A tűzjelzést – amennyiben az nem az elsődleges működési körzet, illetve működési terület szerinti tűzoltóságra érkezett – az elsődleges működési körzet, illetve működési terület szerinti tűzoltóságra kell továbbítani értékelés céljából.

A tűzjelzés értékelése

52. Az elsődleges működési körzet, illetve működési terület szerinti készenléti szolgálat vezetője (szolgálatparancsnok) köteles a jelzést annak tartalma alapján értékelni, az RST, TMMT alapján a riasztási fokozatot meghatározni, illetőleg egyéb, az esemény felszámolásához szükséges szervek értesítésére intézkedni.

A riasztás

53. A riasztás a készenléti szolgálatba beosztott személyi állomány (erők) és az általuk kezelt gépjárművek (szerek), felszerelések, oltó- és segédanyagok (eszközök) vonulására szóló felhívás.

54. A riasztást a riasztólámpa működtetését követően az arra rendszeresített hang- és vizuális jelek alkalmazásával kell elrendelni. Ezek hiányában a riasztást élőszóban kell végrehajtani.

55. Az egyes riasztást a következő hangjelek jelzik

1. gépjárműfecskendő

– –

2. gépjárműfecskendő

• – –

3. gépjárműfecskendő

• • – –

gépjárműfecskendő utánfutóval

 

a gépjárműfecskendő riasztási jele után

• •

habbal oltó gépjármű

– • • •

hab- (kismotorfecskendő) szállító, erdőtüzes gépjármű

– •

porral oltó gépjármű

• –

gépezetes tolólétra

• • • • –

emelőkosaras gépjármű

• • – •

daru

– • • • •

műszaki mentőgépjármű

– • • • –

áramfejlesztő gépjármű

– • • –

vízszállító gépjármű

• – – –

tömlőszállító gépjármű

– • –

összes készenléti erők, szerek

– – –

rohamszer

• • –

tűzoltási csoport

– • •

regionális műszaki mentő bázis daru

– – • • • • •

regionális műszaki mentő bázis műszaki mentő

– – • • • –

regionális műszaki mentő bázis vegyi baleset-elhárító

– • – • – •



56. A rövid jel 1 másodperc, a hosszú jel 3 másodperc időtartamú. A jelek között 1 másodperc, az egyes riasztott egységek részére szóló jelzés között 3 másodperc szünetet kell tartani.

57. Az 55. pontban nem szereplő járművek, felszerelések riasztási jelét az egység parancsnoka határozza meg.

58. Az önkéntes, illetve a létesítményi tűzoltóság erőinek, eszközeinek riasztási módját az előzőekben foglaltak figyelembevételével az egység tűzoltóparancsnoka határozza meg.

59. Az adott szer riasztásának befejezése után a legrövidebb időn belül a vonulásra fel kell készülni. Az állandó készenléti szolgálat a riasztáskori tartózkodási helyét 2 (kettő) percen belül köteles elhagyni. A cserefelépítményes gépjárművek riasztási normaideje 6 perc. A Repülőtéri Katasztrófavédelmi Igazgatóság a fentiek és az ICAO előírásai alapján szabályozza a riasztási normaidőket.

60. A tűzeset felszámolásához szükséges erőket a riasztási fokozattal kell kifejezni. A riasztási fokozatok
60.1 I-es a riasztási fokozat, amelyben a beavatkozáshoz maximum 2 raj (amely félrajokkal is kiadható),
60.2 II-es a riasztási fokozat, amelyben a beavatkozáshoz 2–3 raj (de minimum 1 raj, a többi erő félrajokkal is kiadható),
60.3 III-as a riasztási fokozat, amelyben a beavatkozáshoz 3–4 raj (de minimum 2 raj, a többi erő félrajokkal is kiadható),
60.4 IV-es a riasztási fokozat, amelyben a beavatkozáshoz 4–6 raj (de minimum 3 raj, a többi erő félrajokkal is kiadható),
60.5 V-ös a riasztási fokozat, amelyben a beavatkozáshoz legalább 6–7 raj (de minimum 4 raj, a többi erő félrajokkal is kiadható)
riasztása szükséges.

61. A riasztandó különleges gépjárművek fajtáját és darabszámát a riasztást elrendelő határozza meg. Ebben az esetben a riasztási fokozat megnevezése után a ,,KIEMELT'' szót kell alkalmazni.

62. Ha a jelzésből egyértelműen megállapítható, hogy a beavatkozáshoz az I-es riasztási fokozatban tervezett erőkre, eszközökre teljes egészében nincs szükség, akkor legalább egy félraj vonultatására kell intézkedni.

63. Ha a tűz teljes eloltása a riasztott erőkkel, eszközökkel számottevő kárnövekedés nélkül nem végezhető el, úgy további erők, eszközök kirendelésére kell intézkedni.

64. A riasztási fokozathoz tartozó, de nem vonultatható gépjármű helyett a soron következő riasztási fokozat alatt szereplő gépjárművet kell riasztani, a riasztási fokozat emelése nélkül.

A vonulás

65. A vonulás – a káresetfelvételi lap adatai alapján – a riasztott tűzoltó erők és eszközök riasztáskori tartózkodási helyének elhagyásától a jelzésben meghatározott esemény helyszínére érkezéséig tart.

66. A vonulást a megkülönböztető fény- és hangjelzés egyidejű használatával, a legelőnyösebb útvonalon, a lehető leggyorsabban, a közlekedésrendészeti szabályok megtartásával kell végrehajtani. A tűzjelzés alapján a szer parancsnoka a vonulás idejére az egyéni védőfelszerelések kötelező viselése alól – a vonulás időtartama és a tűzeset jellegének figyelembevételével – a védősisak kivételével, könnyítést engedélyezhet.

67. Vízi jármű vonulásakor és működésekor a Hajózási Szabályzat előírásait kell betartani.

68. Az azonos helyről induló járműveknek az intézkedésre jogosult parancsnok által meghatározott sorrendben és útvonalon kell vonulniuk.

69. A vonulás során a parancsnok beosztottait készítse fel a várható feladatokra.

70. A káresetfelvételi lapot a vonuló szer parancsnoka lehetőleg vegye magához. Az eredeti példányt a tűzeseti és műszaki mentési adatlaphoz kell csatolni, egy másolati példányt pedig a hitelesített, számozott tömbben kell hagyni.

A visszajelzési kötelezettség

71. A visszajelzési kötelezettség a vonulás megkezdésétől a bevonulás befejezéséig tart.

72. A tűzoltásvezető a vonulás közben történt akadályozó tényezőkről, és a 31.2 pontban felsoroltakról adjon visszajelzést az elsődleges működési körzet, illetve működési terület szerinti híradóügyeletnek.

73. A visszajelzés tartalma tegye lehetővé az elöljárók számára, hogy az esemény állását megismerjék, és következtetni tudjanak a várható fejleményekre.

74. A jelzéseket, a riasztásokat, a kivonulásokat, a visszajelzéseket és a tett intézkedéseket az ügyeleten, hitelesített eseménynaplóban folyamatosan, időrendi sorrendben rögzíteni kell.

A tűzoltás előkészítése

75. A tűzoltás előkészítésekor a helyszínre riasztott raj(ok) elsődleges feladatait kell megszervezni és végrehajtani, a tűzoltás megkezdése és a folyamatos tűzoltás biztosítása érdekében.

76. A tűzoltásvezetőnek a tűzjelzés, az RST és a TMMT adatai, a helyismeret, a vonulás közben szerzett információk alapján döntenie kell
76.1 a szükséges védőfelszerelések használatának elrendeléséről,
76.2 a szer(ek) működési helyének kijelöléséről,
76.3 a tűzoltás-előkészítés módozatának megválasztásáról.

77. A működési hely megválasztásánál a tűzoltásvezetőnek figyelembe kell vennie
77.1 a tűzoltásban részt vevő erők, eszközök biztonságát, épségének megőrzését,
77.2 azt, hogy a szer(ek) helyének megváltoztatására lehetőleg ne kerüljön sor,
77.3 a később érkező szer(ek), felszerelés(ek) működési (felállítási) helye biztosítható legyen,
77.4 az oltóanyag-pótlás módját, az oltóanyag helyét, alkalmasságát.

78. A tűzoltás előkészítésének módozatai
78.1 sugárszerelés (víz, hab, por) tartályról vagy gyorsbeavatkozó sugár alkalmazása,
78.2 alapvezeték-szerelés az osztó helyének és a táplálás módjának megjelölésével,
78.3 táplálás-szerelés.

79. A tűzoltás előkészítésének módozatát a tűzoltásvezetőnek kell elrendelnie
79.1 a sugárszerelést tartályról, ha
79.1.1 az életmentéshez, illetve a felderítéshez szükséges,
79.1.2 a beavatkozással robbanásveszély vagy jelentős kárnövekedés megakadályozható,
79.1.3 a tartályvízzel a tűz eloltható,
79.1.4 a sugár működtethetőségének ideje alatt a folyamatos oltóanyag-ellátás biztosítható,
79.2 az alapvezeték-szerelést, ha az elsődleges információk alapján várhatóan több sugár működésére lesz szükség, amelyek helye – az osztó kivételével – pontosan nem határozható meg,
79.3 a táplálásszerelést, ha az elsődleges információk az előbbi módozatok alkalmazását nem teszik lehetővé és előre látható a nagy mennyiségű, folyamatos oltóanyagigény.

80. A tűzoltás előkészítése akkor fejeződik be, amikor az előző pontban meghatározott szerelés(ek) megtörténtek, és a folyamatos – a tűzoltáshoz szükséges – oltóanyag-ellátás biztosított.

A felderítés

81. A felderítés az életmentéssel és a tűzoltással kapcsolatos feladatok meghatározásához, azok biztonságos és hatékony végrehajtásához szükséges adatgyűjtés és tájékozódás, amely a tűzjelzéstől az utómunkálatok befejezéséig tart.

82. A felderítésnek ki kell terjednie az élet-, robbanás- és omlásveszély, valamint veszélyes anyag jelenlétének megállapítására, a tűz körülményeire, környezetére, az időjárási viszonyokra, valamint az egyéb befolyásoló tényezőkre.

83. A felderítés legyen alkalmas
83.1 az adott és a várható helyzet felmérésére,
83.2 a helyes megoldás megválasztására és a szükséges feladatok meghatározására,
83.3 a tűzoltás egyes szakaszai során felmerülő speciális feladatok megoldására,
83.4 a beavatkozók biztonsága érdekében a szükséges óvintézkedések meghozatalára.

84. Helyszíni felderítés nélkül a beavatkozás megkezdésére nem adható parancs.

85. A tűzeset helyszínén a felderítést lehetőleg a tűzoltásvezető és legalább 1 fő tűzoltó végezze. Amennyiben a helyszín bonyolultsága, a megteendő intézkedések összetettsége indokolja, a tűzoltásvezető felderítő csoporto(ka)t jelölhet ki. A felderítő csoport minimális létszáma 2 fő. A felderítés szakszerű végrehajtása és az ennek alapján meghozott döntések felelőssége ez utóbbi esetben is a tűzoltásvezetőt terhelik.

86. A felderítés saját munkaterületén minden tűzoltónak kötelessége. Ennek során észlelteket a közvetlen parancsnokának jelentenie kell.

87. A speciális vagy külön meghatározott felkészültséget, hely- és szakismeretet igénylő esetekben a felderítést lehetőleg felelős szakember vagy arra alkalmas személy bevonásával kell elvégezni.

88. A felderítés az adott és várható helyzet figyelembevételével, a tűzoltásvezető által meghatározott módon és a meghatározott védőfelszerelések és -eszközök alkalmazásával hajtható végre.

Az életmentés

89. Az életveszélybe került személy(ek) mentését – mint az első és legfontosabb feladatot – akár anyagi kár okozásával is el kell végezni.

90. Közvetlen életveszélyben lévőnek kell tekinteni mindazokat, akik olyan helyzetben, állapotban, körülmények között vannak, amelyek alkalmasak az emberi életfunkciók megszüntetésére vagy súlyos károsítására és ezekből saját erejüknél fogva nem képesek kimenekülni.

91. Közvetett életveszélyben lévőnek kell tekinteni azokat, akik a közvetlen életveszélyből saját erejüknél fogva képesek menekülni, továbbá mindazokat, akik az életmentés nélkül közvetlen életveszélybe kerülhetnek.

92. A mentési sorrendet a tűzoltásvezető dönti el. A veszélyeztetett személy mentését – annak akarata ellenére is – végre kell hajtani.

93. A mentést, ha kényszerítő körülmény másként nem indokolja, legalább két személynek kell végrehajtania.

94. A tűzoltásvezető az életmentés elrendelésekor döntsön
94.1 a közvetlenül és (vagy) közvetetten életveszélybe kerültek mentéséről,
94.2 a kiürítési és mentési útvonalak kijelöléséről, biztosításának módjáról,
94.3 a mentés sorrendjéről módjáról, eszközeiről,
94.4 a mentést végrehajtók parancsnokának kijelöléséről.

95. Olyan mentési módot kell választani, ami a mentendő és a mentést végző személyekre nézve a legkisebb kockázattal jár. Mentésre, kiürítésre mindig a legbiztonságosabb, legkedvezőbb természetes útvonalat kell választani. Ennek hiányában a tűzoltóság, illetőleg más szervezet mentőeszközei használhatók. A mentési útvonalak biztonságát a mentés teljes ideje alatt biztosítani kell.

A tűzoltás

96. A tűzoltás során a szükséges erőket, eszközöket, oltóanyagokat tervszerűen kell alkalmazni. A tűz terjedését meg kell akadályozni, az égést meg kell szüntetni, illetőleg az égés feltételét (feltételeit) ki kell zárni.

97. A tűzoltásban résztvevőket határozott, pontos, félreérthetetlen parancsokkal kell utasítani.

98. Az oltási módszer(ek) közül azt (azokat) kell alkalmazni, amellyel (amelyekkel) a tűzoltás az emberéletet, a testi épséget a lehető legkisebb mértékben veszélyezteti, és a lehető legrövidebb idő alatt, a lehető legkisebb kárral, a lehető legkevesebb erővel, eszközzel, a lehető leggazdaságosabban végezhető el.

99. A tűzoltás történhet támadással, védelemmel és a kettő együttes alkalmazásával. A tűzoltás alapvető formája a támadás, amely a tűz szakszerű eloltására irányul. Védelemmel kell a tűzoltást megkezdeni akkor, amikor a helyszínen rendelkezésre álló erők, eszközök, az oltóanyag mennyisége csak a tűz terjedésének megakadályozására elegendő. A támadást és a védelmet együtt kell alkalmazni, ha az oltósugarak vonala mögött a tűz fellángolásának, terjedésének lehetősége fennáll.

100. A bevetett sugarakat úgy kell elhelyezni, hogy azok az oltás érdekében átcsoportosíthatók és élet- vagy balesetveszély esetén visszavonhatók legyenek.

101. A tűzoltás főbb szakaszai a tűz körülhatárolása, lefeketítése és a tűz eloltása.
101.1 A tüzet akkor kell körülhatároltnak tekinteni, ha annak bármilyen irányú terjedési lehetősége kizárt.
101.2 A tüzet akkor kell lefeketítettnek tekinteni, amikor a felületen a parázsló égés a jellemző és az égett terület összefüggő fellángolásának lehetősége kizárt.
101.3 tűzoltás akkor fejeződik be, amikor a visszagyulladás lehetősége kizárt, az égés minden látható formája – lánggal égés, izzás, parázslás – megszűnt.

Az oltóvízforrás kiválasztása

102. A tűzoltáshoz azt a vízforrást kell választani, amelyik a rendelkezésre álló erővel és eszközzel hatékonyan használható.

103. A tartalék gépjárműfecskendő(k) tartózkodási helyét a már működő fecskendő(k)nél vagy újabb vízforrásoknál úgy kell kijelölni, hogy zavar esetén az üzemképtelenné vált gépjárműfecskendő(k) a legkisebb időkieséssel pótolható(k) legyen(ek).

104. A vízforrásra állított működő vagy tartalék fecskendő(k) biztonságáról, a tűz hatásaitól való védelemről gondoskodni kell.

Az égő, zárt helyiség, terület megközelítése

105. Az égő, zárt helyiségbe, területre a behatolást a tűzoltásvezető utasítása szerint kell végrehajtani.

106. A zárt helyiségbe, területre a behatolás elsősorban a bejáratokon keresztül történjen és törekedni kell a lehető legkisebb károkozásra.

107. Ha a bejáratok igénybevételének akadálya van, a behatolást az egyéb nyílászárókon vagy az épületszerkezeten bontott nyílásokon is végre lehet hajtani.

108. A behatolókat a szúróláng hatásának kivédésére fel kell készíteni, részükre a megfelelő védőeszközöket és a visszavonulás lehetőségét biztosítani kell.

109. Veszélyt jelző feliratú, jelzésű, illetve olyan helyiségbe történő behatoláskor, amelyben veszélyhelyzet feltételezhető – ha rendelkezésre áll – a helyismerettel rendelkező szakember segítségét, közreműködését igénybe kell venni.

110. Le- és felhatolásra elsődlegesen a természetes feljáró(kat) kell igénybe venni. A felvonók közül csak biztonsági felvonó vehető igénybe, vagy a tűz által nem érintett tűzszakaszban lévő, ha annak működését az elektromos leválasztás, illetve egyéb körülmény nem akadályozza.

A bontási munkálatok

111. Bármilyen bontási, megbontási munkálatot csak a tűzoltásvezető engedélyével, utasítására szabad végezni.

112. A bontási, megbontási munkálatok megkezdésekor gondoskodni kell a veszélyeztetett terület kiürítéséről, lezárásáról és a feladatot végrehajtók kijelöléséről, eligazításáról.

113. Az épület-, építmény tartószerkezetének bontása lehetőleg statikus szakember véleményének kikérésével, – a szükséges biztonsági feltételek megteremtése mellett – csak a tűzoltásvezető irányításával történhet.

Az állatok és a tárgyak mentése

114. Állatok, tárgyak és anyagok mentésénél emberélet és testi épség nem veszélyeztethető.

115. Az állatok, a tárgyak és az anyagok mentését csak a tűzoltás vezetője rendelheti el.

116. A mentést szakember bevonásával, véleménye figyelembevételével, tűzoltói irányítással kell végrehajtani.

117. A megmentett állatok, tárgyak és anyagok őrzésére a körülmények figyelembevételével – az együttműködő szervek, tulajdonosok, illetékes vezetők stb. útján – kell intézkedni.

118. A mentési sorrendet a tűzoltásvezető dönti el, az állatok mentésénél az értékük és az állatjóléti szempontok, a tárgyak, anyagok mentésénél az értékük figyelembevételével.

Az utómunkálatok

119. Utómunkálat a tűz eloltása utáni tevékenység, amely a helyszínen, valamint annak közvetlen környezetében a további kárnövekedés megakadályozására, illetve baleset- és egyéb veszély elhárítására irányul.

120. Az utómunkálatok végzésére csak a legszükségesebb erőt, eszközt lehet igénybe venni.

121. Az utómunkálatok befejezését követően gondoskodni kell a helyszín vagyonvédelmi biztosításáról. A tulajdonos, használó, bérlő távollétében a rendőrséget vagy az önkormányzatot kell igénybe venni.

A tűzvizsgálathoz kapcsolódó feladatok

122. A működés teljes időtartama alatt, ha az életmentést, tűzoltást nem hátráltatja, de legkésőbb az utómunkálatok idején a tűzoltásvezető a jogszabályban meghatározottak szerint intézkedjen a tűzvizsgálatot elősegítő adatok megszerzésére, biztosítására, megőrzésére és a halaszthatatlan tűzvizsgálati cselekmények elvégzésére.

123. Törekedni kell a tűz keletkezési helyének, idejének és okának megállapítására, valamint a megállapításokat alátámasztó bizonyítékok felkutatására, megőrzésére.

124. Bűncselekmény gyanúja esetén a külön jogszabályban meghatározottak szerint kell eljárni.

A bevonulás, bevonulás utáni feladatok,
a készenlét visszaállítása

125. A bevonulás megkezdése előtt intézkedni kell a felhasznált felszerelések, eszközök meglétének, állapotának, működőképességének ellenőrzésére és a víztartály feltöltésére.

126. Az adott szer és felszerelés végleges készenlétbe állítását az állomáshelyre érkezéskor a legrövidebb idő alatt el kell végezni. Pótolni kell az elhasznált üzem- és oltóanyagokat, át kell vizsgálni a beavatkozás során használt gépjárműveket, eszközöket, személyi felszereléseket, majd azokat meg kell tisztítani, és a szükséges karbantartást el kell végezni. Gondoskodni kell a járművek, felszerelések szükség szerinti javíttatásáról, illetve cseréjéről.

TŰZOLTÁSI SZABÁLYZAT

ALKALMAZOTT TŰZOLTÁS

A FESZÜLTSÉG ALATT LÉVŐ VILLAMOS HÁLÓZATOK, BERENDEZÉSEK TÜZEINEK OLTÁSA

Általános előírások

127. Ezen fejezet előírásait az 50 V-nál nagyobb üzemi feszültségű (legfeljebb 100 Hz frekvenciájú) berendezésekben, a tetszőleges áramvezető részek között, valamint a villamos berendezések közelében keletkező tüzek oltásánál a Szabályzat vonatkozó előírásaival együttesen kell alkalmazni.

128. A tűzjelzés vétele után azonnal értesíteni kell a villamosmű üzemeltetőjét a kezelő személyzettel nem rendelkező villamos alállomások területén, villamos távvezetékek biztonsági övezetében és közelében, közterületen, illetve épületekben elhelyezett transzformátoroknál és egyéb villamos berendezésnél keletkezett tűz alkalmával.

129. A tűz helyszínén, közvetlen környezetében a beavatkozók és az ott tartózkodók testi épségének megóvása érdekében gondoskodni kell az elektromos vezetékek, szerelvények, készülékek, berendezések, helyiségek stb. elektromos leválasztásáról, illetve feszültségmentesítéséről.

130. A villamos berendezések tüzeit a feszültségmentesítés egyértelmű végrehajtását követően az általános szabályok szerint kell oltani.

131. A feszültségmentesítést, illetve 400 V névleges feszültség felett az elektromos leválasztást csak kezelő szakszemély végezheti.

132. A tűzoltásvezető utasítása alapján 400 V névleges feszültségig az elektromos leválasztást tűzoltó is végrehajthatja, ha ezen feladat végrehajtására szakértelemmel, megfelelő gyakorlattal és a szükséges védőfelszereléssel rendelkezik.

133. Minden olyan villamos berendezést és (vagy) berendezésrészt, amelynél a feszültség alá helyezés műveletsorából már egyet elvégeztek, feszültség alatt állónak kell tekinteni mindaddig, amíg a feszültségmentesítést a kezelő szakszemély el nem végezte.

134. A feszültségmentesítés elvégzéséről a tűzoltásvezetőnek a kezelő szakszemélytől írásbeli nyilatkozatot kell kérni. A végrehajtás tényét a tűzoltásvezetőnek a tűzoltásban résztvevők tudomására kell hoznia, véletlen feszültség alá helyezés megakadályozása érdekében pedig gondoskodni kell a kapcsolók őrzéséről.

Tűzoltás kisfeszültségű berendezéseken

135. Kisfeszültségű (50–1000 V) berendezés tüzének oltása, illetve közvetlen környezetében a tűz terjedésének megakadályozása az elektromos leválasztás végrehajtása után – villamos biztonságtechnikai szempontból – kellő körültekintéssel kell megkezdeni.

136. Feszültség alatt levő berendezés (pl. szabadvezeték) megközelítése esetében a biztonsági távolság
136.1 szigetelt vezeték esetén 0,3 méter,
136.2 csupasz vezeték esetén 0,9 méter.

137. Életveszély elhárításának, valamint a tűz továbbterjedésének megakadályozása érdekében a feszültség alatti berendezés tüze száraz, biztonságos helyről, kötött sugár alkalmazása esetén 10 m, porlasztott vízsugárral – kizárólag a ködsugárcső ,,köd'' állásában 5 m szabadon belátható távolságról oltható. Az oltás befejezése után a feszültség alatti villamos berendezést és nedves környezetét tilos megközelíteni.

Tűzoltás nagyfeszültségű berendezéseken

138. Nagyfeszültségű berendezés területére (1000 V felett) – az illetékes szakszemélyzet jelenlétében – csak a tűz oltásában közvetlenül részt vevők léphetnek be.

139. Nagyfeszültség alatt levő berendezés megközelítésének biztonsági távolsága 8 méter. Ezt a biztonsági távolságot a kilengett vezetékek és berendezések legkedvezőtlenebb helyzetében is meg kell tartani.

140. A leszakadt, földfelszínen fekvő vezetékektől, valamint azzal érintkező áramvezető tárgytól 15 méter biztonsági távolságot kell megtartani.

141. A tűz közvetlen környezetében levő villamos berendezéseket a hálózatról le kell választani.

142. A leválasztott villamos berendezés tüzének oltása során figyelembe kell venni, hogy a porcelán szigetelők vízsugárral való érintkezésekor ,,szétrobbanhatnak''.

143. Halaszthatatlan esetben a feszültség alatti berendezés tüze száraz, biztonságos helyről
143.1 kötött vízsugárral legfeljebb 400 kV névleges feszültségig 14 méter,
143.2 porlasztott vízsugárral legfeljebb 120 kV névleges feszültségig kizárólag a ködsugárcső ,,köd'' állásában 8 méter szabadon belátható távolságról oltható.

144. Léghab alkalmazása esetén le kell választani a hálózatról a szomszédos, nem égő berendezéseket is.

145. Ködös, zivataros időben, valamint amikor a sűrű füst miatt a szabad látótávolság a megengedett oltási biztonsági távolságnál kisebb, a feszültség alatti berendezés tüzét vízzel vagy habbal tilos oltani.

KÖZÉPMAGAS- ÉS MAGASÉPÜLETEK TÜZEINEK OLTÁSA

146. E fejezet előírásait a középmagas- és magasépületekben keletkező tüzek oltása során a Szabályzat vonatkozó előírásaival együttesen kell alkalmazni.

147. Középmagas épületre vonatkozó tűzjelzéskor, ha a helyszínre a tűzoltóság kiérkezése a riasztás elrendelését követő
147.1 10 percen belül várható, I-es kiemelt,
147.2 10–20 perc között várható, II-es kiemelt,
147.3 20 percen túl várható, III-as kiemelt riasztást kell végrehajtani és magasból mentő eszköz, illetve gépjármű vonultatására kell intézkedni.

148. Ha a tűzjelzésből megállapítható vagy arra lehet következtetni, hogy a középmagas épületben több szinten van tűz vagy egy szinten több lakás ég, akkor
148.1 IV-es kiemelt riasztást kell elrendelni és legalább 2 db magasból mentésre alkalmas eszköz, illetve gépjármű vonultatására kell intézkedni,
148.2 a riasztás végrehajtása után a híradóügyelet intézkedjen a mentők, közművek illetékeseinek és rendőri erőknek a kirendelésére.

149. A tűzjelzés adatait értékelő parancsnok a riasztási fokozat meghatározásakor vegye figyelembe a helyszín adottságaiból következő erő- és eszközszükségleteket is.

150. Magasépületre vonatkozó tűzjelzéskor a jelzés tartalmától függetlenül legalább II. kiemelt riasztást kell végrehajtani.

151. Kiérkezéskor a tűzoltásvezető – szükség szerint azonnal – külső felderítés alapján intézkedjen az épületben maradt személyek megnyugtatására, az épület csatlakozó gázvezetékének lezárására, az épület részleges vagy teljes elektromos leválasztására.

152. Helyszíni felderítést csak használatra előkészített légzésvédelmi felszereléssel és egyéb szükséges felszerelésekkel, eszközökkel ellátva legalább 2 fő végezhet.

153. A tűzoltásvezető a felderítés során az épület jellegzetességeinek megfelelően végezze
153.1 az életveszély gyors felderítését,
153.2 a tűz keletkezési helyének megállapítását,
153.3 a tűz függőleges és vízszintes irányú határvonalának és terjedési lehetőségének megállapítását,
153.4 a tűz terjedését elősegítő helyiségek, berendezések elhelyezkedését,
153.5 a beépített tűzvédelmi berendezések használhatóságát,
153.6 a robbanásveszély felderítését.

154. Az életmentést minden lehetséges esetben a beavatkozás helyét, irányát nem érintő útvonalon kell végrehajtani.

155. Magasból mentő gépjárművel, illetve légi járművel történő életmentésre csak akkor kerüljön sor, ha a természetes útvonalak a mentés végrehajtására alkalmatlanok, vagy túlságosan hosszú időt venne igénybe az azokon keresztül való mentés.

156. Több emeletszint egyidejű égésekor a beavatkozást lehetőleg a legfelső égő szintről megkezdve és a további égő szintek egyidejű oltásával kell végrehajtani.

157. Az alkalmazható oltási mód és módszer meghatározásakor a tűzoltásvezető lehetőleg azt a megoldást válassza, amely a legkisebb kárral jár.

158. Beépített szárazvezeték igénybevétele esetén az arra csatlakoztatott táplálóvezetékbe, valamint a magasba szerelt alapvezeték épületen kívül lévő szakaszába osztót kell közbeiktatni.

159. Az alapvezeték magasba szerelése a tömlővezeték lépcsőfokokra való fektetésével csak elkerülhetetlen esetben végezhető.

TŰZOLTÁS VESZÉLYES ANYAG JELENLÉTÉBEN

Általános előírások

160. E fejezetben foglaltakat a Szabályzat előírásainak értelemszerű alkalmazásával kell végezni.

161. A fejezet értelmezése szempontjából veszélyes anyagok azok a külön jogszabályban meghatározott anyagok, amelyek – hatásukat kifejtve – halált, egészségkárosodást okoznak, vagy a környezetet és az anyagi javakat jelentősen károsítják. Így különösen
161.1 mérgezőek – azok az anyagok és készítmények, amelyek belégzésük, lenyelésük vagy a bőrön át történő felszívódásuk esetén kis mennyiségben halált, heveny egészségkárosodást okoznak,
161.2 ártalmasak – azok az anyagok és készítmények, amelyek belégzésük, lenyelésük vagy bőrön át történő felszívódásuk esetén halált, heveny egészségkárosodást okozhatnak,
161.3 maró (korrozív) anyagok és készítmények – olyan anyagok, amelyek élő szövettel érintkezve azok elhalását okozzák,
161.4 irritáló vagy izgató anyagok, készítmények – olyan maró anyagok és készítmények, amelyek a bőrrel, szemmel vagy nyálkahártyával való pillanatszerű, hosszan tartó vagy ismételt érintkezésük esetén gyulladást okoznak.

162. Lehetőleg a tűzoltás megkezdése előtt – elsősorban a helyismerettel rendelkező – szakemberek igénybevételével intézkedni kell az emberi szervezetre káros anyagok eltávolítására, közömbösítésére, terjedésük megakadályozására, ha az nem vonja maga után a tűz fokozódását.

163. Azon esetekben, amikor az emberi szervezetre káros, bármilyen halmazállapotú anyag jelen van vagy jelenléte feltételezhető, gondoskodni kell a tűzoltásban résztvevők – a veszély jellegétől függő – teljes személyi védelméről.

164. Emberi szervezetre káros anyag jelenlétében a tűzoltási tevékenységet végzők egészségügyi felügyeletéről és ellátásáról az üzemegészségügyi szolgálat és/vagy az Országos Mentőszolgálat igénybevételével kell gondoskodni.

A tűzjelzés

165. Amennyiben a jelzés tartalmából veszélyes anyag jelenlétére lehet következtetni
165.1 információt kell szerezni a közvetlen veszélyben lévő személyekről,
165.2 lehetőség szerint végre kell hajtani a veszélyes anyag azonosítását, meg kell állapítani az előfordulás módját és mennyiségét,
165.3 egyidejűleg meg kell állapítani az anyag veszélyes tulajdonságait, várható viselkedését.

166. A jelzés és/vagy a TMMT adatainak értékelése alapján
166.1 intézkedni kell a veszélyes anyagra vonatkozó további ismeretek gyűjtésére;
166.2 meg kell határozni a riasztási fokozatot, ezen belül a szükséges erők, eszközök, védőfelszerelések, oltó- és más segédanyagok fajtáit, mennyiségét;
166.3 szükség esetén intézkedni kell a megyei igazgatóság Veszélyhelyzeti Felderítő Csoport (VFCS) riasztására, továbbá tájékoztatni kell az illetékes környezetvédelmi felügyelőséget, valamint az igénybe vehető társszerveket, szakembereket;
166.4 a lakosság veszélyeztetése esetén az érintett település polgármesterét is tájékoztatni kell.

A beavatkozás biztonsági előírásai

167. A helyszín közvetlen megközelítése lehetőleg a széllel megegyező irányból történjen.

168. Az elsőnek kiérkező tűzoltó és más járművek a veszély jellegének, mértékének ismerete nélkül a helyszínt 100 méteren belül lehetőleg ne közelítsék meg.

169. A veszélyes terület megközelítése csak a szükséges védelem biztosításával, szakember által javasolt védőfelszereléssel, a tűzoltásvezető engedélyével történhet meg. Illetéktelen személyek bejutását meg kell akadályozni.

170. Helyszínen veszélyes, átmeneti és biztonságos zónát kell kijelölni. A kijelölés után a veszélyes zónán belül
170.1 mérgező gázok, gőzök, porok jelenléte esetén a járművek helyváltoztatása,
170.2 a tűz- és robbanásveszélyes gázok, gőzök, porok jelenléte esetén a járművek helyváltoztatása, valamint a nem robbanásbiztos elektromos berendezések, felszerelések működtetése csak a tűzoltásvezető engedélyével végezhető.

171. A beavatkozás teljes időtartama alatt a veszélyes anyaggal, illetve a veszélyhelyzet elhárításával kapcsolatos – speciális ismereteket igénylő – feladatok meghatározását szakemberek véleményének figyelembevételével kell végrehajtani.

172. Szakemberek igénybevételével intézkedni kell a környezetbe jutott anyagok mennyiségének folyamatos ellenőrzéséről, a koncentráció méréséről.

A felderítés

173. A felderítést minden esetben, megfelelő védőfelszerelésben, különösen nagy körültekintéssel, legalább 2 fő végezze.

174. A tűzoltás vezetője már a felderítés megkezdése előtt
174.1 ismeretlen veszélyes anyagok jelenléte, vagy jelenlétük feltételezhetősége esetén teljes test- és légzésvédelmet rendeljen el, továbbá ellenőriztesse a védőfelszerelések működőképességét,
174.2 tűz- és robbanásveszélyes gázok, gőzök, porok előfordulásakor fokozott figyelmet fordítson arra, hogy az elrendelt eszközök, felszerelések tűz- és robbanásbiztosak legyenek, illetve használatuk esetén tüzet vagy robbanást ne okozzanak.

175. A tűzoltóság állományán kívüli szakember a felderítésben személyesen akkor vehet részt, ha számára megfelelő védőfelszerelést biztosítanak, annak használatára alkalmas állapotban van, valamint a feladat elvégzését önként vállalja, erről írásban vagy tanúk előtt nyilatkozik.

176. A beavatkozás során az életveszély elhárítása érdekében az általános előírásokon túl a tűzoltásvezető fordítson különös gondot
176.1 a szabadba áramló anyag (veszélyt jelentő) tulajdonságainak, mennyiségének, terjedési irányának megállapítására,
176.2 a tűz és a veszélyes anyag egymásra hatásából adódó veszélyek megismerésére (a keletkező bomlás- és égéstermékek hatásaira),
176.3 a már meglévő, valamint a várható életveszély felmérése alapján az életmentés lehetséges módozatainak meghatározására,
176.4 az időjárási viszonyokra,
176.5 a kiürítendő területek behatárolására,
176.6 az alkalmazandó oltó-, közömbösítő, felitató és mentesítő anyagok megválasztásához szükséges információszerzésre, illetve azok kirendelésére,
176.7 a biztonságos, átmeneti és a veszélyes zóna meghatározására, illetve a lezárandó terület, útvonalak kijelölésére.

Az életmentés

177. A veszélyes anyag által szennyezett, veszélyeztetett területen lévő személyek mentését a veszélyes anyag tulajdonságainak, és a veszélyes anyag terjedési irányának figyelembevételével kell végrehajtani.

178. Gondoskodni kell a mentendő személyek megfelelő védelméről, védőeszközökkel való ellátásáról és mentesítésükről.

179. Az Országos Mentőszolgálat kirendelésével intézkedni kell a kimentett személyek egészségügyi vizsgálatára, állapotuk ellenőrzésére.

A tűzoltás előkészítése

180. Az alkalmazandó taktika – a szükséges erők, eszközök, védőfelszerelések meghatározása, az oltó-, közömbösítő anyagok megválasztása, a veszély(ek) elhárítása érdekében az intézkedések – a szakemberek véleményének figyelembevételével, a rendelkezésre álló ismeretek felhasználásával történjen.

181. A szerek, felszerelések, oltó- és más célú sugarak működési helyének meghatározása a veszélyes anyag terjedési irányát figyelembe véve, lehetőleg azt kikerülve történjen úgy, hogy a veszélyes zónából való visszavonásuk rövid idő alatt, gyorsan, biztonságosan végrehajtható legyen. A visszavonulás biztosítására mentési tartalék csapatot kell szervezni.

182. Az általános szabályok figyelembevételével azokat a vízforrásokat kell igénybe venni, amelyek a veszélyes és átmeneti zónán kívül vannak.

183. Az esemény felszámolásához szükséges vízellátásról úgy kell gondoskodni, hogy az oltás és hűtés vízszükségletén túl biztosítva legyen az esetleges közömbösítés, lecsapatás, hígítás, mentesítés vízigénye is.

184. A tűzoltás megkezdése előtt, illetve szükség szerint a beavatkozás teljes időtartama alatt intézkedni kell a veszélyes anyag, valamint a szennyezett folyadékok szétfolyásának, csatornába, folyóvízbe stb. jutásának megakadályozására.

185. A tűz közvetlen közelében tartózkodó beavatkozók és védőruházatuk, védőfelszereléseik állapotát rendszeresen ellenőrizni kell. A legkisebb rendellenesség vagy személyi sérülés esetén a veszélybe került személy(eket) azonnal le kell váltani.

A tűzoltás

186. A tűzoltási és azzal egy időben történő műszaki mentési feladatok végrehajtási sorrendjét a tűzoltásvezető határozza meg.

187. A veszélyes anyagot szállító jármű tüze esetén fokozott figyelmet kell fordítani az üzemanyag, illetőleg a szállított veszélyes anyag által előidézhető veszélyek megelőzésére, valamint a mélyhűtött, cseppfolyós anyagot tartalmazó tartályok hűtésénél, oltásánál alkalmazott hűtő- vagy oltóanyag hőmérsékletemelő hatására.

188. A tűzoltóság lehetőségeit meghaladó veszélyelhárítást a legrövidebb időn belül bevonható külső, szakirányú elhárító szervezet bevonásával kell végrehajtani.

189. Halaszthatatlan esetben – a rendelkezésre álló eszközök és szakismeret figyelembevételével – a tűzoltásvezető döntsön a személyi állomány által végrehajtandó veszélyelhárítói tevékenységről, annak mértékéről.

190. A veszélyes anyag jellemző tulajdonságainak, koncentrációjának függvényében a beavatkozás folyamán, illetőleg annak befejeztével végre kell hajtani, a beavatkozást végző személyek és a bérbe vett eszközök mentesítését.

191. A tűzoltói tevékenység befejezése után a helyszínt a további intézkedések megtételére jogosult szerv vezetőjének kell átadni.

192. A beavatkozásban részt vevő személyi állományról nyilvántartást kell vezetni.

A JÁRMŰVEK TÜZEINEK OLTÁSA

193. E fejezet előírásait a közúti, vasúti, légi és a vízi közlekedés, szállítás során a járművekben és rakományokban keletkező tüzek oltásánál a Szabályzat vonatkozó előírásaival együttesen kell alkalmazni.

A közúti és vasúti járművek tüzeinek oltása

A tűzjelzés

194. A tűz jelzésének vételekor az általánosan előírtakon túl az alábbi kiegészítő adatokat kell kérni
194.1 milyen jármű(vek) ég(nek), a jármű vagy a rakománya ég-e,
194.2 a jármű hajtóanyagára vonatkozó információ (gázolaj, gáz, benzin, elektromos, egyéb),
194.3 a rakomány éghetősége, veszélyessége, veszélyt jelző tábla adatai (veszélyt jelző, anyagazonosító szám), szállításának módja (darabáru, konténeres, tartályos stb.) tömege és/vagy térfogata,
194.4 a jármű és a járművezető nemzetisége, okmányok elérhetősége,
194.5 történt-e baleset, okoz-e közlekedési akadályt,
194.6 mi volt a haladás iránya.

195. A társszervek, illetve a közreműködő szakemberek (Országos Mentőszolgálat, fegyveres erők, rendőrség, polgári védelem, katasztrófavédelem, ÁNTSZ, közművek, közlekedési vállalatok stb.) kirendelésére, valamint szükség szerint az egyéb speciális eszközök helyszínre rendelésére is intézkedni kell.

A vonulás

196. Az eseményhez történő vonuláskor a kárhelyhez vezető úton várható forgalmi torlódás miatt a megközelítés útvonalát – főképpen településen belül – lehetőleg úgy kell megválasztani, hogy a tűzoltó járművek a kárt szenvedett járművet haladási irányával ellentétes irányból, vagy a legközelebb eső keresztező útról közelítsék meg.

197. Veszélyes anyagot szállító jármű baleseténél figyelembe kell venni az időjárási és terepviszonyokat is.

A felderítés

198. Fokozott gondossággal kell eljárni a jármű különleges és/vagy speciális adottságaiból, a szállított anyagból eredő, illetőleg bekövetkező további veszélyek megelőzésére.

199. Meg kell állapítani
199.1 van-e a járművön veszélyt jelző tábla vagy egyéb jelzés, illetve kísérő okmányon feltüntetett adatok tartalmaznak-e a szállítmányra, beavatkozásra vonatkozó információkat, előírásokat,
199.2 szükséges-e a forgalom elterelése, a veszélyeztetett útszakasz lezárása, illetőleg az elektromos és egyéb légvezetékek, híd, közúti felüljáró, aluljáró védelme,
199.3 a biztonságos megközelítési, illetve működési távolságot,
199.4 a jármű, a rakomány elmozdulásának lehetőségét,
199.5 az időjárási viszonyok befolyásoló hatását.

A beavatkozást megelőző feladatok

200. Villamos meghajtású járművek esetében végre kell hajtani az elektromos leválasztást, illetőleg gondoskodni kell szakemberrel a feszültségmentesítésről.

201. A gázüzemű gépjárművek esetében kiemelt figyelmet kell fordítani a gáztartály és szerelvényei átvizsgálására és a további veszélyek megszüntetésére. A beavatkozást lehetőleg a gépjármű gáztartállyal ellentétes oldaláról kell megkezdeni.

202. Indokolt esetben a környezetet zárt területté kell nyilvánítani.

203. A területlezáráshoz a rendőrség, a közútkezelő, illetőleg a közlekedési vállalat szakembereit és felszereléseit kell elsősorban igénybe venni.

Az életmentés

204. Az életmentés végrehajtásához a gépjárműkarosszéria megbontására, a biztonsági öv átvágására, roncsok között a személyek felkutatására, tömeges balesetnél a sérültek mentési sorrendjének meghatározására úgy kell felkészülni, hogy az az Országos Mentőszolgálat kiérkezett egysége, az orvos közreműködésével, szaktanácsával a jármű(vek) megközelítése után, a lehető legrövidebb időn belül végrehajtható legyen.

205. Tömeges balesetnél a sérültek részére segélyhelyet kell kijelölni.

206. Figyelembe kell venni, hogy a gépjárműből való mentés során a gépjármű alkatrészei, elemei, tartozékai (pl. fel nem nyílt légzsák, elpattanó szélvédő, anyagfeszültséges karosszéria elemek stb.) további veszélyt jelentenek a mentendő és mentő személyekre.

A tűz terjedését befolyásoló körülmények

207. A tűzoltás során figyelembe kell venni
207.1 az üzemanyagtartály, szállító edényzet káros felmelegedését, tartalmának esetleges szétfolyását,
207.2 a szerkezeteken lévő, a tűz terjedését befolyásoló anyagokat,
207.3 szennyeződéseket (pl. éghető szigetelés, olajlerakódás stb.),
207.4 a szállítmányból adódó egyéb veszélyeket,
207.5 a hő hatására ,,felrobbanható'' gumiköpenyt, széthulló kerékabroncsot.

A tűzoltás

208. A tűzoltásvezető a tűzoltás módjának meghatározásánál – lakott területen kívüli tűzeseteknél – csak a riasztott eszközökön szállított oltóanyagokat vegye figyelembe.

209. A tűzoltás során elsősorban a kombinált oltási módokat kell alkalmazni.

210. Darabárus szállítás esetében – ha az erők és eszközök lehetővé teszik – törekedni kell a még nem égő anyagok eltávolítására.

211. Járműszerelvény égése esetén a szerelvényt – a szükséges védelem biztosításával – szét kell bontani, és a nem égő részt biztonságos távolságra kell vontatni.

212. A zárt áruszállító járművek esetében a szállítótér felnyitásakor fel kell készülni a szúróláng hatására.

213. Ha az oltást víz- vagy habsugárral végzik, akkor két sugár szerelése kötelező, de ezek egyidejű működtetésére a tűzoltásvezető csak elkerülhetetlen esetben adjon parancsot.

214. Ha az oltás előreláthatólag kézi tűzoltó vagy impulzusoltó készülékkel végrehajtható, akkor a beavatkozás megkezdésével egyidejűleg a tűzoltásvezetőnek egy készenléti sugár szerelésére is intézkednie kell.

215. A beavatkozó sugaraknál előnyben kell részesíteni a gyorsbeavatkozó sugarakat, előszerelt porsugarat, előre behajtogatott tömlők alkalmazását.

216. Vegyes vagy gázüzemű gépjárművek esetében gondoskodni kell a gáztartály hűtéséről.

A légi járművek tüzeinek oltása

Általános előírások

217. E fejezetrész értelmezése szempontjából légi jármű a közlekedési, szállítási, mezőgazdasági, sport- és egyéb különleges célokat szolgáló forgó- és merevszárnyú repülőeszköz.

218. E fejezetrész előírásait légi járművek tüzeinek oltása során a Szabályzat vonatkozó előírásaival együttesen kell alkalmazni.

219. Az állandóan üzemelő repülőtéren, illetve közvetlen környezetében bekövetkező rendkívüli esemény felszámolása érdekében minden repülőteret igénybe vevő főbb légijármű-típusra, a kategóriájának megfelelő – külön előírásban meghatározottak szerint – TMMT-t kell készíteni.

220. A balesetet szenvedett légi jármű utasait – még abban az esetben is, ha a légi jármű nem ég – közvetlen életveszélyben lévőknek kell tekinteni. Kimentésük érdekében mentési csoportot (csoportokat) kell szervezni.

221. A helyszínen a megkülönböztető hang- és fényjelzés használatát mellőzni kell.

222. A baleset, rendkívüli esemény következtében elhunytakat, valamint a roncsokat, a csomagokat stb. a feltalálás helyéről elmozdítani, a helyszínt megváltoztatni, csak időlegesen és különösen indokolt esetben – életmentés, tűzoltás érdekében – szabad.

223. Amennyiben a légi jármű rendelkezik ,,fekete dobozzal'' (többnyire narancssárga színű), úgy azt a megtalálási helyéről elmozdítani tilos.

224. A megtalált fedélzeti dokumentumokat meg kell őrizni és a hatóságoknak át kell adni.

A tűzjelzés

225. Légi jármű rendkívüli eseményről a beérkezett jelzés értékelését követően a riasztást a TMMT-nek megfelelően – annak hiányában a jelzés tartalmától függően – az RST alapján kell végrehajtani.

226. A jelzés vételekor – a vonatkozó jogszabályokban meghatározottakon túl – tájékozódni kell a
226.1 légiirányítás meglétéről,
226.2 a kényszerleszállás okáról,
226.3 a jármű típusáról,
226.4 a jármű üzemanyag-mennyiségéről, fajtájáról (lehetőleg literben),
226.5 a fedélzeten tartózkodók pontos számáról,
226.6 a rakományról, különös tekintettel a veszélyes anyagokra,
226.7 katonai gép esetén a fedélzeten lévő fegyverzetről, robbanóanyagokról,
226.8 a várható vagy már megtörtént földet érés helyéről, a lehetséges megközelítési útvonalakról,
226.9 a jármű műveleti folyamatáról (leszálláshoz készülődik vagy már leszállt).

227. Ha a repülőgép még nem szállt le, meg kell tudni a várható földet érés idejét és a leszállás irányát.

A felderítés

228. Vonulás közben, a légi jármű megközelítésekor fokozott figyelmet kell fordítani a szél irányának, erősségének (Beaufort-skála szerint) megállapítására.

229. A tűzoltásvezető a felderítés általános szabályain túl fordítson különös figyelmet
229.1 az életveszélyben levők helyzetének megismerésére,
229.2 a kijáratok, vészkijáratok és vágási felületek felderítésére,
229.3 a veszélytelen és szabaddá tehető mentési útvonalak kijelölésére,
229.4 a tűz határvonalára, terjedési irányára,
229.5 a lehetséges tűzfelület meghatározására,
229.6 az üzemanyagtartályok, palackok veszélyeztetettségére,
229.7 a fedélzeten levő fel nem robbant robbanóeszközökre, lőszerekre.

230. A felderítés folyamatosan terjedjen ki az alábbi veszélyforrásokra
230.1 repülőgép típusa (polgári, katonai),
230.2 fegyverzet (robbanásveszély),
230.3 hajtóművek (gyújtóképes hőmérséklet),
230.4 szárnyak (üzemanyagfolyás, tűz),
230.5 futóműgondolák (hidraulika folyadék tűz).

231. Katonai rendeltetésű, valamint veszélyes anyagot, vegyszereket szállító légi járművek esetében a helyszínt fokozott gondossággal, fegyverzettel rendelkező légi járművet pedig csak oldalról szabad megközelíteni (ezzel együtt számítani kell a fegyverzet bármely irányba történő veszélyeztetésével).

A beavatkozás

232. A várt leszállás helyszínén a tűzoltásvezető a leszállási iránynak megfelelően két csoportot szervezzen, amelyek felállítási helyét a taktikai, illetve a repülő leszállásánál bekövetkezhető körülmények figyelembevételével kell meghatározni.
232.1 Első csoport a légi járművet szemből támadó a főerők (speciális habbaloltók, nagy oltóteljesítményű és tartálykapacitású szerek, porraloltók);
232.2 Második csoport a légi járművet kísérő, hátulról támadó, követő egységek (kisebb kapacitású, oltóanyaggal rendelkező szerek).

233. A követő csoport egységei a felállítási helyük mellett elhaladó (jelzett) repülőgép elhaladása után azonnal kezdjék meg a gép követését. A pálya szélességének kihasználásával ügyelni kell arra, hogy a hajtómű hatáskörzetén belül ne tartózkodjon gépjármű.

234. A tűzoltásvezető intézkedjen a sérült személyek mentésére és az égő roncsok oltására.

235. Az egységek felállítási helyét úgy kell meghatározni, hogy a viszonylag nagy sebességgel történő leszálláskor számítani kell arra, hogy a gép oldalra ,,kitörhet''.

236. A szerek működési helyét az alábbi szempontok figyelembevételével úgy kell meghatározni, hogy a beavatkozás során szükségszerű helyváltoztatás lehetősége biztosított legyen. Számítani kell arra, hogy
236.1 megváltozhat a szél iránya,
236.2 a szétfolyó üzemanyag meggyulladhat,
236.3 vissza kell vonni az erőket, eszközöket a tűz visszagyulladása miatt,
236.4 katonai gép fegyverzetét elérheti a tűz és azt aktivizálhatja,
236.5 a beavatkozást szél felőli oldalról kell végezni.

237. Szükség esetén (ködben vagy egyéb okból fennálló rossz látási viszonyok miatt), a tűzoltásvezető intézkedjen arról, hogy egy vagy több személy, gyalogosan haladjon a szerek előtt, biztosítva az akadályok kikerülését.

238. A tűzoltásvezető tartson folyamatos kapcsolatot a légiirányítással (amennyiben van ilyen feladatot ellátó személy, illetve erre a lehetőség adott), de mindenképp legalább konzultáljon a repülőtér légiirányításával.

239. A beavatkozás során koncentráltan a géptörzs védelmére kell törekedni. Több darabra szakadt géptörzs esetén az erőket meg kell osztani. A tűz oltásával egy időben meg kell kezdeni az életmentést, biztosítani a menekülési útvonalakat.

240. A tűzoltásvezető a beavatkozás eredményessége érdekében, fokozott figyelemmel legyen az alábbi légi jármű szerkezeti sajátosságokra
240.1 alkáli fémötvözetekből készült félhéj, önhordó szerkezet,
240.2 különböző helyeken nagymennyiségű éghető folyadékok,
240.3 nagy nyomás alatt lévő (20–200 bar) hidraulikus csővezetékek,
240.4 forgó, csukló, mozgó alkatrészek,
240.5 a gép teljes terjedelmében bárhol előforduló feszültség alatt lévő elektromos vezetékek.

241. A légi jármű tüzének eloltása érdekében törekedni kell a kombinált oltási módok alkalmazására.

242. A tűzoltásvezető elsődleges feladatai közé tartozik a veszélyes zóna kijelölése, a repülőgép esetlegesen kibocsátott vészcsúszdáinak védelméről, illetve a menekülésre, mentésre használható nyílások, útvonalak a megközelíthetőségéről (füst- és lángmentesség ) történő gondoskodás.

243. A tűzoltásvezető intézkedjen a terület lezárására olyan mértékben, hogy a mentés, tűzoltás a lehetőségek szerint zökkenőmentesen végrehajtható legyen, de le kell zárni a területet legalább a légi jármű első földet érési helyétől a teljes megállásig tartó terület minimum 500 m-es körzetében. Határozza meg a lezárt területen tartózkodók, belépésre jogosultak körét.

244. Jelölje ki azt a területet (helyet), ahol a kimenekített személyek átadásra kerülnek a közreműködő mentő erőknek. Biztosítsa a repülőesemény vizsgálóinak tevékenységét.

245. Az oltóanyagot úgy kell beosztani, hogy az életmentés (utasok, személyzet) kimentésének befejezéséig elegendő legyen.

246. Habbal oltásnál a nemzetközi légi forgalomba kapcsolt repülőtereken az ICAO 14 ANNEX-ban meghatározott oltóanyag felhasználásával, az oltási időt 3 perces időtartammal, a haboldat intenzitást a gyártó által megadott érték 1,5-szeresével kell biztosítani.

247. Az épületre, építményre zuhant vagy repülés közben felrobbant légi jármű földre hulló részeit az adott terület, létesítmény tüzével együtt kell oltani.

248. A törzsbe történő behatolás előtt a légi jármű sajátosságokat figyelembe véve, fel kell becsülni a géptörzs állapotát, állékonyságát. Vizsgálni kell a törzs és a burkolat roncsolódásának mértékét, a tűz hatása által előidézett elszíneződést.

249. A behatolásra lehetőség szerint a szélfelőli oldalon lévő természetes nyílásokat kell használni, nyitni. Amennyiben bontást kell alkalmazni, törekedni kell a megjelölt vészvágati helyeken történő vágásra. Ha nincs jelölés, lehetőség szerint a törzs felsőrész középvonalánál, az ablakoknál vagy ezek között, a szék karfa szint és a kalaptartó szint közötti területen kell a behatolást végrehajtani.

250. A törzsbe behatoló mentő személyek minden esetben kötelesek légzőkészüléket használni.

ÉGHETŐ FOLYADÉKOT TÁROLÓ TARTÁLYOK ÉS FELFOGÓTEREIK TÜZEINEK OLTÁSAéghető folyadékot tároló tartályok tüzeinek oltása

Általános előírások

251. E fejezet a föld feletti, állóhengeres acéltartályokban és felfogótereikben keletkezett, valamint a nagyobb felületű éghető folyadéktüzek oltásának különös szabályait tartalmazza.

252. TMMT-t kell készíteni
252.1 tartálytelepeken a legnagyobb tartályból és védőterületéből adódó összesített legnagyobb égő felületre;
252.2 egyedi esetben minden olyan tartályra, amelynek befogadóképessége meghaladja az 500 m3-t;
252.3 telepszerű elhelyezés esetén, ha a tartályok összesített tárolókapacitása meghaladja az 1000 m3-t;
252.4 minden olyan helyen, ahol azt a tárolt anyag veszélyessége, feldolgozása, tárolása indokolttá teszi.

253. A TMMT-t úgy kell elkészíteni, hogy az támpontot nyújtson a telepen található valamennyi 500 m3 vagy annál nagyobb tartály oltásához is. Az ezekről készített tervkivonatokat a TMMT mellékleteként kell elkészíteni és tartalmazniuk kell a tartálytípusok főbb tűzoltási jellemzőit
253.1 a tárolt anyagot és főbb veszélyeit,
253.2 a tartály és felfogóterének jellemző méreteit,
253.3 a szükséges oldatintenzitásokat,
253.4 a hűtéshez szükséges vízintenzitásokat az égő és a szomszédos tartályok esetén,
253.5 a stabil, illetve félstabil beépített oltóberendezés teljesítményét és jellemző adatait,
253.6 a vízforrások jellemző adatait, ha azok eltérnek a TMMT-ben szerepeltetett adatoktól,
253.7 a szükséges riasztási fokozatokat.

254. A tároló- és felfogóterek, illetőleg a szétfolyt éghető anyagok tüzeinek oltására alkalmazható oltási módok a habbal oltás és a kombinált (porral, habbal) oltás.

255. A 4000 m2 és ennél nagyobb összefüggő tűzfelület csak filmképző tulajdonságú oltóanyagokkal oltható.

256. A 4000 m2-nél kisebb összefüggő tűzfelület oltása során törekedni kell a minél kisebb számú és nagyobb teljesítményű oltóeszköz használatára.

257. Amennyiben az oltáshoz a habbelövéses módszert alkalmazzuk, akkor a habot lehetőség szerint ütköztetni kell.

258. Tartálytűz oltásához, illetve nagyfelületű tüzek oltásához nehézhabot kell használni. A szintetikus habképző anyagok nem alkalmazhatóak a proteinbázisú habképző anyagokkal.

259. Az oltáshoz szükséges habképző anyagot a vonatkozó rendeletben meghatározott módon kell készletezni.

260. A tűzoltást a TMMT alapján úgy kell szervezni, hogy az lehetőleg az első riasztástól számított 2 órán belül, de a kivetődés várható időpontja előtt végrehajtható legyen.

261. A habrohamhoz szükséges habképző anyag egyszeres mennyiségének tengelyen kell lennie.

262. A beavatkozáshoz szükséges habképzőanyag mennyiségét úgy kell tervezni, hogy az 2 órán belül, de lehetőleg a kivetődés várható időpontja előtt biztosított legyen.

A tűzjelzés, riasztás

263. A riasztást a jelzés értékelése alapján a TMMT szerint kell végrehajtani.

264. Körgyűrű tűz esetén legalább a teljes felületű tartálytűzre tervezett erő-eszköz mennyiséget, a teljes felületű tartálytűz esetén legalább a felfogó tér oltásához tervezett erőt, eszközt kell riasztani.

265. A riasztást követően intézkedni kell (ha van) a magasnyomású tüzivíz-rendszer szivattyúinak elindítására, illetve a hálózati nyomásfokozásra.

A vonulás, felderítés

266. A telephelyen belüli vonulás, annak sorrendje és a helyszín megközelítése a tűzoltásvezető által meghatározott módon történjen.

267. A tűzoltást megelőzően az üzemi szakemberrel fel kell venni a kapcsolatot.

268. A felderítést – kiemelten tartálytűz esetén – lehetőleg megfelelő magasságból is végre kell hajtani.

A tűzoltás előkészítése

269. A tűzoltást a TMMT alapján úgy kell szervezni, hogy az a riasztástól számítva a legrövidebb időn belül, de a kivetődés várható időpontja előtt végrehajtható legyen.

270. Az erők, eszközök működési helyének kijelölésekor figyelembe kell venni a meteorológiai és terepviszonyokat, a sugárzó hő hatását, a vízszintes irányú lángelhajlást, valamint a kiforrás és a kivetődés bekövetkezésének lehetőségét.

271. A tartályokat úgy kell megközelíteni, hogy biztosított legyen az oltóanyag hatékony belövése, terítése a teljes felületre.

A tűzoltás

272. A tűzoltási feladatok a végrehajtás sorrendjében
272.1 a tűz környezetre történő átterjedésének megakadályozása, szomszédos tartályok hűtése,
272.2 a felfogótéren kívül az égő anyag oltása, a visszagyulladás megakadályozása,
272.3 az égő tároló hűtése,
272.4 a felfogótérbe kifolyt anyag tüzének oltása, a visszagyulladás megakadályozása és az oltás tartósítása,
272.5 az égő tároló oltása, a visszagyulladás megakadályozása, az oltás tartósítása,
272.6 a felmelegedett tartályok (berendezések) utóhűtése.

273. A beépített hűtőberendezéseket a hűtés, a beépített oltóberendezéseket az oltás során használni kell.

274. A kivetődés közvetlen veszélye esetén a bevetett tűzoltókat – ha lehetséges, az eszközöket is – azonnal ki kell vonni a veszélyes zónából. Ebben az esetben a tűzoltás csak a kivetődés bekövetkezése után folytatható.

275. Kiforrás közvetlen veszélye esetén az erők, eszközök visszavonását úgy kell végrehajtani, hogy azok védelmének biztosítása mellett az égő folyadék szétfolyásának mértéke csökkenthető, a tűz továbbterjedése megakadályozható, ezt követően a tűz eloltása végrehajtható legyen.

276. A mobil oltóeszközök tűzcsaphálózatról közvetlenül is táplálhatók, működtethetők, ha a hálózat dinamikus nyomása megfelel az oltóeszközök habbekeveréshez, habképzéshez és a hab célba juttatásához szükséges üzemi nyomásának.

277. A tűzoltás csak akkor kezdhető meg, ha a szükséges mennyiségű oltóanyag, az oltóhab képzéséhez és kijuttatásához szükséges eszközök, erők és a személyzet egyidejűleg rendelkezésre állnak, a habroham az előírt intenzitással és időtartamig megszakítás nélkül végrehajtható. Amennyiben a tűzoltás folyamatossága biztosítható és a sikeres tűzoltásra valós esély van, az oltás a fentiektől eltérően előbb is megkezdhető, ha azzal jelentős kár keletkezése, vagy a tűzoltás körülményeinek nagyfokú romlása megelőzhető, de a teljes eloltásig a habroham lehetőségét biztosítani kell.

278. A habroham kezdése, befejezése, illetve a sikertelen támadás esetén a visszavonulás tervszerűen történjen. A visszavonulást úgy kell végrehajtani, hogy az újabb támadás lehetősége minél előbb megtörténhessen. Újabb támadás csak a szükséges feltételek biztosítása után kezdhető meg.

279. Több égő tartály esetén – ha azok egyidejű oltására nincs lehetőség – az oltást a szél felőli oldalon, illetve annál a tartálynál kell megkezdeni, amely a leginkább veszélyezteti a környezetét.

280. Védőgödör-tűz oltásánál különös figyelmet kell fordítani a habtakaró épségének megőrzésére, ezért a tartály hűtését a védőgödör oltásának közvetlen megkezdése előtt meg kell szüntetni.

281. Úszótetős tartályok körgyűrű-tüze esetén a beépített félstabil habbal oltó berendezésekkel és lehetőség szerint magasból mentő gépjárművek felhasználásával kell beavatkozni. Az oltás befejezését, illetve annak elősegítését szükség szerint annak megkezdését kézi habsugárcsövekkel kell végezni.

282. A habtörő folyadékok tüzeit arra alkalmas habbal kell oltani. Az eloltott felület más habbal való tartósítására nincs szükség. Az oltás során olyan vastag habtakarót kell biztosítani, hogy az megfelelően lefojtsa a keletkező gázokat, gőzöket és ezt a habtakarót a már használt habanyaggal szükség szerint fel kell újítani. A habtakarót mindaddig fenn kell tartani és pótolni, amíg a felhevült felületek visszagyulladást idézhetnek elő.

283. 100 °C feletti nyílttéri lobbanáspontú termékek tüzei – szabad felszín esetén – porlasztott, szórt vízsugárral is olthatók, ha a sugarak az égő felülettel azonos szinten vagy annál magasabban helyezhetők el.

284. A vízzel hűtést – abban az esetben, ha az a habtakaróval nem tud érintkezni – az oltás után szintén addig kell folytatni, amíg a visszagyulladás veszélye fennáll.

A GÁZT SZÁLLÍTÓ JÁRMŰVEK, A GÁZVEZETÉKEK, A GÁZTARTÁLYOK ÉS A GÁZPALACKOK TÜZEINEK OLTÁSA

Általános előírások

285. E fejezet előírásait – a gázt szállító járművek, a gázvezetékek, gázfogadó állomások, gáztartályok, gázpalackok meghibásodása, illetve tüzeinek oltása során, továbbá láng- és/vagy hőhatásnak kitett gázpalackok esetében – a Szabályzat általános előírásaival együttesen kell alkalmazni.

286. A bejelentett gázömlés, baleset, tűzeset során – szakemberek igénybevételével – lehetőség szerint a legrövidebb idő alatt meg kell szüntetni a gázömlést, robbanásveszélyt.

287. Amennyiben a jelzés tartalmából gázvezeték meghibásodására és annak következtében nagyobb mennyiségű gáz kiáramlására, gázfogadóállomás vagy gáztartály tűzre lehet következtetni, tájékozódni kell a közvetlen életveszélyben lévő személyekről, és meg kell állapítani a kiáramló gáz terjedési irányát és várható hatását.

288. A tűzjelzés esetén, ha a tűzoltóság várható vonulási ideje
288.1 kevesebb, mint 10 perc, I-es kiemelt,
288.2 10–20 perc közötti, II-es kiemelt,
288.3 20 perc feletti, III-as kiemelt
riasztást kell végrehajtani, és szükség szerint porral oltó tűzoltó gépjármű és a VFCS gépjármű vonultatására is intézkedni kell.
289. Ha a jelzés értékelése alapján a megközelítésre több úton van lehetőség, az útvonal megválasztásánál figyelembe kell venni a meteorológiai viszonyokat is.

290. Az elsőnek kiérkező raj
290.1 hajtson végre felderítést,
290.2 a leállási helyet az esemény körülményei alapján határozza meg,
290.3 használja a járműben rendelkezésre álló, az eset jellegéből adódóan szükséges védőfelszereléseket.

291. A tűzoltásvezető a veszélyességi övezet határát szakember igénybevételével jelölje ki. Ennek során vegye figyelembe a meteorológiai viszonyokat és gondoskodjon a koncentráció folyamatos méréséről.

292. A felderítést különös óvatossággal – szikrát nem húzó, gyújtási veszélyt nem okozó eszközökkel, védőfelszerelésekben – legalább két fővel, és ha az indokolt védősugár szerelésével, a visszavonulás feltételeit biztosítva kell végrehajtani.

293. A felderítés során a tűzoltásvezető fordítson különös gondot
293.1 a már meglévő, valamint várható életveszély felmérésére, az életmentés módjainak meghatározására,
293.2 a szabadba áramló gáz tulajdonságainak, mennyiségének, terjedési irányának megállapítására,
293.3 a lehetséges gyújtóforrásokra,
293.4 a kiürítés végrehajtására, az érintett területek behatárolására,
293.5 a gázvezeték, tárolótartály típusának megállapítására,
293.6 az alkalmazható oltó- és hűtőanyag megválasztásához szükséges információk beszerzésére,
293.7 a veszélyességi övezet meghatározására,
293.8 a meteorológiai viszonyok (szélirány) változására.

294. Az alkalmazandó taktikát, a szükséges erők, eszközök, védőfelszerelések, az oltó- és hűtőanyagok megválasztását, a mentést, a veszély elhárítása érdekében teendő intézkedéseket a szakemberek véleményének figyelembevételével kell meghatározni.

295. Az általános szabályok megtartása mellett azokat a vízforrásokat kell igénybe venni, amelyek a veszélyességi övezeten kívül vannak és biztosítják a beavatkozáshoz (hűtéshez) szükséges vízmennyiséget.

296. Közúti járművön szállított palackok esetében, ha a palackból kiáramló gáz meggyullad, azt el kell oltani. A környezet intenzív hűtése mellett a hibás palackot ki kell emelni, el kell különíteni olyan helyre, ahol az a környezetet nem veszélyezteti. Az illetékeseket azonnal értesíteni kell.

297. Ha a tartályos közúti gépjárműről sérülés miatt a szállított gázt át kell fejteni, a tűzoltásvezető intézkedjen
297.1 a közvetlen életveszély elhárítására,
297.2 a veszélyességi övezet meghatározására,
297.3 ha a lefejtés technológiájához nem szükséges, a jármű motorjának leállítására,
297.4 a környezetben a tűz- és robbanásveszély elhárítására,
297.5 a veszélyeztetett helyen tartózkodók eltávolítására, a terület lezárására és rendőrség bevonásával a forgalom leállítására.

298. Vasúti tartálykocsikon szállított éghető gáz esetében a tűzoltásvezető
298.1 jelölje ki információi alapján a veszélyességi övezet határát,
298.2 adjon utasítást a veszélyességi övezet határán belül antisztatikus ruha, szikramentes szerszám, felszerelés használatára,
298.3 intézkedjen az égő, sérült tartálykocsi környezetéből a nem égő, de veszélyeztetett kocsik eltávolítására,
298.4 intézkedjen – villamos pálya esetén – az oltás megkezdése előtt a veszélyeztetett terület felsővezetékének áramtalanítására és kiszakaszolására,
298.5 vegye fel a kapcsolatot a vasúti szakemberekkel, és ha szükséges, intézkedjen a vasúti forgalom leállítására.

A gázt szállító vezeték tüzeinek oltása

299. Gázt szállító vezeték sérülésekor, fáklyaégés esetén
299.1 a tűzoltásvezető intézkedjen az éghető anyagok eltávolítására, a környezet hűtésére, a sérült vezetékből kiáramló gázt csak abban az esetben szabad oltani, ha az elzárást megkezdték és rövid időn belül be tudják fejezni;
299.2 a tűzoltásvezető intézkedjen a kiáramló gáz nyomásától függetlenül szakember igénybevételével a tolózárak lezárására vagy a meghibásodott berendezés, csővezeték kiszakaszolására;
299.3 a sérült szállítóvezeték szakaszolását, szakaszonkénti nyomásmentesítést szakember igénybevételével – a biztonsági szempontok figyelembevételével – kell végrehajtani, továbbá a szállítóvezeték sérülése, károsodása esetén biztosítani kell, hogy a veszélyességi övezeten belül a további káros vagy veszélyes mértékű elmozdulás ne következhessen be;
299.4 a tűzoltásvezető a tűzoltás során szakember véleményét vegye figyelembe, és folyamatosan gondoskodjon a robbanásveszély elhárításáról, a tűz továbbterjedésének megakadályozásáról, valamint a tűz környezetében lévő berendezések hűtéséről;
299.5 a tűzoltás befejezése után a hűtést addig kell folytatni, amíg a visszagyulladás veszélye teljesen meg nem szűnik.

A gázt tároló tartályok tüzeinek oltása

300. Amennyiben a szomszédos (veszélyeztetett) tartályok palást- és tetőhűtő berendezése használható, a tűzoltásvezető intézkedjen azok beindítására.

301. Ha a palást- és tetőhűtő berendezések nem kielégítően működnek, akkor a szomszédos tartályok védelmének biztosítását mobil felszerelésekkel, hűtősugarak, vízágyúk bevetésével kell végezni.

302. Az égő tartály hűtését stabil hűtőberendezés igénybevételével, illetve – ha az nem működik, vagy nincs – vízágyúkkal, vízsugarakkal kell biztosítani.

303. A tűzoltásvezető intézkedjen
303.1 a tartály betáplálásának megszüntetésére,
303.2 a gázkoncentráció folyamatos mérésére és a veszélyességi övezet meghatározására,
303.3 az oltást végzőket megfelelő védőruházattal és – mérgező égéstermékek esetén – légzésvédő eszközökkel való ellátására.

304. A kialakult gázfáklyát mindaddig nem szabad eloltani, amíg a gáz utánpótlását kiszakaszolással, leürítéssel, a gáz folyamatos hűtés melletti ellenőrzött kiégetésével vagy más módon meg nem szüntették.

305. El kell oltani a tüzet, ha a kifúvás csekély intenzitása folytán a láng hosszúsága 0,5 méternél kisebb, vagy a megtett óvintézkedések eredményeként az alá csökken.

306. Ha a kiáramló gáz nem gyulladt meg vagy eloltották, a gázfelhő felhígítását szórt vízsugarakkal elő kell segíteni, terjedését vízfüggönyök alkalmazásával le kell határolni.

A gázpalackok tüzeinek oltása

307. A tűzoltásvezető a gázpalackon található jelölések és színjelek alapján állapítsa meg a gáz fajtáját, vegye fel a kapcsolatot az üzemben tartóval, a töltő- és szállítóvállalattal.

308. A tűzoltásvezető derítse fel, hogy
380.1 a palacko(ka)t közvetlenül vagy közvetve érte-e láng- vagy hőhatás,
380.2 milyen volt a tűz keletkezésének időpontjában a töltöttség,
380.3 zárt vagy nyitott-e a szelep.

309. A tűzoltásvezető intézkedjen a lehűlt, már nem robbanásveszélyes palack elszállíttatására.

310. A tűzoltás megkezdése előtt és a beavatkozás alatt gondoskodni kell – a gáz tulajdonságainak figyelembevételével – a környezetvédelmi előírások megtartására.

311. Acetilén gázpalackok tűzeseténél a tűzoltásvezető intézkedjen az intenzív és folyamatos hűtésre, valamint a helyzet felmérése alapján a tűz egyéb körülményeinek hatását is figyelembe véve döntsön a palack kimentéséről.
311.1 A tűz eloltását követően gondoskodni kell a palack folyamatos hűtéséről.
311.2 A kimentett palackot (palackokat) olyan biztonságos helyre kell vinni, ahol az – robbanás esetén – sem a tűzoltást végzőkre, sem a környezetre nem jelent veszélyt.
311.3 A gázpalack(ok) intenzív hűtését mindaddig folytatni kell, amíg a szakember véleménye szerint az nem szállítható.
311.4 A hűtősugarakat úgy kell elhelyezni, hogy a sugárvezetők biztonságban legyenek.
311.5 A hűtés időszakára a területet veszélyességi övezet kijelölésével le kell zárni.
311.6 A gázpalack sérülése vagy tűzbe kerülése esetén a palack mesterlövész puskával való kilövése lehetséges, az alábbiak figyelembevételével:
311.6.1 a lövés következtében kiáramló gázt láng vagy hőhatás nem érheti,
311.6.2 a kilövés csak biztonságos távolságból, megfelelő védőfelszerelés viselése mellett végezhető el,
311.6.3 a kilövést csak erre kiképzett, fegyverhasználatra jogosult, gyakorlott személy végezheti,
311.6.4 a legalább 5 lövésnek egyenletesen, az (lehetőleg) álló palack palástjának hossztengely-vonalára kell jutnia, minél kisebb időintervallumban.

312. PB-gázpalack tüze esetében a tűzoltásvezető elsőként a folyamatos hűtést szervezze meg.
312.1 Az oltást akkor szabad elvégezni, ha környezetében nincs olyan gyújtóforrás, ami a kiáramló gázt visszagyújtaná.
312.2 A lángzónában lévő palackokat a tűzoltásvezető utasítása szerint lehet mozgatni, folyamatos intenzív hűtés biztosítása mellett.
312.3 Ha a gázpalackból kiáramló gáz ég, a tűzoltásvezető intézkedjen a palack hűtésére és elzárására.
312.4 Az elzárás után a palackot a veszélyeztetett területről el kell távolítani, biztonságos helyre kell szállítani.
312.5 A már hőnek kitett palackok hűtésére a tűzoltásvezető intézkedjen, figyelembe véve a hirtelen hűtés veszélyeit.

313. Mérgező, maró, ismeretlen anyagokat tartalmazó gázpalackok tüzeinek oltását, mentését megfelelő védőfelszerelések használatával kell végrehajtani. A tűzoltásvezető határozza meg a védőfelszerelés fajtáját.

A SUGÁRVESZÉLYES TERÜLETEN KELETKEZETT TÜZEK OLTÁSA

314. Tűzoltási tevékenységet, valamint a tűzoltással kapcsolatos feladatok végzését a sugárzó anyagot előállító, használó és tároló létesítmények, a szállítás munkavédelmi, biztonságtechnikai szabályai, a veszélyes létesítmények címjegyzéke és azok balesetelhárítási intézkedési terve alapján készített TMMT és e Szabályzat előírásai szerint kell végezni.

315. Azokon a helyeken, ahol radioaktív anyagok jelenlétével – radioaktív sugárzással, radioaktív izotópos szennyeződéssel (kontaminációval) – kell számolni elsősorban a munkahely dolgozói, a létesítmény tűzoltósága, és ezt követően a hivatásos önkormányzati, valamint önkéntes tűzoltóság tagjai avatkozzanak be. Ezen anyagok szállítása során a munkahely dolgozója alatt a jármű vezetőjét és a rakomány kísérőjét kell érteni, aki a külön jogszabály alapján részére kiadott utasításban foglaltak szerint jár el.

316. Nem feladata a tűzoltóságnak a kárhelyen a sugárzó anyagok felkutatása, eltávolítása (áthelyezése), a berendezések, tárgyak mentése.

A riasztás

317. A sugárveszélyes munkahelyről érkezett tűzjelzés esetén a híradóügyeletes az egység riasztása után köteles a riasztási lappal együtt a TMMT-t is átadni a vonuló egység parancsnokának, ezt követően – a visszajelzés tartalmától függően – haladéktalanul értesítse (illetve gondoskodjon értesítéséről) az együttműködő szerveket, az érintett terület (üzem) tulajdonosát, üzemeltetőjét, a sugárvédelmi szolgálatot, az Országos Mentőszolgálatot, az ÁNTSZ illetékes megyei (fővárosi) intézetét és a polgári védelmet, a rendőrséget és egyéb szervezeteket (Országos F. J. C. Sugárbiológiai és Sugáregészségügyi Kutató Intézet), a Nukleárisbaleset-elhárítási Védekezési Munkabizottság vezetőjét.

A felderítés

318. A helyszínre érkezéskor, a felderítés megkezdése előtt a tűzoltásvezető intézkedjen a veszélyes zónán kívüli gyülekezési hely kijelöléséről.

319. A tulajdonos, üzemeltető szakszemélyzete bevonásával a tűzoltásvezető kezdje meg a felderítést a tűzeset pontos behatárolása érdekében.

320. A helyszínen lévő szakszemélyzet vezetőjével vagy az általa kijelölt személlyel közösen végzett felderítés és szakértői vélemény alapján a tűzoltásvezető intézkedjen a felderítésben résztvevők váltásáról, tartalékok képzéséről, oktassa ki az állományt a várható hatásokról és a magatartási szabályokról.

A tűzoltás előkészítése

321. A felderítés, beavatkozás megkezdése előtt a tűzoltásvezető a szakszemélyzet bevonásával intézkedjen a sugárszint, valamint a sugárterhelés ellenőrzésére, mérésére, nyilvántartására.

322. A tűzoltásvezető gondoskodjon a sugárvédelmi szervezet szakembereivel a dolgozók kimenekítésében részt vevő személyek kijelöléséről, továbbá a szakértői vélemény alapján határozza meg
322.1 a beavatkozás módját,
322.2 az alkalmazható oltóanyagot,
322.3 a szükséges védőeszközök használatát,
322.4 a beavatkozásban résztvevők működési helyét,
322.5 a bevetési helyeken a tartózkodás idejét.

A tűzoltás

323. A sugárveszélyes helyen, helyiségben a dolgozók, továbbá a tűzoltóság tagjai tűzoltási munkát addig nem végezhetnek, amíg a sugárvédelmi szakember a tűzoltásra nem adta meg az engedélyt. Kivéve az életmentés esetét, illetve a nagy anyagi kár elhárítása érdekében, ha a beavatkozó személyek dózisterhelése folyamatosan mérhető.

324. Az oltási eljárásokat és az oltóanyagot, valamint az egyéb intézkedéseket úgy kell meghatározni, hogy azok ne vezessenek a radioaktív anyagok szétterjedéséhez, széthordásához.

325. A beavatkozásnál kerülni kell minden indokolatlan sugárterhelést és szennyeződést. Ennek érdekében a beavatkozás szervezésénél
325.1 a gépjárművek felállítási helyét és a vízforrásokat lehetőleg a veszélyes zónán kívül kell kijelölni,
325.2 csak a feltétlenül szükséges létszám és felszerelés minél rövidebb ideig tartó működésére kell törekedni,
325.3 a beavatkozást a sugárforrástól lehető legtávolabbról kell végezni;
325.4 a radioaktív sugárzással szemben árnyékolóként fel kell használni az építmény, illetve a terep adta lehetőségeket,
325.5 az oltás után a bevetett erőket és eszközöket – amennyiben szükséges – kijelölt helyen mentesíteni kell.

326. Ha a helyszínen felelős személyzet nincs, a tűzoltásra a tűzoltásvezető csak abban az esetben adhat utasítást, ha a helyszín alapos ismeretével, sugárveszély szempontjából előfordulható legveszélyesebb körülmények ismeretével és a szükséges felszerelésekkel rendelkezik. Ezek hiányában a környezet védelmére kell intézkedni.

327. Az állomány veszélyes zónában való tartózkodásának ideje alatt a tűzoltásvezető vagy az általa kijelölt személy köteles a sugárszintről folyamatosan informálódni. Ha a sugárszint meghaladja a veszélyes zónában való működési idő számítási alapját képező értéket, a tartózkodási időt ismételten meg kell határozni. A veszélyes zónán belüli biztonságos tartózkodás idejét követően az állományt a veszélyes zónából azonnal ki kell vonni.

328. Veszélyeztetett területen folyó nukleárisbaleset-elhárítást, valamennyi tevékenység koordinálását a Nukleárisbaleset-elhárítási Védekezési Munkabizottság illetékes tagjainak át kell adni.

AZ ERDŐK ÉS A TŐZEGTERÜLETEK TÜZEINEK OLTÁSA

329. E fejezetben foglalt előírásokat az erdő, bozót és náddal borított területek, valamint a folyamatosan égő tőzegtalajok (föld alatti égések) tüzeinek az oltásánál kell alkalmazni.

330. Tűzveszélyes időszakban valamennyi tűzoltói intézkedést az Állami Erdészeti Szolgálat, illetőleg a természetvédelmi területek által felállított ügyeleti rendszerek információi alapján kell tervezni.

331. A tűzoltásnál a lehető legkisebb környezetvédelmi kárral járó beavatkozási módot kell meghatározni.

332. Nehezen áttekinthető vagy nagy kiterjedésű tűz esetén több tájékozódási pont kijelölésére is intézkedni kell.

A külső segítség igénybevétele

333. Ha az égés határozatlan irányú és a tűzterjedés gyors, a tűzoltóság(ok) ügyeleteinek a bevonásával több szervezet együttműködését kell kezdeményezniük.

334. Amennyiben a feladatok fegyveres, rendőri vagy polgári védelmi erők bevonását igénylik, magasabb szintű tűzoltás irányítási szervezetet kell létrehozni.

335. A segítségnyújtásba bevont dolgozókat és polgári lakosságot, valamint a sorállományú katonai erőket csak tűzoltói irányítás mellett szabad bevetni.

336. A tűzoltás során figyelembe kell venni az erdőgazdálkodó által készített, a vonatkozó jogszabályban meghatározott védelmi tervben foglaltakat.

A hírösszeköttetés biztosítása

337. A veszélyhelyzet felszámolásának időszakára az igénybe vett szervek, szervezetekkel biztosítani kell a folyamatos kapcsolattartást mind az ügyeletek, mind pedig a veszélyzónában tevékenykedő egységek (személyek) között. Ez a kapcsolattartás a mentési munkálatok végzésén túl terjedjen ki a veszélyhelyzet felszámolására vonatkozó adatok, javaslatok és megoldások kölcsönös cseréjére és valamennyi közreműködő tevékenységének a folyamatos támogatására.

338. Légi felderítés, oltás, mentés során több légi jármű egyidejű alkalmazása esetén repülésirányítást csak képesített földi szolgálat végezhet.

A tűzoltás előkészítése

339. A helyszín megközelítése és a technikai eszközök telepítése során különös tekintettel kell lenni
339.1 a terepviszonyokra,
339.2 a megközelítési utak járhatóságára, szelvényméreteinek változatosságára,
339.3 az uralkodó szélirány jellemzőire (meteorológiai információk),
339.4 a veszélyeztetett terület gyors elhagyására,
339.5 a gyakori kényszer áttelepülésekre és a távolsági vízszállítás megszervezésére.

340. A légi járművek földi bázis és oltóanyag-töltőhelyét elsősorban a merevszárnyú légi jármű fogadására is alkalmas kedvezőtlenebb kategória besorolású (nem közforgalmi) füves leszállópályák kijelölésével kell biztosítani.

341. A tűzoltás szervezésénél figyelembe kell venni, hogy – az éjszakai repülésre képesített vezetővel, arra alkalmas légi járművel végrehajtott felderítés esetét kivéve – biztonsági okokból csak nappali repülés tervezhető.

342. Biztonsági okokból a veszélyeztetett területekre irányított személyek nyilvántartásáról gondoskodni kell.

343. A várhatóan több napot is igénybe vevő munkálatok esetén a helyszín folyamatos egészségügyi biztosításáról gondoskodni kell.

344. Az eset helyszínén történő többszöri váltás, pihentetés esetén, a helyi önkormányzat és a polgári védelem bevonásával a szükséges szociális ellátó háttér megteremtésére intézkedni kell.

345. A nehéz terepadottságok leküzdése érdekében lánctalpas vontatójárművek beállítását meg kell szervezni.

A felderítés

346. A tűzoltásvezető a lehetőségek szerint minél előbb szerezze be az érintett terület erdőművelési térképét. Jelölje ki az erdőgazdálkodó bevonásával a veszélyeztetett terület határvonalait, és annak ismeretében határozza meg az oltási, védekezési és elhárítási feladatokat. Szükség szerint intézkedjen a további erők és eszközök kirendeléséről és fogadásukról.

347. Megfelelő terepviszonyok esetén a helyszín felderítéséhez magasból mentő gépjármű is igénybe vehető.

348. A veszélyes katonai gyakorló területek (lőterek, használaton kívüli lőterek, nem hatástalanított aknamezők) tüzeinek oltását csak a Magyar Honvédség tűzszerész szolgálatának, illetve a lőtérparancsnokok helyszíni irányítása alapján lehet végezni.

A tűzoltás

349. Az oltóvízellátás érdekében – szükség esetén – nyitott csatornák, helyi víztározó medencék kialakítására földmunkagépek helyszínre rendelésére kell intézkedni.

350. A víztározók helykijelölésénél és kialakításánál figyelembe kell venni a légi járművel történő oltás vízbiztosításának különleges sajátosságait is.

351. A tőzegtüzek mély elárasztásos módszerrel történő oltásához a területileg illetékes vízügyi szakembereket, illetőleg szolgálatot igénybe kell venni.

352. A tűz mesterséges határok közé szorítása (fadöntés, ellentűz, robbantásos módszer alkalmazása) során az alkalmazott taktikára jellemző veszélyhelyzetnek megfelelően meg kell teremteni a biztonságos munkavégzés feltételeit.

353. A tűzoltásvezető meghatározhatja az oltásban részt vevő tűzoltók számára a személyi védelmet biztosító védőruházat könnyített használatát, és ellenőrzi annak betartását.

354. Tőzegtüzek oltásánál szükség szerint könnyű hővédő ruházat használata is elrendelhető.

A tűzoltás utáni feladatok

355. A tűzoltást követően az érintett terület fokozott felügyeletéről a tűzoltásvezetőnek intézkedni kell. A feladatra kijelölt polgári személyeket fel kell készíteni, és részükre a hírösszeköttetést biztosítani.

AZ OLAJ- ÉS GÁZKÚTTÜZEK OLTÁSA

356. E fejezet előírásait a kőolaj- és földgázbányászat kútjain, berendezésein történt olyan meghibásodás (üzemzavar, kútkitörés) esetében kell alkalmazni, amelynek következtében a kiáramló anyag tüzet vagy robbanást idéz vagy idézhet elő.

357. A gáz-, olajkitermelő gazdasági szervezet saját erőivel, eszközeivel szervezi és végzi a kitörés elfojtását, a tűz eloltását.

358. A tűzoltóság működjön közre,
358.1 ha a kiáramló anyag nem ég, a tűz keletkezésének, az esetleges robbanás bekövetkezésének megakadályozásában és a hibaelhárítók védelmében,
358.2 ha a kiáramló anyag ég, biztosítsa a gépek, fémalkatrészek, roncsok eltávolításában résztvevők munkáját.

A tűzoltást megelőző feladatok

359. Az elsődleges működési körzet, illetve működési terület szerinti tűzoltóság az üzemzavarról, a kútkitörésről érkezett jelzés vétele után riassza a helyszínre a szükséges eszközöket, felszereléseket.

360. A tűzoltásvezető a meghibásodás elhárításához nyújtott közreműködésével segítse a kút környezetének részletes felderítését, továbbá a szakemberek bevonásával minden olyan berendezés, tárgy, anyag elszállításának védelmét, amely a kútból kiáramló anyag belobbanását vagy robbanást idézhet elő.

361. A tűzoltásvezető tartson állandó kapcsolatot a kitörésvédelmet, illetőleg a kitörés elhárítását irányító vezetővel (a továbbiakban: KVV) a terület lezárását irányító erők parancsnokával, (a továbbiakban: TPK), és biztosítsa, hogy intézkedéseiket, utasításaikat összehangoltan, egymás tudtával és egyetértésével adják ki.

362. A kitörésvédelmi törzsbe beosztottak feladataikat egymás mellé rendelve végezzék. Vitás esetben a tűzoltásvezető és KVV egyetértésben döntsön.

363. Az együttműködés biztosítása érdekében a közreműködő szervek közösen határozzák meg
363.1 a tűzoltásvezető, a KVV és a TPK irányítási pontját (lehetőleg azonos, de legalább egymáshoz közeli helyen),
363.2 a tűzoltásvezetési, a kitörés-elhárítási és a területzárási feladatokat irányító törzsek munkahelyeit,
363.3 a híradóközpont működési helyét, illetőleg a meteorológiai mérőhelyet, az orvosi és a mentőszolgálat munkahelyeit,
363.4 a pihenésre, öltözésre, melegedésre, gyülekezésre alkalmas területeket,
363.5 az éjszakai szálláskörleteket,
363.6 a főzés, étkezés, tisztálkodási és kommunális szükségletek helyeit,
363.7 a rendfenntartó, környezetvédelmi feladatokat ellátó szervek, alakulatok működési területeit,
363.8 a 4184 W/m2 hőáramsűrűség és a 85 dB(AI) zajszint határvonalait,
363.10 gázok jelenléte esetén a veszélyeztetett körzet határát,
363.11 az ellátó vízforrások, víztároló medencék helyét, az ellátóvezetékek, az alap- és visszatápláló vezetékek nyomvonalait, a tervezett akcióidőkhöz szükséges víz mennyiségét.

364. A halláskárosodás megelőzése érdekében a tűzoltót érő zaj egyenértékű A-szintje 8 órai folyamatos munkavégzést figyelembe véve nem haladhatja meg a 85 dB(AI) értéket.

365. A tűzoltásvezető a tűzoltó erőkkel a beavatkozás megkezdése előtt
365.1 ismertesse meg azokat a műveleteket, amelyeket a kitörésvédelmi csoportok a kút környezetében végrehajtanak,
365.2 biztosítsa, hogy a védelmet irányító tűzoltó szakasz parancsnoka és a kitörésvédelmi csoportot irányító állandó kapcsolatot tartson,
365.3 a második vonalba bevetett sugarakat úgy helyeztesse el, hogy az első vonalban lévők életének közvetlen veszélyeztetése esetén azok rövid idő alatt átcsoportosíthatók legyenek,
365.4 ismertesse a sugárvezetőkkel az átcsoportosítás végrehajtásának módját,
365.5 biztosítsa, hogy az első és a második vonalban elhelyezett sugárvezetők, valamint a kitörésvédelmi csoportba beosztottak munkája összehangolt legyen.

366. A tűzoltás csak akkor kezdhető meg, ha a kút környezetét az izzó, parázsló, felmelegedett anyagoktól megtisztították.

A kútelzárási műveletek biztosítása

367. A kútelzárási műveleteket végzőknek – hűtés biztosítása mellett – fel kell deríteni a kút környezetét, és a szénhidrogének kicsapódásának várható területéről minden személyt, gépet ki kell vonni. Ezt a területet fokozottan tűz- és robbanásveszélyes övezetnek kell tekinteni, és ott a közvetlen tűz- vagy robbanásveszély esetén alkalmazott szabályok szerint kell eljárni.

368. A hűtés alatt elő kell készíteni, illetőleg végre kell hajtani a már szükségtelenné vált erők, eszközök fokozatos visszavonulását, valamint a kútelzárást végzők védelmét.

369. Az elzárási műveleteket végzőket ért baleset esetén a mentésükre – munkavégzésük közelében – legalább 10 fős mentési csoportot kell készenlétben tartani.

370. Sötétben, ködben, hóviharban a kútnál és annak közvetlen közelében, valamint a kritikus gázkoncentrációval elárasztott területen minden emberi és gépi tevékenységet meg kell tiltani.

MÁSODIK RÉSZ

MŰSZAKI MENTÉSI SZABÁLYZAT

ÁLTALÁNOS RÉSZ

A MŰSZAKI MENTÉS FOGALMA ÉS A VÉGREHAJTANDÓ FELADATOK

371. E Szabályzat a tűzoltóság műszaki mentéssel összefüggő tevékenységét határozza meg. Magába foglalja a műszaki mentés előkészítésével, szervezésével, vezetésével és végrehajtásával összefüggő főbb feladatokat.

372. A műszaki mentési feladatok végrehajtása során értelemszerűen alkalmazni kell a ,,Tűzoltási Szabályzat Általános Rész''-ben foglaltakat is.

373. A műszaki mentés természeti csapás, baleset, káreset, rendellenes technológiai folyamat, műszaki meghibásodás, veszélyes anyag szabadba jutása vagy egyéb cselekmény által előidézett veszélyhelyzet során az emberélet, a testi épség és az anyagi javak védelme érdekében a tűzoltóság részéről – a rendelkezésre álló, illetőleg az általa igénybe vett eszközökkel – végzett elsődleges beavatkozói tevékenység. Így különösen
373.1 az épületkároknál, építménybaleseteknél,
373.2 a közlekedési baleseteknél,
373.3 a természetes vizekben (folyó és állóvizekben) bekövetkezett baleseteknél,
373.4 a csatornákban, kutakban és egyéb víztározókban bekövetkezett baleseteknél,
373.5 a közüzemi berendezések, közművek meghibásodásával összefüggő veszélyhelyzeteknél, baleseteknél (gépi és villamosbaleseteknél),
373.6 a magasban, mélyben, föld alatti üregekben (barlangokban,szakadékokban) bekövetkezett baleseteknél,
373.7 a veszélyes anyagok szabadba jutásánál, nukleáris baleset során,
373.8 a természeti csapásoknál (árvíz, belvíz, vihar okozta károk, földrengés, földcsuszamlás), valamint minden hasonló esetben az élet- és a vagyonmentés, valamint az alapvető élet- és vagyonbiztonság érdekében a tűzoltóság működése.

374. Az elsődleges beavatkozás addig tart, amíg a közvetlen veszélyhelyzet meg nem szűnt, illetve az esemény felszámolásának irányítását magasabb védelmi szervezet (védelmi bizottság) át nem vette. A tűzoltóság ezután a Szabályzatban foglalt feladatait a védelmi szervezet irányítása mellett végzi.

375. A műszaki mentés során végrehajtandó főbb feladatok
375.1 az életmentés;
375.2 a közvetett és közvetlen élet- és balesetveszély elhárítása;
375.3 az állatok, tárgyak és anyagi javak mentése értékük, pótolhatatlanságuk, az állatjóléti szempontokra vagy funkcionális fontosságukra tekintettel;
375.4 az esemény által okozott további környezeti károk mérséklése;
375.5 a közlekedési forgalom helyreállításának elősegítése.

376. Különös figyelemmel és körültekintéssel kell eljárni a személyek felkutatásánál, mentésénél, figyelembe kell venni az orvos, illetőleg a mentők véleményét. Tömeges balesetnél gondoskodni kell a balesetet szenvedettek segítségnyújtási, ellátási helyének kijelöléséről.

A MŰSZAKI MENTÉS SZERVEZETE, VEZETÉSE

377. A tűzoltóság a műszaki mentési tevékenységet az alábbi szervezeti keretek között végezheti
377.1 önállóan (saját készenléti állományával és technikai eszközeivel),
377.2 együttműködve más szervekkel, szervezetekkel mellérendeltségi viszonyban,
377.3 együttműködve más szervekkel, szervezetekkel, tűzoltói irányítással.

378. A tűzoltóság önállóan hajtja végre a feladatokat a kárhelyre érkezésekor, amikor más beavatkozó szerv még nincs a helyszínen és a késedelmes beavatkozás emberi életet veszélyeztetne, vagy jelentős kárnövekedés következne be, illetve eszközei, személyi állománya alkalmas a feladat elvégzésére.

379. A tűzoltóság más szervvel, szervezettel együttműködve, de önálló feladatként (részfeladatként) végzi a műszaki mentési tevékenységet
379.1 ha a mentési tevékenység irányítása, vezetése más szerv, szervezet feladata,
379.2 a műszaki mentéshez további személyi és tárgyi feltételekre is szükség van.

380. tűzoltóság együttműködve más szervekkel, szervezetekkel, tűzoltói irányítással végzi a feladatát, ha annak végrehajtásához más személyekre és eszközökre is szükség van, de a szakmai feladat tűzoltói irányítást igényel.

381. A mentésvezető szakértőt vehet igénybe, ha
381.1 az eredményes és biztonságos tevékenységhez az szükséges,
381.2 az adott körülmények pontos ismerete, a veszély jellege azt megköveteli,
381.3 a beavatkozó egység szakismerete, helyismerete nem elegendő.

382. A műszaki mentés vezetője a mentésvezető. Ha indokolt, meg kell alakítani a vezetési törzset. A műszaki mentésnél szervezhető beosztások mentésvezető (MV) illetve mentésvezető-helyettes (MVH), a többi beosztás megegyezik az I. Rész, I. fejezet 9. pontjában foglaltakkal.

383. Mentésvezető lehet
383.1 tűzoltásvezetésre jogosult személy,
383.2 a helyszínen közreműködő (irányító) szerveket, szervezeteket vezető,
383.3. több szerv együttműködése esetén a műszaki mentésben alaptevékenységet végző szervezet vezetője.

384. A mentésvezető az esemény jellegétől függően, illetve a kárhelyen a feladatokkal összhangban további beosztásokat is szervezhet, illetve részfeladatok alapján a szervezetet szükséges mértékben csökkentheti.

385. A helyszínen a tűzoltó egységek, valamint a tűzoltó egységekhez beosztott külső személyek közvetlen irányítását (vezetését) csak a tűzoltó egység parancsnoka végezheti.

386. A mentésvezető felelős a feladatok gyors és szakszerű végrehajtásáért, a hozzá beosztott személyi állomány és technikai eszközök balesetmentes működéséért.

A MŰSZAKI MENTÉSSEL ÖSSZEFÜGGŐ FŐBB FELADATOK

387. A felderítés során
387.1 meg kell állapítani, hogy van-e életveszély,
387.2 meg kell határozni a veszély jellegét,
387.3 meg kell állapítani a veszélyeztetett terület nagyságát, határait, a biztonsági zónát,
387.4 dönteni kell a feladatok végrehajtási sorrendjéről (egyidejűségéről), szükséges erők, technikai eszközök biztosításának módjáról (kirendeléséről),
387.5 fel kell deríteni az egészségre, testi épségre legkevésbé veszélyes munkafeltételek lehetőségét.

388. A beavatkozásnál
388.1 meg kell határozni a feladat-végrehajtás műveleteit, a kapcsolattartás formáit,
388.2 a műszaki mentési feladatot az életveszély-elhárítás kivételével csak úgy szabad végrehajtani, hogy az a műszaki mentésben résztvevők testi épségét ne veszélyeztesse,
388.3 beosztott személyi állomány tagjai csak akkor hajthatnak végre önálló elhatározással feladatot, ha életük, testi épségük veszélybe kerül,
388.4 a végrehajtás során védeni kell a saját és egymás testi épségét,
388.5 az élet vagy testi épség előre látható veszélyeztetése esetén a feladatot önkéntes jelentkezés alapján kell végrehajtani, ha erre lehetőség nincs (jelentkező hiányában) a mentésvezető dönt a kijelölésről,
388.6 az élet, testi épség kockáztatásával járó feladat végrehajtását a mentésvezető lehetőleg személyesen irányítsa,
388.7 műszaki mentés korlátozott látási viszonyok között csak halaszthatatlan esetben végezhető el, és szükséges megvilágításról gondoskodni kell,
388.8 ha a feladat végrehajtása során akadályozó körülmény van, azt haladéktalanul jelenteni kell a közvetlen irányító parancsnoknak,
388.9 a műszaki mentési munkálatokat addig kell végezni, amíg a közvetlen veszély elhárult.

MŰSZAKI MENTÉSI SZABÁLYZAT

ALKALMAZOTT MŰSZAKI MENTÉS

A KÖZLEKEDÉSI BALESETEKNÉL TÖRTÉNŐ BEAVATKOZÁS SZABÁLYAI

Általános előírások

389. Közlekedési baleset alatt a közúti, vasúti, vízi és légi közlekedés forgalmi hálózatában, útvonalán bekövetkezett olyan eseményt (eseménysort) kell érteni, amely(ek) során emberi élet, tárgyak (anyagok) vannak veszélyben vagy ennek következtében haláleset, személyi sérülés történt.

390. A közlekedési balesetről beérkezett jelzés vételét követően értesíteni kell a rendőrséget, az Országos Mentőszolgálatot, az esetlegesen közreműködő szervezeteket, és ha az indokolt, szakértő(k) kirendelésére kell intézkedni.

391. A műszaki mentési munkák végzéséhez – ha az indokolt – további erők, eszközök kirendelésére kell intézkedni, amennyiben vonuló egység létszáma, a rendelkezésre álló technikai eszközök a feladatok végrehajtására nem elegendők.

392. A felderítés, a beavatkozás során elsődlegesen az életveszély elhárítására, a testi épség és anyagi javak védelmére, a tűz- és robbanásveszély megakadályozására, valamint a további balesetek megelőzésére kell törekedni.

Beavatkozás közúti, vasúti jármű balesetnél

393. A baleset jelzésének vételekor a Tűzoltási Szabályzatban meghatározott adatok rögzítésén túl az alábbi kiegészítő adatokat kell kérni
393.1 milyen típusú jármű(vek) szenvedett (szenvedtek) balesetet,
393.2 mi a látható jellemzője a hajtóanyagnak, rakománynak (veszélyt jelző tábla, halmazállapot, szállítási mód stb.), mit tartalmaznak az okmányok,
393.3 milyen volt a jármű haladási iránya, valamint a balesetet követően milyen az elhelyezkedése (felborult, forgalmi akadályt képez),
393.4 milyenek az időjárási viszonyok,
393.5 milyen a káresemény megközelítésének a lehetősége.

394. A helyszínt megfelelő körültekintéssel kell megközelíteni, az eseménytől függően a személyi védőfelszerelések használatát el kell rendelni.

395. A felderítés során meg kell állapítani
395.1 a személyi mentés végrehajtásának szükségességét, a bajba jutottak számát, a mentés módját,
395.2 látható jelenségek (anyagkifolyás, szétszóródás) alapján a várható következményeket (pl. tűz- vagy robbanásveszély lehetőségét),
395.3 a járművön van-e elhelyezve veszélyes anyag jelenlétére utaló tábla vagy bárca, mit tartalmaznak a fuvarokmányok,
395.4 milyen intézkedések szükségesek a beavatkozáshoz, a további veszélyek elhárításához,
395.5 szükség van-e – különösen a veszélyes anyagokat szállító járművek esetén – az anyag(ok)ra vonatkozó további információk beszerzésére.

396. Intézkedéseket kell tenni a forgalom leállítására, elterelésére, vagy szükség esetén a helyszínt zárt területté kell nyilvánítani.

397. Vasúti baleset esetén intézkedni kell a főmenetirányító értesítésére és meg kell határozni számára a kért segítséget (feszültségmentesítés, tűzoltó vonat, vasúti daru, szakember, forgalomirányítás stb.)

398. A beavatkozás során végrehajtandó főbb feladatok
398.1 különös figyelemmel és körültekintéssel kell eljárni a sérült jármű(vek)ben a roncsok között lévő személyek felkutatásánál, mentésénél, figyelembe kell venni az orvos, illetőleg a mentők véleményét,
398.2 tömeges balesetnél meg kell határozni a mentés végrehajtásának sorrendjét, gondoskodni kell a balesetet szenvedettek segítségnyújtási, ellátási helyének kijelöléséről,
398.3 meg kell akadályozni az anyagok további kifolyását, szétszóródását,
398.4 a már kifolyt, kiszóródott anyagok továbbterjedését, csatornába, közműalagútba, aknába való jutását körülhatárolással, árkolással, letakarással meg kell akadályozni,
398.5 a felborult járművek felállítását, biztonságba helyezését a szakemberek véleményének figyelembevételével, illetve közreműködésükkel kell végrehajtani,
398.6 a sérült közúti járművek leválasztását el kell végezni,
398.7 a gázüzemű gépjárművek balesete esetén a gépjármű gáztartályát szemrevételezéssel meg kell vizsgálni és a gázcsapokat el kell zárni.

A vízből (jégről) történő személymentés, beavatkozás a vízi jármű balesetnél

399. Az esemény jelzésének vételekor a Tűzoltási Szabályzatban meghatározott adatokon túl kiegészítő adatokat is kell kérni
399.1 a mentendő személy(ek) számáról, helyzetéről (a víz sodrási iránya, a parttól való távolság),
399.2 vízi jármű balesetnél a jármű mozgásáról, a jármű helyzetéről (dőlés, merülés, került-e veszélyes anyag a vízbe stb.).

400. A mentést lehetőleg a tűzoltóság rendszeresített vízi járművével kell végrehajtani.

401. A riasztást valamennyi rendelkezésre álló mentőfelszereléssel, az eszközök (mentőöv, mentőmellény, bólyák, kötelek stb.) készenlétbe helyezésével kell elrendelni.

402. A vízből a mentést vagy víz (jég) közelében végzett tűzoltói munkát elsősorban eszközzel kell végrehajtani, végső esetben úszni jól tudó, mentőmellényt viselő és kötélbiztosítással ellátott, mentésre kiképzett tűzoltó(k) is végezheti(k).

403. A feladat végrehajtására adott utasítással egyidejűleg meg kell határozni a mentés módját, valamint a biztosítás feltételeit.

404. A mentést végzőknek tűzoltósisakot, mászóövet, csizmát, védőruhát nem szabad viselni, az évszaktól (időjárási viszonyoktól) függően a mentésvezető további könnyítést vagy további felszerelést is határozzon meg.

405. A vízből történő személymentést a mentést végző személyre legkisebbb veszélyt jelentő módon kell végrehajtani. A mentendő személy megközelítését, megfogását (haj-, fejfogás, egykarú hónaljfogás stb.) és a kiemelését határozott mozdulatokkal kell végrehajtani.

406. A jégről történő személymentés lehetőleg vízi jármű igénybevételével történjen. Ha vízi jármű nem áll rendelkezésre a mentést csak a feltételek (létrák, tömlőtutaj, pallók, kötelek) megléte után, a mentést végző tűzoltó biztonságának szem előtt tartásával kell végrehajtani.

407. Jégről személymentést – a feltételek biztosítása után – helikopter igénybevételével is végre lehet hajtani.

408. Vízi jármű balesetnél a mentést, illetve a segítségnyújtást a hajó parancsnokával együttműködve kell végrehajtani.

409. A vízi jármű balesetéről, ha a vízbe veszélyes anyag került a lehető legrövidebb időn belül értesíteni kell az illetékes vízügyi, vízirendészeti és a környezetvédelmi szerveket.

Beavatkozás légi jármű balesetnél

410. A légi jármű bekövetkezett (vagy várható) rendellenes eseményét, balesetét – kényszerhelyzetét, gurulás megszakítását – már a jelzés vételekor, arányától, méretétől, hatásától függően kell kezelni.

411. A műszaki mentési feladatok végrehajtása érdekében a bevonható személyi és tárgyi feltételek egyidejű igénybevételével kell számolni, fel kell készülni a tűzoltás végrehajtására is.

412. A szakemberek véleményét minden esetben ki kell kérni, és a beavatkozást a Repülőtér Kényszerhelyzeti Tervében, valamint a TMMT-ben foglaltak figyelembevételével kell végrehajtani.

413. Gondoskodni kell a veszélyes zóna (zárt terület) határainak kijelöléséről.

414. Figyelembe kell venni és meg kell tartani a légi járműbe való megközelítésre és a behatolásra vonatkozó különös szabályokat is.

415. Légi jármű balesetnél lehetőleg robbanásbiztos eszközöket kell alkalmazni. A terület megvilágítását biztonságos távolság megtartásával kell végrehajtani.

416. A bajba jutott légi járművek kutatásával-mentésével összefüggő feladatokat a vonatkozó jogszabály, a Műveleti Terv és BM OKF Részműveleti Terve szerint kell végezni.

BEAVATKOZÁS KÖZMŰVEKBEN, CSATORNARENDSZEREKBEN (KÖZMŰALAGUTAKBAN) BEKÖVETKEZETT BALESETEKNÉL

417. Közművekben, csatornarendszerekben (közműalagutakban) a balesetek, károk felszámolásához fel kell készülni
417.1 az ivó-, ipari-, szennyvízvezeték meghibásodására (elárasztás),
417.2 a gázvezeték meghibásodására (szivárgás, gázömlés, robbanás),
417.3 az elektromos kábel meghibásodására (robbanás),
417.4 a gőz-, melegvíz-vezeték meghibásodására (gőzkifúvás, forróvíz-kiáramlás),
417.5 az útbeszakadás miatt bekövetkező csatorna (közműalagút) meghibásodására,
417.6 az idegen anyagok (tűz- és robbanásveszélyes, valamint egyéb veszélyes anyagok) csatornába, közműalagútba jutására.

418. A balesethez történő riasztást követően haladéktalanul értesíteni kell a fenntartót és üzemeltetőt, az illetékes szakembereket, és ha az indokolt, további szakértők kirendeléséről kell gondoskodni.

419. A mentésvezető a feladatok végrehajtását a szakemberek, szakértők véleményének figyelembevételével irányítsa.

420. A mentési munkálatokat csak a szükséges erők és eszközök kirendelése és megfelelő előkészítése után, a káreset jellegének megfelelő védőeszközök, felszerelések megléte esetén szabad megkezdeni, illetve végezni.

421. Csővezeték törése esetén intézkedni kell a vezeték kiszakaszolására. Közterületen levő vezetéknél a vezetékszakasz lezárását minden esetben az illetékes közművektől kell kérni.

422. A víz által elöntött területen elsődlegesen az életveszély elhárítására kell törekedni, majd ezt követően a robbanásveszélyt, illetve a kiáramlott víz veszélyes anyaggal történő szennyezését kell megakadályozni.

423. A beavatkozás során minden nem nyitott elvezető rendszernél a felszabaduló gőzök és gázok fajtáját és koncentrációját méréssel folyamatosan ellenőrizni vagy ellenőriztetni kell.

424. Ha csatornában, alagútban életveszélyt kell elhárítani, oda egyidejűleg legalább két főt kell leküldeni a feladat, illetve a biztosítás végrehajtására. További két főnek pedig megfelelő szintű védőfelszerelésben készenlétben kell állnia a feladat végrehajtásában részt vevők mentésére. Vízáramlás esetén a folyási irányt is figyelembe kell venni.

425. Baleset bekövetkezése esetén csatornában, közműalagútban, aknában, illetve ezek közelében az illetékes szakember véleménye alapján meghatározott távolságon belül a dohányzást és nyílt láng használatát meg kell tiltani. Ha az indokolt, a helyszínt zárt területté kell nyilvánítani.

426. A befagyott ajtók, az aknák fedlapja kiolvasztására éghető gáz jelenléte esetén nyílt láng nem használható.

427. Tartály sérülése esetén meg kell akadályozni, hogy az abból kiömlő mérgező, illetőleg tűz- vagy robbanásveszélyes anyag a csatornába jusson. A csatornaszemeket – ideiglenes jelleggel – le kell zárni.

428. Nagy mennyiségű mérgező, tűz- vagy robbanásveszélyes anyag csatornába ömlése esetén a veszélyes anyag felhígítására, közömbösítésére felhasználható anyag fajtáját, alkalmazásának módját az illetékes szakemberek javaslata, szakvéleménye figyelembevételével kell meghatározni.

429. Kis- és nagyfeszültségű kábelek, gyűjtősínek járható csatornáiba – közvetlen életveszély esetén is – csak feszültségmentesítés után szabad lemenni. A kábelek, gyűjtősínek feszültségmentesítésének végrehajtására az illetékes vezetőnek kell intézkedést tenni.

430. A postai kábelek járható aknáiban, alagútjaiban csak az illetékes vezető által meghatározott biztonsági szabályok megtartása mellett szabad dolgozni.

431. A távfűtő- és melegvíz-szállító vezetékek sérüléseinél a forró gőz és víz miatt – a leforrázás elkerülése érdekében – a vezetékek elzárásáig szórt sugarat kell alkalmazni.

432. Gázzal szennyezett helyszínen a szakemberek meghallgatása után fel kell deríteni
432.1 emberélet van-e veszélyben,
432.2 a szél irányát, sebességét,
432.3 a gáz koncentrációját, fajtáját,
432.4 a környezet kiürítésének szükségességét, lehetőségét,
432.5 a gázömlés megszüntetésének, valamint
432.6 a szellőzés biztosításának módját.

433. A műszaki mentés során törekedni kell a sérült vezetékszakasz vagy berendezés mielőbbi leválasztására. Zárószerelvények hiánya, meghibásodása, hozzáférhetetlensége esetén az épületen (üzemrészen) kívül levő főelzárót kell lezárni.

434. Gázüzemű berendezések sérülése esetén gondoskodni kell a táplálás megszüntetéséről.

435. Levegőnél nehezebb sűrűségű gáz jelentős elfolyása esetén a gyújtóforrások eltávolításán túl a környezetben levő talajszint alatti helyiségek, csatornák stb. gáztömör lezárásáról is gondoskodni kell.

436. A mérgező vagy robbanásveszélyes gázokat, gőzöket – ha a víz alkalmazható – vízpermettel, szórt vízsugárral kell lekötni, illetve hígítani.

437. A beavatkozás befejezése után a műszaki mentésben részt vevő személyek, illetőleg a szennyezett gépjárművek, felszerelések megtisztítását – legalább részleges mentesítését – el kell végezni.

BEAVATKOZÁS AZ ÉPÍTMÉNYEKBEN BEKÖVETKEZETT KÁROK ELHÁRÍTÁSÁNÁL

438. E Szabályzat szempontjából építménykár alatt az építményben (épületben vagyműtárgyban) bekövetkezett olyan káros elváltozást kell érteni, amely halálos vagy súlyos sérüléssel járó balesetet okozott, illetőleg veszélyezteti az élet- és vagyonbiztonságot.

439. Ha az építménykárral egyidejűleg tűzeset is bekövetkezett (vagy bekövetkezésével számolni lehet) a műszaki mentési (mentési) csoport kijelölésével egyidejűleg a tűzoltásra is fel kell készülni.

440. A romok, törmelékek megbontását, eltávolítását a kirendelt szakemberek véleményének figyelembevételével és a megfelelő technikai eszközök igénybevételével kell végrehajtani.

441. Az életveszélybe, veszélyhelyzetbe kerültek felkutatását, kimentését és biztonságba helyezését, valamint a mentést végzők élet- és balesetvédelmét az építménykárok sajátosságainak figyelembevételével a munkálatok megkezdése előtt kell meghatározni.

442. A romok eltávolítását minden esetben életben maradt személyek jelenlétének feltételezésével kell megszervezni és végrehajtani.

443. A műszaki mentés területét, illetve a veszélyeztetett területet – ha az indokolt – zárt területté kell nyilvánítani.

444. A helyszínen a porképződés megakadályozására porlasztott vízsugarat kell biztosítani, amelynek során figyelemmel kell lenni, hogy romokban megakadályozzuk a feliszapolódást.

445. A műszaki mentési feladatokat támasztással, feszítéssel, függesztéssel, áthidalással, elmozgatással, bontással, áttöréssel, döntéssel stb., illetve ezek együttes alkalmazásával kell végrehajtani.

446. Az állványbaleset (omlás) esetén elsődlegesen az állványon tartózkodók lementéséről kell gondoskodni.

447. Állvány meghibásodásnál a dőlés veszélyét figyelembe kell venni, annak környezetében a személyek mozgásánál különös gondossággal kell eljárni.

448. A füsttel, gázzal szennyezett tér szellőztetését biztosítani kell. Ilyen esetben a sérült légzésvédelméről – amennyiben azt a helyzete és a körülmények lehetővé teszik – gondoskodni kell.

449. Talajszint alatti térből – mélyből – mentés végrehajtásakor (alapozás, munkaárok, munkagödör, kút stb. baleseteknél) a mentés megkezdése előtt intézkedni kell a villamos vezetékek, szerelvények, berendezések elektromos leválasztására.

450. Munkaárok, munkagödör baleseteknél a talajviszonyoktól, a mélységtől, a szélességtől függően, szükség szerinti pallózás elrendelésével intézkedni kell a munkagödör oldalfalai további omlásának megakadályozására.

451. A munkagödör szélét a kitermelt anyaggal, illetve személyekkel, felszerelésekkel terhelni tilos. A kitermelt anyagot a természetes rézsűszögön kívül kell elhelyezni.

452. A beomlott munkagödörnél minden esetben feltételezni kell, hogy a betemetett személy életben van mindaddig, amíg annak ellenkezőjét az orvos nem állapította meg.

453. A betemetett személy mentéséhez intézkedni kell az igénybe vehető, erre alkalmas földmunkagép(ek) helyszínre rendelésére és munkába állítására. A gépek munkába állításáig a mentést kézi erővel, haladéktalanul meg kell kezdeni és azt folyamatosan kell végezni. Ilyen esetben gondoskodni kell a végrehajtást végzők váltásáról.

454. A betemetett személy valószínűsíthető helyéhez közeledve munkagépet alkalmazni tilos, a kéziszerszámokat is csak nagyfokú óvatossággal lehet használni.

455. A mentésnél törekedni kell a mentendő személy fejének gyors megközelítésére, kiszabadítására, a halaszthatatlan egészségügyi beavatkozások lehetőségének biztosítása érdekében.

456. A földtömegtől és egyéb anyagoktól megszabadított személy kiemelését minden esetben annak a feltételezésével kell végrehajtani, hogy nem látható sérüléseket, belső zúzódásokat is szenvedhetett.

BEAVATKOZÁS VESZÉLYES VEGYI ANYAGOK JELENLÉTÉBEN

457. E fejezet szempontjából veszélyes anyagok a Tűzoltási Szabályzat Alkalmazott Tűzoltás VII. fejezetében meghatározott anyagokat kell érteni.

458. Ezen esetek jelzését követően elsődleges feladat a szakemberek (szakértők) és szükség szerint a helyszín zárását biztosító erők kirendelése. Megbízható információ hiányában a veszélyes anyagot mérgezőnek kell tekinteni.

459. Intézkedni kell a veszélyes anyagra vonatkozó lehető legtöbb információ beszerzésére.

460. A riasztás elrendelésénél figyelembe kell venni a veszélyes zóna nagyságát, az életveszélyt, a kiürítési feladatokat, a veszélyes anyag fajtáját, koncentrációját, a lekötéséhez, közömbösítéséhez stb. szükséges erőket, eszközöket.

461. A helyszínt – ha az lehetséges – a szél irányával azonos oldalról kell megközelíteni és intézkedni kell a személyi védőfelszerelések készenlétbe helyezésére.

462. A technikai eszközök, valamint a kezelőszemélyzetet igénylő felszerelések a veszélyes anyag kiáramlási irányába nem helyezhetők el.

463. A beavatkozáshoz lehetőleg a veszélyes és átmeneti zónán kívüli vízforrásokat kell igénybe venni.

464. A mentésvezető a felderítés során szakértő (szakember) bevonásával döntsön
464.1 a beavatkozók részére szükséges személyi védőfelszerelések használatának elrendeléséről,
464.2 a veszélyes, átmeneti és biztonságos zóna kijelöléséről,
464.3 a terület lezárásáról,
464.4 a közreműködő szervek működési helyének (gyülekezési helyének) kijelöléséről,
464.5 a hírforgalmazás és tájékoztatás módjáról.

465. A felderítés során gondot kell fordítani
465.1 a szabadba áramló anyag veszélyt jelentő tulajdonságainak megállapítására,
465.2 az életveszély, mérgezésveszély bekövetkezésének (lehetőségének) tisztázására,
465.3 az életmentés lehetséges módozatainak megállapítására,
465.4 a mentési útvonal megválasztására,
465.5 a beavatkozás útvonalainak kijelölésére,
465.6 a veszélyt okozó anyag(ok)ra, a gyújtóforrásokra,
465.7 a veszélyes zóna körülhatárolási lehetőségeinek (a zárt területté nyilvánítás) meghatározására,
465.8 a kiürítés megszervezésére,
465.9 a veszélyes anyagokról kapott információk (mérési adatok, szélirány, szélerősség stb.) folyamatos értékelésére,
465.10 a közömbösítő, mentesítő anyagok megválasztására.

466. Az életmentést lehetőleg szennyezéstől mentes útvonalakon kell végrehajtani. Ha erre nincs mód – a körülményektől függően – a mentendő személyt pótálarccal, ipari szűrőbetétes gázvédőeszközzel, takaróval kell menteni.

467. Gondoskodni kell a kimentett személyek azonnali egészségügyi ellátásáról.

468. A szabadba került anyagok közül azoknál, amelyeknél víz felhasználható, a letakarás, hígítás, közömbösítés során csak szórt vagy porlasztott víz, illetve habsugár alkalmazható.

469. A sérült technológiai rendszer, tartály kiiktatása, leürítése, valamint a felforrósodott, felizzott rendszer visszahűtése előtt a szakemberek véleményét figyelembe kell venni.

470. A terjedés irányába a zárt terület kijelölését haladéktalanul el kell rendelni, ha a gázhalmazállapotú vagy gyorsan illó folyékony anyagok elnyeletése vízsugárral nem eredményes vagy a közömbösítés, hígítás stb. mérgező gázokat, gőzöket szabadít vagy szabadíthat fel, illetve azokkal kémiai reakcióba léphet.

471. Por alakú vagy apró szemcsés vegyi anyagok szabadba jutása esetén a felszedésre vagy a letakarásra kell intézkedni.

472. A folyadékok, olvadékok szétfolyását, csatornába, élővízbe jutását körülsáncolással, irányított elvezetéssel, csatornanyílások lezárásával kell megakadályozni. Nagy mennyiség esetén a folyamatos felszívatásra, eltávolításra kell intézkedni.

473. A beavatkozás befejezése után gondoskodni kell a közreműködő személyek és a technikai eszközök mentesítéséről.

BEAVATKOZÁS SUGÁRVESZÉLYES ANYAGOK JELENLÉTÉBEN

474. A műszaki mentési tevékenység során meg kell tartani a Tűzoltási Szabályzat VII. és XI. fejezetében foglaltakat értelemszerűen, a Műszaki Mentési Szabályzat II. és III. fejezetében, valamint a sugárzó anyagot előállító, használó és tároló (a továbbiakban: veszélyes létesítmény) munkavédelmi, valamint biztonságtechnikai szabályzataiban, és balesethárítási intézkedési tervében foglaltakat is.

475. A veszélyes létesítményekről az ÁNTSZ bevonásával ,,Sugárveszélyes létesítmények'' címmel jegyzéket kell készíteni. A jegyzéket el kell helyezni a megyei igazgatóságok, Fővárosi Tűzoltó-parancsnokság, valamint az elsődleges működési körzet, illetve működési terület szerinti egységek híradó ügyeletein is.

476. Sugárvédelmi Tervet kell készíteni a BME Kísérleti Atomreaktor (Budapest), az MTA Központi Fizikai Kutatóintézet és Izotóp Intézet (Budapest), a Paksi Atomerőmű Rt. (Paks) létesítményekre. A többi veszélyes létesítményre vonatkozóan TMMT-ben kell szerepeltetni a sugárvédelemre vonatkozó részt.

477. El kell készíteni és készenlétben kell tartani a sugárterhelés adataira vonatkozó nyilvántartásokat, gondoskodni kell azok naprakész vezetéséről.

478. Fel kell készülni a műszaki mentéssel egyidejű tűzoltási feladatokra is. Riasztással, vonulással összefüggő feladatok.

479. Az esemény jelzésének vételekor a Szabályzat 306. pontjában foglaltak végrehajtása mellett kiegészítő adatokat is kell kérni az esemény egyéb jelenségeire vonatkozóan
479.1 épületkárosodás történt-e, ha igen, az milyen mértékű,
479.2 kapcsolatban van-e vagy lehet-e az esemény helyszíne a veszélyes létesítménnyel,
479.3 milyen intézkedések történtek vagy történnek a jelzéssel egyidejűleg.

480. A riasztott egység parancsnokának a ,,Káresetfelvételi lappal'' együtt át kell adni a ,,Sugárvédelmi Tervet'' vagy a TMMT-t, valamint a sugárterhelés adataira vonatkozó nyilvántartást.

481. Haladéktalanul intézkedni kell
481.1 az üzemi szakemberek,
481.2 a rendőrség,
481.3 a polgári védelem,
481.4 a katasztrófavédelem,
481.5 a területileg illetékes ÁNTSZ,
481.6 az Országos Mentőszolgálat,
481.7 a környezetvédelmi szakemberek riasztására, kirendelésére.

482. Elő kell készíteni a védőfelszereléseket, mérőműszereket.

A műszaki mentés előkészítése

483. A szakszemélyzet bevonásával helyismeret és mérés alapján meg kell határozni
483.1 a veszélyforrás helyét,
483.2 a megközelítés módját, távolságát,
483.3 a veszélyes zóna határát,
483.4 a folyamatos sugárszintmérés végrehajtásának módját,
483.5 a veszélyes környezetben tartózkodás idejének megállapításához szükséges adatokat.

484. Meg kell jelölni a veszélyes zóna határát, a dekontamináció helyét és a biztonsági őrök kijelölésével gondoskodni kell az őrzésről.

485. Ki kell jelölni a kivont, illetve a bevetésre felkészített személyi állomány tartózkodási helyét.

A felderítés

486. A mentésvezető a felderítés alapján határozza meg
486.1 a védőruházat felvételének, a sugárzásmérő-műszer használatának szükségességét,
486.2 a veszélybe került személyek mentésének sorrendjét, módját,
486.3 a beavatkozás lehetőségeit,
486.4 a beavatkozásban résztvevők működési körzetét,
486.5 a veszélyes zónában tartózkodás idejét (biztonsági idő),
486.6 az eseménytől függően az alkalmazható oltó- és más anyago(ka)t.

A műszaki mentési feladatok

487. Végre kell hajtani a veszélybe került személyek mentését, biztonságba helyezését.

488. A beavatkozás során meg kell akadályozni a sugárveszélyes anyagok szétterjedését, szétszóródását.

489. A beavatkozást lehetőleg az építmények, terep adta lehetőségek (árnyékoló felületek) igénybevételével és a sugárforrástól lehető legtávolabbról kell végrehajtani.

490. A feladatokat csak a feltétlenül szükséges létszám és felszerelés minél rövidebb idejű igénybevételével kell végrehajtani.

491. Ha a helyszínen felelős szakszemélyzet nincs, a műszaki mentést csak akkor szabad végrehajtani, ha a mentésvezető alapos helyismerettel rendelkezik és a szükséges felszerelések (védőeszközök) rendelkezésre állnak. Minden más esetben az élet és testi épség védelmére kell intézkedéseket tenni.

A műszaki mentés végrehajtását követő feladatok

492. A műszaki mentés befejezése után – a sugárveszélyes üzem belső előírásai alapján és az ÁNTSZ, valamint orvos közreműködésével – végre kell hajtani a beavatkozó személyi állomány és felszerelés mentesítését, a sugárszennyezettség ellenőrzését, amelyek tapasztalatairól nyilatkozatot (zárójelentést) kell kérni.

493. Meg kell állapítani a személyi állományt ért sugáradag értékét és azt a sugárterhelés-nyilvántartásba be kell jegyezni.


HARMADIK RÉSZ14

Atomerőművek, kutatóreaktorok, kiégett nukleáris fűtőelemek átmeneti száraz tárolóinak tűzoltási és műszaki mentési követelményei

ATOMERŐMŰVEK TŰZOLTÁSI, MŰSZAKI MENTÉSI KÖVETELMÉNYEI

Általános előírások

494. Az atomerőművek területén a tűzoltás és műszaki mentésnél a fejezetben, illetve a létesítményre készített „Tűzoltási és Műszaki Mentési Tervben” (a továbbiakban: TMMT) foglaltakat maradéktalanul be kell tartani.

495. Azokon a helyeken, ahol radioaktív anyagok jelenlétével – radioaktív sugárzással, radioaktív izotópos szennyeződéssel (kontaminációval) – lehet számolni, elsősorban a munkahely dolgozói, a létesítmény tűzoltósága és ezt követően a hivatásos önkormányzati tűzoltóság tagjai avatkozzanak be.

496. Radioaktív anyagok vagy izotópok szállítása során a munkahely dolgozója alatt a jármű vezetőjét és a rakomány kísérőjét kell érteni, aki a külön jogszabály alapján a részére kiadott utasításban foglaltak szerint jár el.

497. A tűzoltóságnak nem alapfeladata a kárhelyen a sugárzó anyagok felkutatása, eltávolítása (áthelyezése), a berendezések, tárgyak mentése.

498. Az atomerőművek sugárveszélyes területén történő tűzoltásnál, műszaki mentésnél a legkisebb önállóan beavatkozó egységet is csak olyan szakember vezetheti, aki az adott nukleáris létesítmény által kiadott érvényes sugárvédelmi vizsgával és szükséges helyismerettel rendelkezik.

499. A sugárveszélyes beavatkozás során a személyi állomány részére a speciális védelmet biztosító ruházatról, valamint doziméterről személyre szólóan kell gondoskodni. A doziméter megfelelő információt biztosítson a káresemény helyszínén uralkodó sugárzási helyzetről (fény, hangjelzés).

500. A beavatkozó erők sugárterhelésének korlátozása az atomenergiáról szóló 1996. évi CXVI. törvény egyes rendelkezéseinek végrehajtásáról szóló 16/2000. (VI. 8.) EüM rendelet rendelkezései szerint történjen.

501. Az atomerőművek főfoglalkozású létesítményi tűzoltóinak képesítési követelményei a vonatkozó jogszabályban foglaltakon túlmenően:

501.1. állami középfokú végzettség,
501.2. orvosi alkalmasság sugárveszélyes munkára,
501.3. munkahelyi sugárvédelmi vizsga,
501.4. munkavédelmi vizsga az adott nukleáris létesítményre vonatkozóan,
501.5. NUTE (Nukleáris Technika) alaptanfolyam,
501.6. „C” kategóriás hivatásos jogosítvány (PAV I.),
501.7. középfokú elsősegélynyújtó tanfolyami vizsga,
501.8. alpintechnikai vizsga,
501.9. teher kötözői vizsga,
501.10. liftből mentés képzés,
501.11. üzemzavar elhárítási vizsga,
501.12. feszültség alatti oltásból vizsga és éves rendszeres képzés.

Tűzoltási és Műszaki Mentési Terv

502. A TMMT készítésénél figyelembe kell venni a létesítmény munkavédelmi, biztonságtechnikai szabályait, a balesetelhárítási intézkedési tervét, a nukleáris létesítményre vonatkozó speciális előírásokat.

503. A TMMT-nek választ kell adnia az egységek kommunikációjára, a sugárterhelés mérésére, az egyes egységek önállóságának mértékére.

504. A TMMT-nek figyelemmel kell lennie a létesítmény üzemállapotára.
505. A TMMT részét képezi a létesítményre vonatkozó Sugárvédelmi Terv.

506. A Sugárvédelmi Tervnek tartalmaznia kell:
506.1. az irányelveket a nukleáris balesetelhárítási tevékenységekben részt vevő személyek sugárvédelmére,
506.2. a tűzoltásban, műszaki mentésben, kárelhárításban részt vevő személyek munkára bocsátását megelőző teendőket,
506.3. irányadó szinteket a tűzoltási, műszaki mentési, kárelhárítási tevékenységre a külső sugárterhelés alapján,
506.4. a sugárterhelés ellenőrzését,
506.5. a beavatkozás szabályait sugárveszélyes területen tüzek és káresemények felszámolására,
506.6. beléptetési pontokat az ellenőrzött zónába,
506.7. az ellenőrzött zónába történő belépés szabályait,
506.8. személyi állomány belépését az ellenőrzött zónába, a káresemény alkalmával.

507. A TMMT-ben szereplő valamennyi egységnek kötelező az évi legalább egyszeri helyismereti foglalkozás az érintett létesítményben.

508. A beavatkozó erők éves képzési tervében szerepeltetni kell a létesítmény TMMT-ét.

Tűzoltás, műszaki mentés vezetése

509. A technológiai létesítményben történő tűzoltói beavatkozás esetén a tűzoltás-, mentésvezető (a továbbiakban: tűzoltásvezető) a tűzoltás, mentés érdemi lépéseit köteles egyeztetni az ügyeletes mérnökkel vagy annak megbízottjával.

510. Az ügyeletes mérnök az atomerőmű nukleáris biztonságát érintő kérdésekben a tűzoltásvezető döntései felett felügyeletet gyakorolhat.

511. Az atomerőműben beavatkozó erők tűzoltásvezetésre jogosult, illetve elsődlegesen beavatkozó egységei parancsnoki állományának rendelkeznie kell az adott létesítményre vonatkozó sugárvédelmi vizsgával. Ennek költsége a létesítmény üzemeltetőjét terheli.

Riasztás

512. A sugárveszélyes munkahelyről az atomerőmű létesítményi tűzoltóságához érkezett tűzjelzés esetén a létesítményi tűzoltóság híradó-ügyeletese az egységek riasztása után köteles a riasztási lappal együtt a TMMT-t átadni a vonuló egység parancsnokának.

513. A visszajelzés tartalmától függően haladéktalanul riasztja
513.1. az atomerőmű részéről a felelős vezetőt, a dozimetriai szolgálatot, a biztonsági őrséget;
513.2. a létesítmény-tűzoltóság részéről a parancsnokot vagy az általa megbízott személyt;
513.3. jelenti az eseményt a megyei katasztrófavédelmi igazgatóság ügyeletére, aki riasztja a TMMT-ben tervezett tűzoltó erőket és eszközöket.

514. A jogszabályokban meghatározott egyéb szervezetek értesítését a létesítmény végzi.

515. A jelzés értékelése és a nukleáris létesítmény részéről az ügyeletes mérnök, illetve a dozimetriai szolgálat tájékoztatása alapján a létesítményi tűzoltóság szolgálatparancsnoka vagy a tűzoltásvezető dönt a jódprofilaxis szükségességéről.

Felderítés

516. A helyszínre érkezéskor, a felderítés megkezdése előtt a tűzoltásvezetőnek intézkedni kell a veszélyes zónán kívüli gyülekezési hely kijelöléséről.

517. A felderítés, beavatkozás megkezdése előtt a tűzoltásvezetőnek a szakszemélyzet bevonásával intézkednie kell a sugárszint, valamint a sugárterhelés ellenőrzésére, mérésére, nyilvántartására.

518. A tűzeset helyszínén a felderítést lehetőleg a II-es szer parancsnoka vagy a tűzoltásvezető által kijelölt személy és legalább még 1 fő tűzoltó, az üzemeltető szakszemélyzet lehetőség szerinti részvételével végezze.

519. Amennyiben a helyszín bonyolultsága, a megteendő intézkedések összetettsége indokolja, a tűzoltásvezető felderítő csoporto(ka)t jelölhet ki. A felderítő csoport minimális létszáma 2 fő. A felderítés szakszerű végrehajtása és ez alapján meghozott döntések felelőssége a tűzoltásvezetőt terhelik.

520. A felderítés terjedjen ki az eszközök, technológiai berendezések áramtalanításának lehetőségeire, illetve a feszültség alatti tűzoltás szükségességére, lehetőségére.

521. A tűzoltásvezetőnek a felderítés és szakértői (ügyeletes mérnök) vélemény alapján intézkednie kell a felderítésben részt vevők váltásáról, tartalékok képzéséről, ki kell oktatnia az állományt a várható hatásokról és a magatartási szabályokról.

Tűzoltás, műszaki mentés előkészítése

522. A tűzoltásvezetőnek gondoskodnia kell a sugárvédelmi szervezet szakembereivel egyeztetve, a dolgozók kimenekítésében részt vevő személyek kijelöléséről, továbbá a szakértői vélemény alapján meg kell határoznia:
522.1. a beavatkozás módját,
522.2. az alkalmazható oltóanyagot a beavatkozás során (nyitott fővízköri berendezéseknél, valamint speciális technológiai berendezéseknél, folyamatoknál, ahol az oltóanyag vagy a tűzoltás, műszaki mentésnél felhasználandó anyagok egyéb veszélyt vagy károsodást jelent e technológiai berendezésekre),
522.3. szükség esetén a kábelvágást, feszültség alatti oltást,
522.4. a szükséges védőeszközök használatát,
522.5. a beavatkozásban részt vevők működési helyét,
522.6. a bevetési helyeken a tartózkodás idejét,
522.7. a védőruházat felvételének, a sugárzásmérő-műszer használatának szükségességét,
522.8. a veszélybe került személyek mentésének sorrendjét, módját.

523. Meg kell jelölni a veszélyes zóna határát, a kontamináció helyét, és ha szükséges, gondoskodni kell annak őrzéséről.

524. Ki kell jelölni a kivont, illetve a bevetésre felkészített személyi állomány tartózkodási helyét.

Tűzoltás, műszaki mentés

525. A sugárveszélyes helyen, helyiségben a dolgozók, továbbá a tűzoltóság tagjai beavatkozást nem végezhetnek, amíg a sugárvédelmi szakember a tűzoltásra, műszaki mentésre nem adta meg az engedélyt.

526. Ez alól kivételt képez az életmentés, illetve a nagy anyagi kár elhárítása érdekében, vagy ha a kár olyan helyen, berendezésben, technológiában keletkezik melynek felszámolására a létesítményi tűzoltóság felkészült, és a beavatkozó személyek dózisterhelése folyamatosan mérhető.

527. Az oltási eljárásokat és az oltóanyagot, valamint az egyéb intézkedéseket úgy kell meghatározni, hogy azok ne vezessenek a radioaktív anyagok szétterjedéséhez, széthordásához.

528. A beavatkozásnál kerülni kell minden indokolatlan sugárterhelést és szennyeződést. Ennek érdekében a beavatkozás szervezésénél:
528.1. a gépjárművek felállítási helyét és a vízforrásokat lehetőleg a veszélyes zónán kívül kell kijelölni,
528.2. tervezni kell a veszélybe került személyek mentését, biztonságba helyezését,
528.3. a létszám és felszerelés minél rövidebb ideig tartó bevetésére kell törekedni,
528.4. a sugárforrástól lehető legtávolabbról kell végezni a beavatkozást,
528.5. a radioaktív sugárzással szemben árnyékolóként fel kell használni az építmény, illetve a terep adta lehetőségeket,
528.6. tervezni kell a tűzoltás, műszaki mentés után a bevetett erők és eszközök mentesítését.

529. Ha nincs a helyszínen az ügyeletes mérnök vagy annak megbízottja, a tűzoltásvezető csak abban az esetben adhat utasítást a tűzoltásra, műszaki mentésre, ha a helyszín alapos ismeretével, sugárveszély szempontjából előfordulható legveszélyesebb körülmények ismeretével és a szükséges felszerelésekkel rendelkezik. Ezek hiányában a környezet védelmére kell intézkednie.

530. Az állomány veszélyes zónában való tartózkodásának ideje alatt a tűzoltásvezető vagy az általa kijelölt személy köteles a sugárzásszintről folyamatosan informálódni. Ha a sugárzásszint meghaladja a veszélyes zónában való működési idő számítási alapját képező értéket, a tartózkodási időt ismételten meg kell határozni.

531. A veszélyes zónán belüli biztonságos tartózkodás idejének letelte előtt a veszélyes zónában tartózkodó állomány váltásáról és azonnali kivonásáról kell gondoskodni.

532. Veszélyeztetett területen folyó nukleárisbaleset- elhárítást, valamennyi tevékenység koordinálását a nukleárisbaleset-elhárítási operatív törzs hatáskörrel rendelkező tagjának kell átadni.

A tűzoltást, műszaki mentést követő feladatok

533. A tűzoltás, műszaki mentés befejezése után – a sugárveszélyes üzem belső előírásai alapján, az ÁNTSZ megbízottja vagy orvos közreműködésével – végre kell hajtani a beavatkozó személyi állomány és felszerelés mentesítését, a sugárszennyezettség ellenőrzését, amelyek tapasztalatairól nyilatkozatot (zárójelentést) kell készíteni.

534. Meg kell állapítani a beavatkozó állományt ért sugárzás mértékét, és intézkedni kell annak nyilvántartásba vételéről.

A feszültség alatti villamos hálózatok, berendezések, valamint működő technológiai berendezések közelében keletkezett tüzek oltása

535. A létesítményre ki kell dolgozni feszültség alatti villamos hálózatok, berendezések, valamint a működő technológiai berendezések közelében keletkezett tüzek oltására vonatkozó szabályzatot.

536. Az oltás szempontjából a berendezés feszültség alatt lévőnek tekintendő, ha annak kapcsolata a lehetséges energiaforrásokkal bizonyíthatóan nem szűnt meg, illetve nem történt meg a berendezés feszültség alá kerülésének megakadályozása.

537. A szabályzat előírásait kell alkalmazni az atomerőmű területén üzemelő kis (50–1000 V), valamint nagyfeszültségű (1000–6000 V) villamos hálózatok és berendezések tüzeinek vízzel történő oltása során olyan esetekben, amikor a berendezés leválasztása a hálózatról nem hajtható végre, illetőleg az időben megkezdett beavatkozás emberi életet menthet, vagy jelentős anyagi kár, katasztrófa bekövetkezését háríthatja el.

538. A szabályzat hatálya alá tartozó feszültség alatt lévő villamos berendezések oltását kizárólag a munka elvégzéséhez szükséges ismeretekkel rendelkező, a munkavégzéssel kapcsolatos veszélyekre, munkavédelmi szabályokra kioktatott, megfelelő elsősegély-nyújtási ismeretekkel rendelkező, vizsgát tett személy végezheti.

539. A vizsga megszerzésének alapfeltétele a speciális elméleti felkészítésen, valamint gyakorlati oktatáson való részvétel.

540. A feszültség alatti villamos hálózatok, berendezések, valamint a működő technológiai berendezések közelében keletkezett tüzek oltására csak az erre rendszeresített érvényes tanúsítvánnyal rendelkező eszköz használható.

541. A feszültség alatt lévő villamos berendezés oltása feszültség közelében történő munkavégzésnek tekintendő.

KUTATÓREAKTOROK TŰZOLTÁSI, MŰSZAKI MENTÉSI KÖVETELMÉNYEI

Általános előírások

542. A kutatóreaktor területén a tűzoltás és műszaki mentésnél a fejezetben, illetve a létesítményre készített TMMT-ben foglaltakat maradéktalanul be kell tartani.

543. Azokon a helyeken, ahol radioaktív anyagok jelenlétével – radioaktív sugárzással, radioaktív izotópos szennyeződéssel (kontaminációval) – kell számolni elsősorban a munkahely dolgozói és a hivatásos önkormányzati tűzoltóság tagjai avatkozzanak be.

544. A tűzoltóságnak nem alapfeladata a kárhelyen a sugárzó anyagok felkutatása, eltávolítása (áthelyezése), a berendezések, tárgyak mentése.

545. A kutatóreaktorok tekintetében, a magára hagyott szubkritikus reaktorállapotnál a riasztható mérnöki ügyelet beérkezési ideje 40 perc.

546. A sugárveszélyes beavatkozás során a személyi állomány részére doziméterről személyre szólóan kell gondoskodni.

547. A beavatkozó erők sugárterhelésének korlátozása az atomenergiáról szóló 1996. évi CXVI. törvény egyes rendelkezéseinek végrehajtásáról szóló 16/2000. (VI. 8.) EüM rendelet rendelkezései szerint történjen.

Tűzoltási és Műszaki Mentési Terv

548. A TMMT készítésénél figyelembe kell venni a létesítmény munkavédelmi, biztonságtechnikai szabályait, a baleset-elhárítási intézkedési tervét, a nukleáris létesítményre vonatkozó speciális előírásokat.

549. A TMMT-nek választ kell adnia az egységek kommunikációjára, a sugárterhelés mérésére, az egyes egységek önállóságának mértékére.

550. A TMMT-nek figyelemmel kell lennie a létesítmény üzemállapotára.

551. A TMMT tartalmazza:
551.1. az irányelveket a beavatkozó egységek sugárvédelmére,
551.2. irányadó szinteket a tűzoltási, műszaki mentési tevékenységre a külső sugárterhelés alapján,
551.3. a sugárterhelés ellenőrzését,
551.4. a beavatkozás szabályait sugárveszélyes területen tűzoltás, műszaki mentés során,
551.5. beléptetési pontokat az ellenőrzött zónába,
551.6. az ellenőrzött zónába történő belépés szabályait.

552. A TMMT készítéséhez szükséges információkat a kutatóreaktor üzemeltetője szolgáltatja.

553. A TMMT-ben szereplő valamennyi egységnek kötelező az évi legalább egyszeri helyismereti foglalkozás az érintett létesítményben.

554. A beavatkozó erők éves képzési tervében szerepeltetni kell a létesítmény TMMT-ét.

Tűzoltás, műszaki mentés vezetése

555. Magára hagyott szubkritikus reaktorállapotnál a riasztható ügyeletes mérnök kiérkezéséig technológiai létesítmény területén tűzoltói tevékenység nem kezdhető meg.

556. A technológiai létesítményben történő tűzoltói beavatkozás esetén a tűzoltásvezető köteles a tűzoltás érdemi lépéseit egyeztetni az ügyeletes mérnökkel vagy annak megbízottjával.

557. Az ügyeletes mérnök a kutatóreaktor nukleáris biztonságát érintő kérdésekben a tűzoltásvezető döntései felett felügyeletet gyakorolhat.

558. A létesítményben beavatkozó erők tűzoltásvezetésre jogosult, illetve elsődlegesen beavatkozó egységeinek parancsnoki állományának rendelkeznie kell az adott létesítményre vonatkozó sugárvédelmi vizsgával. Ennek költsége a létesítmény üzemeltetőjét terheli.

Riasztás

559. A létesítményben keletkezett tűz esetén az ügyeletes személyzet riasztja a reaktor üzemeltetőjét, a tűzjelzést követően végrehajtja a jogszabályokban és belső szabályzókban meghatározott egyéb szervezeteket, személyek értesítését.

560. A jelzés értékelése és az ügyeletes mérnök, illetve a dozimetriai szolgálat tájékoztatása alapján a tűzoltásvezető dönt a jódprofilaxis szükségességéről.

Felderítés

561. A helyszínre érkezéskor, a felderítés megkezdése előtt a tűzoltásvezetőnek intézkednie kell a veszélyes zónán kívüli gyülekezési hely kijelöléséről.

562. A felderítés, beavatkozás megkezdése előtt a tűzoltásvezetőnek a szakszemélyzet bevonásával intézkednie kell a sugárszint, valamint a sugárterhelés ellenőrzésére, mérésére, nyilvántartására.

563. A tűzeset helyszínén a felderítés a szakszemélyzet lehetőség szerinti részvételével történjen.

564. A tűzoltásvezetőnek a felderítés és az ügyeletes mérnök véleménye alapján intézkednie kell a felderítésben részt vevők váltásáról, tartalékok képzéséről, ki kell oktatnia az állományt a várható hatásokról és a magatartási szabályokról.

A tűzoltás, műszaki mentés előkészítése

565. A tűzoltásvezető az ügyeletes mérnök véleménye alapján határozza meg:
565.1. a beavatkozás módját,
565.2. az alkalmazható oltóanyagot a beavatkozás során,
565.3. a szükséges védőeszközök használatát,
565.4. a beavatkozásban részt vevők működési helyét,
565.5. a bevetési helyeken a tartózkodás idejét,
565.6. a védőruházat felvételének, a sugárzásmérő-műszer használatának szükségességét,
565.7. a veszélybe került személyek mentésének sorrendjét, módját.

566. Meg kell jelölni a veszélyes zóna határát, a kontamináció helyét, és ha szükséges gondoskodni kell annak őrzéséről.

567. Ki kell jelölni a kivont, illetve a bevetésre felkészített személyi állomány tartózkodási helyét.

Tűzoltás, műszaki mentés

568. A sugárveszélyes helyen, helyiségben a dolgozók, továbbá a tűzoltóság tagjai tűzoltási, műszaki mentési munkát addig nem végezhetnek, amíg az ügyeletes mérnök nem adta meg az engedélyt.

569. Az oltási eljárásokat és az oltóanyagot, valamint az egyéb intézkedéseket úgy kell meghatározni, hogy azok ne vezessenek a radioaktív anyagok szétterjedéséhez, széthordásához.

570. A beavatkozásnál kerülni kell minden indokolatlan sugárterhelést és szennyeződést. Ennek érdekében a beavatkozás szervezésénél
570.1. a gépjárművek felállítási helyét és a vízforrásokat a veszélyes zónán kívül kell kijelölni;
570.2. a feltétlenül szükséges létszám és felszerelés minél rövidebb ideig tartó bevetésére kell törekedni;
570.3. a beavatkozást a sugárforrástól lehető legtávolabbról kell végezni;
570.4. a radioaktív sugárzással szemben árnyékolóként fel kell használni az építmény, illetve a terep adta lehetőségeket.

571. Ha nincs a helyszínen az ügyeletes mérnök, a tűzoltásvezetőnek a környezet védelmére kell intézkednie.

572. Az állomány veszélyes zónában való tartózkodásának ideje alatt a tűzoltásvezető vagy az általa kijelölt személy köteles a sugárzásszintről folyamatosan informálódni. Ha a sugárzásszint meghaladja a veszélyes zónában való működési idő számítási alapját képező értéket, a tartózkodási időt ismételten meg kell határozni.

573. A veszélyes zónán belüli biztonságos tartózkodás idejének letelte előtt a veszélyes zónában tartózkodó állomány váltásáról és azonnali kivonásáról kell gondoskodni.

574. Veszélyeztetett területen folyó nukleárisbaleset- elhárítást, valamennyi tevékenység koordinálását a nukleárisbaleset-elhárítási operatív törzs hatáskörrel rendelkező tagjának kell átadni.

A tűzoltást, műszaki mentést követő feladatok

575. A tűzoltás, műszaki mentés befejezése után – a sugárveszélyes üzem belső előírásai alapján, az ÁNTSZ megbízottja vagy orvos közreműködésével – végre kell hajtani a beavatkozó személyi állomány és felszerelés mentesítését, a sugárszennyezettség ellenőrzését, amelyek tapasztalatairól nyilatkozatot (zárójelentést) kell készíteni.

576. Meg kell állapítani a beavatkozó állományt ért sugárzás mértékét, és intézkedni annak nyilvántartásba vételéről.

KIÉGETT NUKLEÁRIS FŰTŐELEMEK ÁTMENETI SZÁRAZ TÁROLÓINAK TŰZOLTÁSI, MŰSZAKI MENTÉSI KÖVETELMÉNYEI

Általános előírások

577. A Tároló területén a tűzoltás és műszaki mentésnél a fejezetben, illetve a létesítményre készített TMMT-ben foglaltakat maradéktalanul be kell tartani.

578. A tűzoltóságnak nem alapfeladata a kárhelyen a sugárzó anyagok felkutatása, eltávolítása (áthelyezése), a berendezések, tárgyak mentése.

579. A tároló tekintetében, a zárt felügyelt időszaki állapotnál a riasztható szakszemélyzeti ügyelet beérkezési ideje maximálisan 40 perc lehet.

580. A sugárveszélyes beavatkozás során a személyi állomány részére doziméterről személyre szólóan kell gondoskodni.

581. A beavatkozó erők sugárterhelésének korlátozása az atomenergiáról szóló 1996. évi CXVI. törvény egyes rendelkezéseinek végrehajtásáról szóló 16/2000. (VI. 8.) EüM rendelet rendelkezései szerint történjen.

Tűzoltási és Műszaki Mentési Terv

582. A TMMT készítésénél figyelembe kell venni a létesítmény munkavédelmi, biztonságtechnikai szabályait, a baleset-elhárítási intézkedési tervét, a nukleáris létesítményre vonatkozó speciális előírásokat.

583. A TMMT adjon választ az egységek kommunikációjára, a sugárterhelés mérésére, az egyes egységek önállóságának mértékére.

584. A TMMT legyen figyelemmel a létesítmény üzemállapotára.

585. A TMMT-nek tartalmaznia kell:
585.1. a beavatkozás során alkalmazható oltóanyagok felsorolását, azok használatának specifikus szabályait,
585.2. az irányelveket a beavatkozó egységek sugárvédelmére,
585.3. irányadó szinteket a tűzoltási, műszaki mentési tevékenységre a külső sugárterhelés alapján,
585.4. a sugárterhelés ellenőrzését,
585.5. a beavatkozás szabályait sugárveszélyes területen tüzek és káresemények felszámolására,
585.6. a beléptetési pontokat a tárolóba,
585.7. a tárolóba történő belépés szabályait.

586. A TMMT készítéséhez szükséges információkat a tároló üzemeltetője szolgáltatja.

587. A TMMT-ben szereplő valamennyi egységnek kötelező az évi legalább egyszeri helyismereti foglalkozás az érintett létesítményben.

588. A beavatkozó erők éves képzési tervében szerepeltetni kell a létesítmény TMMT-ét.

Tűzoltás, műszaki mentés vezetése

589. Zárt felügyelt időszakban a riasztható szakszemélyzeti ügyeletes kiérkezéséig a technológiai létesítmény területén tűzoltási, műszaki mentési tevékenység nem kezdhető meg.

590. A technológiai létesítményben történő tűzoltói beavatkozás esetén a tűzoltásvezető köteles a tűzoltás érdemi lépéseit egyeztetni a szakszemélyzeti ügyeletessel vagy annak megbízottjával.

591. A szakszemélyzeti ügyeletes a tároló nukleáris biztonságát érintő kérdésekben a tűzoltásvezető döntései felett felügyeletet gyakorolhat.

Riasztás

592. A létesítményben keletkezett tűz esetén az ügyeletes operátornak a tűzjelzést követően riasztania kell a szakszemélyzeti ügyeletest, illetve a belső utasítások alapján végre kell hajtania a jogszabályokban meghatározott egyéb szervezetek értesítését.

593. A jelzés értékelése és a szakszemélyzeti ügyeletes, illetve a dozimetriai szolgálat tájékoztatása alapján a tűzoltásvezető dönt a jódprofilaxis szükségességéről.

Felderítés

594. A helyszínre érkezéskor, a felderítés megkezdése előtt a tűzoltásvezetőnek intézkednie kell a veszélyes zónán kívüli gyülekezési hely kijelöléséről.

595. A felderítés, beavatkozás megkezdése előtt a tűzoltásvezetőnek a szakszemélyzet bevonásával intézkednie kell a sugárszint, valamint a sugárterhelés ellenőrzésére, mérésére, nyilvántartására.

596. A tűzeset helyszínén a felderítés a szakszemélyzet lehetőség szerinti részvételével történjen.

597. A tűzoltásvezető a felderítés és a szakszemélyzeti ügyeletes véleménye alapján intézkedjen a felderítésben részt vevők váltásáról, tartalékok képzéséről, oktassa ki az állományt a várható hatásokról és a magatartási szabályokról.

A tűzoltás, műszaki mentés előkészítése

598. A tűzoltásvezetőnek a szakszemélyzeti ügyeletes véleménye alapján meg kell határoznia:
598.1. a beavatkozás módját,
598.2. az alkalmazható oltóanyagot a beavatkozás során,
598.3. a szükséges védőeszközök használatát,
598.4. a beavatkozásban részt vevők működési helyét,
598.5. a bevetési helyeken a tartózkodás idejét,
598.6. a védőruházat felvételének, a sugárzásmérő-műszer használatának szükségességét,
598.7. a veszélybe került személyek mentésének sorrendjét, módját.

599. Meg kell jelölni a veszélyes zóna határát, a kontamináció helyét, és ha szükséges gondoskodni kell annak őrzéséről.

600. Ki kell jelölni a kivont, illetve a bevetésre felkészített személyi állomány tartózkodási helyét.

601. A kiégett üzemanyagot tartalmazó térrészekben vízzel, illetve vízalapú oltóanyaggal történő oltás nem alkalmazható.

Tűzoltás, műszaki mentés

602. A sugárveszélyes helyen, helyiségben a dolgozók, továbbá a tűzoltóság tagjai tűzoltási, műszaki mentési munkát addig nem végezhetnek, amíg a szakszemélyzeti ügyeletes nem adta meg az engedélyt.

603. Az oltási eljárásokat és az oltóanyagot, valamint az egyéb intézkedéseket úgy kell meghatározni, hogy azok ne vezessenek a radioaktív anyagok szétterjedéséhez, széthordásához.

604. A beavatkozásnál kerülni kell minden indokolatlan sugárterhelést és szennyeződést. Ennek érdekében a beavatkozás szervezésénél
604.1. a gépjárművek felállítási helyét a veszélyes zónán kívül kell kijelölni;
604.2. a feltétlenül szükséges létszám és felszerelés minél rövidebb ideig tartó bevetésére kell törekedni;
604.3. a beavatkozást a sugárforrástól lehető legtávolabbról kell végezni;
604.4. a radioaktív sugárzással szemben árnyékolóként fel kell használni az építmény, illetve a terep adta lehetőségeket.

605. Ha nincs a helyszínen a szakszemélyzeti ügyeletes, a tűzoltásvezető a környezet védelmére kell, hogy intézkedjen.

606. Az állomány veszélyes zónában való tartózkodásának ideje alatt a tűzoltásvezető vagy az általa kijelölt személy köteles a sugárzásszintről folyamatosan informálódni. Ha a sugárzásszint meghaladja a veszélyes zónában való működési idő számítási alapját képező értéket, a tartózkodási időt ismételten meg kell határozni.

607. A veszélyes zónán belüli biztonságos tartózkodás idejének letelte előtt a veszélyes zónában tartózkodó állomány váltásáról és azonnali kivonásáról kell gondoskodni.

608. Veszélyeztetett területen folyó nukleárisbaleset- elhárítást, valamennyi tevékenység koordinálását a nukleárisbaleset-elhárítási operatív törzs hatáskörrel rendelkező tagjának kell átadni.

A tűzoltást, műszaki mentést követő feladatok

609. A tűzoltás, műszaki mentés befejezése után – a sugárveszélyes üzem belső előírásai alapján, az ÁNTSZ megbízottja vagy orvos közreműködésével – kell végrehajtani a beavatkozó személyi állomány és felszerelés mentesítését, a sugárszennyezettség ellenőrzését, amelyek tapasztalatairól nyilatkozatot (zárójelentést) kell készíteni.

610. Meg kell állapítani a beavatkozó állományt ért sugárzás mértékét, és intézkedni kell annak nyilvántartásba vételéről.

1. számú függelék
a Szabályzathoz


A TMMT főbb tartalmi követelményei

1. A TMMT-t úgy kell elkészíteni, hogy az tartalmilag és formailag összhangban legyen az RST-vel, továbbá összhangba kell hozni a létesítmény biztonságára vonatkozó egyéb tervekkel (veszélyelhárítási, tűzriadó, őrzésbiztonsági stb.) is.

2. A TMMT tartalmi követelményeit a tűzoltásra minden esetben, a műszaki mentésekre értelemszerűen kell betartani.

3. A TMMT tartalmazza az adatszolgálatatásra vonatkozó szöveges részt, a létesítmény helyszínrajzát – a közművek jelölésével és a szerek felállítási helyével – és az épületek helyszínrajzát a közművek szakaszolási lehetőségeivel.

4. A TMMT szöveges rész tartalmi követelményei
4.1 a létesítményre vonatkozóan
4.1.2 megnevezése,
4.1.3 címe, telefonszáma,
4.1.4 tevékenységi köre, technológiája,
4.1.5 tűzvédelmi és más műszaki vonatkozásban illetékes személyekkel, társszervekkel kapcsolatos információk (értesítés stb.);
4.2 a megközelítési útvonal(ak)ra vonatkozóan
4.2.1 a vonulási útvonal és a vonulást akadályozó, befolyásoló tényezők, amelyek az RST-ben nem szerepelnek,
4.2.2 a vonulási távolság és a vonulási idő közvetlenül a létesítményhez;
4.3 jelentkezési, bevetési hely, a bevetésre tervezett erők megérkezésekor a jelentkezési pont(ok);
4.4 a menekülési és mentési útvonalak, azoknak az útvonalaknak a meghatározása, kijelölése, amelyeken az életmentés, illetve kiürítés végrehajtható;
4.5 a tűzveszélyességi osztályba sorolás
4.5.1 a létesítmény tűzveszélyességi osztálya,
4.5.2 az ,,A''–,,B'' tűzveszélyességi osztályba tartozó építmények, helyiségek, szabadterek megnevezése, elhelyezkedése;
4.6 a létesítmény tűzoltás taktikailag fontos sajátosságai
4.6.1 a közműhálózattal (víz-, villany-, gáz-, sűrítettlevegő-, csatornahálózat stb.) kapcsolatos, tűzoltás szempontjából fontos információk,
4.6.2 a tűzoltást és műszaki mentést meghatározó (befolyásoló) technológiai folyamatok, építési és egyéb sajátosságok,
4.6.3 a beépített tűzjelző-, -oltóberendezések, tűzvédelmi és műszaki mentéshez szükséges eszközök telepítése, elhelyezkedése működésükhöz szükséges intézkedések;
4.7 a legnagyobb veszélyforrás
4.7.1 megnevezése, elhelyezkedése (helyszínrajzon kiemelten feltüntetve),
4.7.2 a tűzoltás és műszaki mentés szempontjából a veszélyforrás sajátosságai;
4.8 a balesetveszély elhárítása
4.8.1 a veszélyforrások elhárításának előre tervezhető feladatai (pl. füstmentesítés, robbanásveszély, omlásveszély megszüntetése stb.),
4.8.2 a bekövetkezhető balesetekre vonatkozó elsősegélynyújtás, orvosi ellátás biztosítása;
4.9 az erő-, eszköz- és oltóanyagigény a legtöbb erőt, eszközt és oltóanyagot igénylő veszélyforrások megnevezése és helye (a helyszínrajzokon is jelölve);
4.10 az oltóanyagforrások
4.10.1 az oltóvízforrások elhelyezkedése (helyszínrajzokon is jelölve) vízhozamuk megjelölésével, az esetleges tartalékforrások,
4.10.2 a helyszínen tárolt (készletezett) egyéb oltóanyagok és műszaki mentéshez szükséges anyagok hozzáférhetősége, mennyisége, fajtája, minősége, bevethetőségük lehetőségei;
4.11 a helyszínen található oltóeszközök, műszaki mentési eszközök, létszám a létesítmény erő- és munkagépei, egyéb eszközei, valamint a technikai személyzet és a munkahelyi polgári védelmi szervezet igénybevételi lehetősége;
4.12 a tűzoltás, műszaki mentés
4.12.1 a legtöbb erőt, eszközt, oltóanyagot igénylő tűz, műszaki mentés helyszínének megjelölése,
4.12.2 az irányítási mód meghatározása,
4.12.3 a felderítés lehetséges módozatai,
4.12.4 az életmentés végrehajtásának lehetőségei,
4.12.5 a robbanásveszély elhárítása, tűzoltás, műszaki mentés feladatai,
4.12.6 a tevékenységek előre jól tervezhető részeinek kidolgozása,
4.12.7 a hírforgalom megszervezése, az információk továbbításának rendje,
4.12.8 a társszervekkel való együttműködés tervezése (mentők, rendőrség, polgári védelem, katasztrófavédelem, létesítmény szakemberei stb.);
4.13 egyéb – a 4.1–4.12 pontokban nem szereplő – tevékenységek, információk, amelyek a beavatkozás során jelentősséggel bírnak (radioaktív sugárvédelemre vonatkozóan).

2. számú függelék
a Szabályzathoz


A tűzoltóság részére tartandó gyakorlatok rendszere, szervezése és ellenőrzése

Általános előírások

1. A tűzoltóság állománya részére a továbbképzés keretében e függelékben meghatározott gyakorisággal gyakorlatokat kell tartani. A gyakorlat megszervezésért, lebonyolításáért, az állomány részvételéért a szervező parancsnok a felelős.

2. A gyakorlatok során a parancsnoki és a végrehajtó állománynak az elméletben elsajátított ismeretanyagot kell begyakorolnia. A gyakorlatokat úgy kell tervezni és végrehajtani, hogy azok során az állomány megfelelő ismeretet, jártasságot, illetőleg készséget szerezzen. A gyakorlatok tervezésénél, végrehajtásánál a tűzesetek és műszaki mentések tapasztalatait is hasznosítani kell.

3. A gyakorlatok célja
3.1 az állomány elméleti ismereteinek begyakorlása, kiegészítése,
3.2 a szerelési biztonság fejlesztése,
3.3 az állomány megismertetése a működési területén a nyilvántartásba vett, de különösen az ,,A'' és ,,B'' tűzveszélyességi osztályba sorolt, valamint a nagy tömegek befogadására alkalmas létesítményekkel és a kapcsolódó TMMT-ben foglaltakkal,
3.4 a határozott, magabiztos, magas fokon szervezett beavatkozásra való felkészítés,
3.5 az állomány megismertetése a tűzeseteknél és műszaki mentéseknél előforduló rendkívüli körülmények közötti (füst, égéstermék, mérgező gőzök-gázok, hősugárzás, stb.) feladatellátással,
3.6 a szervező és irányító parancsnoki állomány gyakorlatszerzése a társszervekkel való együttműködés, valamint a magasabb szintű irányítás különböző formáiban.

4. A gyakorlatok fajtái
4.1 vezetési gyakorlat,
4.2 szerelési gyakorlat,
4.3 begyakorló gyakorlat,
4.4 ellenőrző gyakorlat,
4.5 vezetési törzsgyakorlat,
4.6 tűzoltási gyakorlat,
4.7 katasztrófa-felszámolási együttműködési gyakorlat.

5. Helyismereti foglalkozást kell tartani
5.1 a begyakorló gyakorlat végrehajtása előtt,
5.2 az ellenőrző gyakorlat végrehajtása után szükség szerint,
5.3 a tűzoltási gyakorlatot megelőzően a beosztott állomány számára,
5.4 vezetési törzsgyakorlat szervezésekor esetenként a feladat ismertetése előtt, szükség szerint, az annak megoldására bevontak számára,
5.5 katasztrófa-felszámolási együttműködési gyakorlat szervezésekor a meghatározott résztvevők számára.

6.1 A helyismereti foglalkozást szervező parancsnok rendelkezzen olyan helyismerettel, amely az adott létesítményben bekövetkezett tűzeset és műszaki mentés felszámolásához szükséges vezetés, végrehajtás gyakoroltatását lehetővé teszi.
6.2 A helyismereti foglalkozás terjedjen ki minden olyan körülményre, ami a tűzoltóság tevékenységét, beavatkozását befolyásolhatja.

7. Azon gyakorlatok esetében, amelyeken tűzgyújtás is történik, a tervet a környezetvédelmi hatósággal egyeztetni, illetve engedélyeztetni szükséges a hatályos környezetvédelmi jogszabályok alapján.

8. A gyakorlatok végrehajtását és ellenőrzését dokumentálni kell.

A gyakorlatok

A vezetési gyakorlat

9.1 A hivatásos és önkéntes tűzoltóságok gépjárművezetői részére a parancsnok által szükségesnek tartott mértékben, írásban meghatározott óraszámban vezetési gyakorlatot kell tartani.
9.2 A gyakorlat összeköthető helyismereti foglalkozással és tűzcsap-ellenőrzéssel, vagy egyéb feladatellátással is.
9.3 A gyakorlatot a tűzoltási és műszaki mentési osztályvezető és a parancsnok rendszeresen ellenőrizze.

A szerelési gyakorlat

10.1 A szerelési gyakorlatok célja a rendszeresített és a tűzoltás és műszaki mentés során alkalmazandó tűzoltó felszerelések, eszközök használatának, a végrehajtás fogásainak elsajátítása.
10.2 A gyakorlatok szervezése – a továbbképzési tematikában foglaltak szerint – a tűzoltási és műszaki mentési osztályvezető, az önkéntes és a nem főfoglalkozású létesítményi tűzoltóságnál pedig a parancsnok feladata.
10.3 A napirendben foglalt gyakorlatok irányítása a szolgálatparancsnok, illetőleg szerparancsnok feladata.
10.4 A gyakorlatot a Szerelési Szabályzat (illetve Kezelési Utasítás) rendelkezése szerint kell végrehajtani.
10.5 A gyakorlat végrehajtása általában a laktanya udvarán vagy a gyakorlópályán történik. Amennyiben itt nem áll rendelkezésre a szerelési gyakorlat végrehajtásához szükséges felszerelés, eszköz (pl. tűzcsap, kút stb.) a gyakorlatot a szükséges feltételekkel rendelkező létesítményben, illetve helyen kell tartani.
10.6 A műszaki mentések (pl. villamos emelése) elemeinek begyakorlása, továbbá a műszaki mentő, darus, áramfejlesztő, habbal oltó, porral oltó gépjármű, gépezetes tolólétra, a műszaki mentőbázis szerei, a kisgép (pl. roncsvágó, láncfűrész stb.) a szivattyúkezelési, valamint a füstkamra gyakorlat is szerelési gyakorlatnak minősül.
10.7 A szolgálatparancsnok (szerparancsnok) gyakorlatvezetői tevékenységét a parancsnok, illetve a tűzoltási és műszaki mentési osztályvezető rendszeresen ellenőrizze.

A begyakorló gyakorlat

11.1 A gyakorlat célja a létesítmény területén a különböző tervekben foglaltak alapján a rajok együttműködésének begyakoroltatása, valamint az elsajátított elméleti, szerelési ismeretek gyakorlati alkalmazása meghatározott taktikai feltételek, körülmények között.
11.2 A tűzoltóságok mindegyik szolgálati csoportja részére negyedévenként, a parancsnok által meghatározott időben kell begyakorló gyakorlatot szervezni a napi szolgálati létszám lehetőség szerinti részvételével.
11.3 Az önkéntes tűzoltóságok esetén – amennyiben nem szolgálati csoportokra tagozódnak – lehetővé kell tenni, hogy negyedévenként minden tűzoltó részt vegyen begyakorló gyakorlaton.
11.4 A nem főfoglalkozású tűzoltóságok – minden tag részvételével – évente kötelesek begyakorló gyakorlatot tartani, ezen túl pedig kötelesek részt venni a hivatásos és önkéntes tűzoltóságok begyakorló gyakorlatain is.
11.5 A gyakorlatra a tűzoltás, a műszaki mentés egyes témaköreinek elméleti feldolgozása után kerülhet sor, olyan létesítményben (új vagy jelentősen átépített üzem, intézmény, lakótelep stb.), amely megfelel a témakör gyakoroltatására.
11.6 A gyakorlatot a szolgálatparancsnok szervezi és tartja a helyi erők és eszközök bevonásával, amit a tűzoltási és műszaki mentési osztályvezető köteles rendszeresen ellenőrizni. A segítségnyújtásra tervezett egység riasztását elméletben is végre lehet hajtani.
11.7 A gyakorlatok végrehajtását a tűzoltóság parancsnoka szolgálati csoportonként (a 11.3 pontban említett esetben a parancsnok minden alkalommal) legalább félévenként, a megyei igazgató (fővárosi tűzoltóparancsnok) vagy az igazgatóság állományából az általa megbízott személy évenként és egységenként egy alkalommal köteles ellenőrizni.
11.8 A gyakorlatokat nappal, oltóanyag használata nélkül kell szervezni, végrehajtásába a létesítményi tűzoltóságot be kell vonni.

Az ellenőrző gyakorlat

12.1 A gyakorlat célja a szerelési és begyakorló gyakorlatokon elsajátított ismeretek ellenőrzése, a tűzoltás (műszaki mentés) vezetésének, a tűzoltásnál szervezhető beosztási feladatok gyakorlása, a kapcsolatos ismeretek ellenőrzése. Az ellenőrző gyakorlat legyen alkalmas a tűzoltóságok tűzoltásba, műszaki mentésbe bevonható személyi állománya elméleti, gyakorlati ismereteinek, a felszerelések üzembiztonságának megítélésére, az RST-ben, a TMMT-ben, valamint a szabályzatokban meghatározott feladatok ismeretének felmérésére.
12.2 A tűzoltóságon a parancsnok vagy helyettese köteles félévenként valamennyi szolgálati csoport részére egy-egy ellenőrző gyakorlatot szervezni és tartani, amelyek közül az egyiknek nappalinak, a másiknak éjszakainak kell lennie.
12.3 Az önkéntes tűzoltóság esetén – amennyiben nem szolgálati csoportokra tagozódnak – lehetővé kell tenni, hogy félévenként minden tűzoltó részt vegyen ellenőrző gyakorlaton.
12.4 A nem főfoglalkozású tűzoltóság nem köteles ellenőrző gyakorlatot tartani, de a hivatásos és önkéntes tűzoltóságok által szervezett ellenőrző gyakorlaton kötelesek részt venni.
12.5 Az ellenőrző gyakorlatok végrehajtását évenként legalább egyszer a fővárosi parancsnok, megyei igazgató, évenként és egységenként pedig az általuk kijelölt személy ellenőrizze.
12.6 A Fővárosi Tűzoltó-parancsnokság és megyei igazgatóság szolgálati csoportonként évente egy ellenőrző gyakorlatot szervezzenek. Ezen ellenőrző gyakorlatok riasztási fokozata legalább III-as legyen.
12.715 Az OKF által elrendelt ellenőrző gyakorlat riasztási fokozatát a gyakorlatvezető esetenként határozza meg.
12.8 az ellenőrző gyakorlatra történő riasztás a tűzjelzést követően ,,GYAKORLATRA RIASZTÁS'' közléssel történjen. A rajok a vonuláskor a megkülönböztető jelzést nem használhatják.
12.916 Az OKF által szervezett ellenőrző gyakorlat jelzése a tűzjelzéssel azonosan élesben is történhet. Ide tartozik az RST szerinti állomány összevonásának ellenőrzése is.
12.10 Az ellenőrző gyakorlatot meg kell ismételni, ha a végrehajtás során a 18. pontban felsorolt hiba fordult elő.
12.11 A tűzoltóság által szervezett ellenőrző gyakorlatokra a segítséget nyújtó erőket be kell tervezni, de a riasztásukat elméletben is végre lehet hajtani.
12.12 A gyakorlaton a gyakorlatvezető által meghatározott oltóanyagokat kell használni, amelynek során figyelembe kell venni a létesítmény sajátosságait és a környezet jellemző paramétereit (pl. hőmérséklet).

A vezetési törzsgyakorlat

13.1 A gyakorlat célja a tűzoltás vezetésére jogosultak – a szolgálatparancsnoki beosztástól kezdődően a magasabb beosztásúak – szervező, irányító munkájának, tűzoltó taktikai, technikai ismereteinek továbbfejlesztése, a kapcsolatos ismereteik ellenőrzése.
13.2 A gyakorlat terepasztalon, rajzban szemléltetett, összetett feladat, amely ,,vezetési törzs'' irányítást feltételez. Megoldása tanteremben, bármilyen segédlet (szakirodalom, szabályzat) felhasználásával történik, amelyet bármilyen riasztási fokozatnak megfelelő, a feladat egy konkrét részére vagy egészére kiterjedő ellenőrző gyakorlat is követhet.
13.3 Vezetési törzsgyakorlatot szervezhet a főigazgató, a főigazgató veszélyhelyzet-kezelési helyettese (vagy az általuk megbízott személy), illetve a fővárosi tűzoltóparancsnok és a megyei igazgató. A gyakorlat tematikáját az országos főigazgató hagyja jóvá. A főigazgató által szervezett gyakorlat több megye állományát is érintheti.
13.4 Vezetési törzsgyakorlatot évenként egy alkalommal a fővárosi parancsnok, illetve megyei igazgató szervezzen.
13.5 A vezetési törzsgyakorlat a helyismereti foglalkozásból (szükség szerint), a feladat ismertetéséből (feltevés vázlatrajzon, írásban), a megoldásból (írásban és rajzon) és a megoldások értékeléséből áll.

A tűzoltási gyakorlat

14.1 A gyakorlat célja a választott anyag égésének körülményeihez (erős füst, nagy hőterhelés stb.) szoktatni a készenléti állományt és gyakoroltatni a legcélszerűbb oltási eljárás, eszköz, oltóanyag alkalmazását. A tűzoltási gyakorlat végrehajtása előtt a készenléti állománnyal a taktikai elveket, a szakszerű beavatkozás, magatartás szabályait ismertetni kell. Tűzoltási gyakorlat szervezhető annak ellenőrzésére is, hogy a készenléti állomány kellően ismeri-e a védett területeken raktározott, feldolgozott, gyártott éghető anyagok oltásával kapcsolatos taktikai, magatartási stb. szabályokat, az éghető anyagok viselkedését, veszélyeit, jellemzőit, az alkalmazható oltási eljárásokat.
14.2 Tűzoltási gyakorlatot a Fővárosi Tűzoltó-parancsnokság, megyei igazgatóság, valamint a Repülőtéri Katasztrófavédelmi Igazgatóság szükség szerint szervezzen.
14.3 A gyakorlat a szükség szerinti erők, eszközök részvételével, kijelölt tűzoltásvezető irányításával történjen, a tűzoltó gyakorlótéren vagy erre kijelölt más helyen, a biztonsági és a környezetvédelmi előírások megtartásával.

Katasztrófa-felszámolási együttműködési gyakorlat

15.1 Az előfordulható katasztrófák felszámolására tartott gyakorlatokon a társszervek illetékes vezetőinek felkérésére a tűzoltóság az elsődleges működési körzetében (működési területén) működési területén köteles részt venni.
15.2 Katasztrófa-felszámolási együttműködési gyakorlatokat a tűzoltóságok és a katasztrófavédelmi szervek szükség szerint szervezzenek.
15.3 A gyakorlat tematikáját a főigazgató hagyja jóvá.

Vegyes rendelkezések

16. A gyakorlatok a létesítmény termelését, munkáját nem akadályozhatják.

17. A gyakorlat rádióforgalma a tűzoltás és műszaki mentés rádióforgalmát nem zavarhatja, nem befolyásolhatja.

18. A gyakorlatvezető a gyakorlatot köteles leállítani, ha
18.1 nem a kapott utasításnak megfelelően avatkoztak be,
18.2 a gyakorlat alkalmával olyan hibát követnek el, ami a valóságos esetben élet-, tűz- vagy robbanásveszélyt okozna,
18.3 a gyakorlat végrehajtása közben baleset történt, vagy
18.4 a részt vevő rajokat tűzesethez, műszaki mentéshez riasztják.

19. Visszaszerelés előtt a beavatkozás végrehajtásának minőségét az irányító parancsnok ellenőrizze.

20. A gyakorlat befejezése után a vízforrások üzemképességéről és az egyéb oltóanyagok elérhetőségéről meg kell győződni.

21. A gyakorlatokat a befejezésük után a helyszínen szóban értékelni kell a beosztásoknak megfelelő differenciálással. Írásban kell értékelni a gyakorlatot, ha annak tapasztalatai feladatok meghatározását igénylik. Az értékelés terjedjen ki
21.1 a riasztási fokozat(ok) megválasztására,
21.2 a vonulásra,
21.3 a felderítésre,
21.4 a beavatkozásokra,
21.5 a tűzoltásra, műszaki mentésre, szükség szerint annak részfeladataira,
21.6 az irányítás szervezésére,
21.7 az oltóanyag biztosítására,
21.8 a külső és a belső hírforgalomra,
21.9 a beosztottak magatartására,
21.10 a beavatkozáshoz kapcsolódó egyéb feladatok végrehajtására,
21.11 a kapcsolatos tervek szakszerűségére és hatékonyságára.

22. A gyakorlat írásban történt értékelését, megállapításait csatolni kell a gyakorlattervhez.

23. A szolgálatparancsnokok, a szerparancsnokok, valamint a raj beosztottainak munkáját személy szerint kell értékelni.

24. Ha a raj a szolgálati napján szerelési gyakorlatnál magasabb szintű gyakorlaton vett részt, vagy többórás tűzoltási, műszaki mentési tevékenységet végzett, a szerelési gyakorlat végrehajtása alól az egység parancsnoka felmentést adhat. Ezt az oktatási naplóba be kell jegyezni.

25. A 24. pontban fel nem sorolt, egyéb ok miatt elmaradt gyakorlatot 30 napon belül meg kell tartani.

26. A Magyar Honvédség objektumaiban a gyakorlatokat a vonatkozó BM–HM közös utasítás, vagy ennek hiányában az illetékes szervek eseti megállapodása alapján kell szervezni.

27. A minősített időszaki felkészítéssel összefüggő gyakorlatok szervezésére, megtartására a hatályos utasításokban foglalt rendelkezések az irányadók.

3. számú függelék
a Szabályzathoz


A tűzoltóság tűzeseti és műszaki mentési jelentőszolgálata, valamint adatszolgáltatási kötelezettségének rendje

1. Főügyelet, a megyei igazgatóságok ügyeletei és a tűzoltóságok ügyeleti szolgálatai látják el a tűzoltási, műszaki mentési tevékenység koordinálásával összefüggő, valamint a tűzoltósággal kapcsolatos rendkívüli készenléti és egyéb rendkívüli esemény (rendkívüli állapot, szükségállapot és veszélyhelyzet) időszakában a tűzoltóságra háruló riasztási, értesítési, készültségbe helyezési és tájékoztatási feladatokat.

2. A tűzoltóság a jelentőszolgálati kötelezettség körébe tartozó eseményeket, az események következményeinek elhárítására tett intézkedéseket a rendelkezésre álló híradóeszközök felhasználásával ügyelete útján, a megyei katasztrófavédelmi igazgatóság ügyeletén keresztül jelenti a Főügyeletnek.

3. A Főügyelet a jelentési kötelezettség körébe tartozó eseményekről az érintett tűzoltóságok ügyeleteitől közvetlenül is kérhet tájékoztatást.

4. A Főügyeletnek az RST végrehajtásával és a rendkívüli eseményekkel kapcsolatos utasításait minden ügyelet köteles végrehajtani.

A jelentési kötelezettség teljesítése körébe tartozó események

5. A tűzoltóság személyi állományával kapcsolatosan
5.1 az államtitok és a szolgálati titok megsértése;
5.2 a parancs iránti engedetlenség;
5.3 ha bűncselekmény vagy abban való részvétel gyanúja miatt a tűzoltóság tagját őrizetbe vették, vagy előzetes letartóztatásba helyezték;
5.4 a szerv beosztottjainak közlekedési vagy üzemi jellegű balesete, ha az
5.4.1 a sérült halálát,
5.4.2 kettőnél több személy egyszerre (egy időben) történő sérülését vagy más egészségkárosodását,
5.4.3 az orvosi vélemény alapján életveszélyes sérülést,
5.4.4 súlyos csonkolásos balesetet (hüvelykujj vagy a kéz, illetve a láb két vagy több ujja nagyobb részének elvesztését, továbbá az ennél súlyosabb eseteket),
5.4.5 érzékszerv (látás, hallás stb.), illetve beszélőképesség elvesztésével járt,
5.4.6 feltűnő torzulást, bénulást, illetőleg elmezavart okozott;
5.5 tömeges – öt vagy annál több személy – mérgezése, fertőző, járványos megbetegedése, ha a betegek elkülönítését az egészségügyi szerv elrendelte;
5.6 az öngyilkosság vagy annak kísérlete;
5.7 a tűzoltóság hivatásos állományú tagjának elhalálozása.

6.17 A tűzesetek és műszaki mentések közül
6.1 az Országgyűlés, a Köztársasági Elnöki Hivatal, Miniszterelnöki Hivatal, minisztériumok, központi államigazgatási szervek, Alkotmánybíróság, Állami Számvevőszék, Legfelsőbb Bíróság, Legfőbb Ügyészség, a megyei (fővárosi) közgyűlés, a Kormány általános hatáskörű területi államigazgatási szerve, az országos társadalmi, politikai szervezetek és az egyházak országos jelentőségű épületeiben, gépjárműveiben, hivatali helyiségeiben, valamint e szervek első számú vezetőinek lakásában keletkezett tűzeset, robbanás vagy egyéb a tűzoltóság beavatkozását igénylő műszaki mentés, riasztási fokozatra való tekintet nélkül;
6.2 a Köztársasági Őrezred által biztosított hazai és hazánkba érkező külföldi személy szálláshelyén, hivatali helyiségében, gépjárművében keletkezett tűzeset, robbanás vagy egyéb a tűzoltóság beavatkozását igénylő tűzesetet, műszaki mentés, riasztási fokozatra való tekintet nélkül;
6.3 a fegyveres szervek, illetve diplomáciai testületek épületeiben történt tűzeset, robbanás vagy egyéb a tűzoltóság beavatkozását igénylő műszaki mentés;
6.4 parlamenti képviselő, közéleti szereplő lakásában, hivatali épületében, gépjárművében keletkezett tűzeset, műszaki mentés riasztási fokozatra való tekintet nélkül;
6.5 az olyan nagy jelentőségű káreset (földrengés, árvíz, épületomlás, olaj-, földgázkitörés stb. vagy baleset (légi, vízi, vasúti, közúti, üzemi) ahol a tűzoltóság beavatkozott és, amelynek során halálos vagy tömeges (öt vagy annál több személy) sérülés vagy III-as riasztási fokozatnak megfelelő erők működtek, továbbá az állampolgárok életében jelentős fennakadást okozott;
6.6 közveszélyokozásnak nem minősülő tűzeset, robbanóanyag, robbanószer, sugárzó vagy más anyag, illetve energia hatására keletkezett baleset akkor, ha halálos vagy tömeges sérülés vagy adott helyen III-as riasztási fokozatnak megfelelő erők működtek, vagy különösen nagy kárral járó tűzeset, műszaki mentés történt;
6.7 egyéb olyan jellegű tűzeset, műszaki mentés, ahol sugárfertőzés veszélye áll fenn vagy a tűzoltás, műszaki mentés, sugárzó anyag jelenlétében, vagy a beavatkozás diplomáciai testület tagjainak járműveinél vagy ha az esemény a Metró, Millenniumi Vasút vagy HÉV föld alatti részén keletkezett;
6.8 a rombolásból, kártevésből keletkezett tűzeset, robbanás, más káreset riasztási fokozatra való tekintet nélkül, ha közveszélyokozás lehetősége áll fenn, közérdekű üzem működésének megzavarása, a terrorcselekmény, valamint légi jármű hatalomba kerítése;
6.9 olyan tűzoltással, műszaki mentéssel kapcsolatos esemény – riasztási fokozatra való tekintet nélkül – ami a lakosság, illetve a tömegtájékoztatás figyelmét felkeltheti (veszélyes anyaggal kapcsolatos baleset, műemlék épületekben keletkezett az esemény, stb.);
6.10 szomszédos országokból érkezett segítségkérés, tűzjelzés, államhatáron átterjedő tűzeset;
6.11 légi jármű balesetéhez, illetve bajba jutott légijárműhöz történő riasztás.

7. A tűzoltóság felszerelésére, eszközeire vonatkozóan
7.1 a tűzoltóság létesítményeiben, anyagi eszközeiben (tűz, robbanás, beomlás stb.) történt károsodás, ha a keletkezett kár értéke előreláthatólag jelentős;
7.2 a tűzoltó jármű balesete – kárértékre való tekintet nélkül –, ha a jármű rendeltetésének megfelelően készenlétben nem tartható;
7.3 az országosan riasztható gépjárművek vonultathatóságában bekövetkezett változásokat, valamint a tűzoltóság oltóanyagkészletében bekövetkezett jelentős változást.

8. Egyéb eseményekre vonatkozóan azonnal
8.1 rendkívüli állapot, szükségállapot, veszélyhelyzet időszakában a tűzoltóságnak jelentenie kell a minősített időszakra kidolgozott intézkedések végrehajtásának helyzetét, az ezekkel összefüggő eseményeket, adatokat;
8.2 a főigazgatónál magasabb beosztású személy által a tűzoltóságon tartott ellenőrzés, szemle vagy látogatás esetén jelenteni kell a személy nevét, beosztását, észrevételeit, utasításait;
8.318 a főigazgató, a helyettesei és az OKF ellenőrző elöljárói által végrehajtott parancsnoki szemle, ellenőrzés, készenléti szolgálat ellenőrzése.

A jelentési kötelezettség teljesítése

9.1 A rendkívüli események fontosabb adatait, tényeit ellenőrzés után távbeszélőn haladéktalanul, majd az élet és értékek mentése, veszélyhelyzet elhárítása érdekében tett további intézkedéseket távbeszélőn folyamatosan kell jelenteni.
9.2 Azonnal jelenteni kell a tűzesetet és műszaki mentést, ha
9.2.1 haláleset történt,
9.2.2 öt vagy annál több személy súlyos sérülést szenvedett,
9.2.3 a helyszínre IV-es vagy annál magasabb riasztási fokozat elrendelése történt,
9.2.4 szomszédos országból érkezett segítségkérést, tűzjelzést, államhatáron átterjedő tűzesetet,
9.2.5 légi jármű balesetéhez, illetve bajba jutott légijárműhöz történő riasztást.
9.3 A tűzesetekre és műszaki mentésekre vonatkozóan a tények és adatok megállapítása, ellenőrzése, valamint a szükséges intézkedések megtétele után, a beérkezést követő két órán belül a Tűzeseti / Műszaki mentési jelentés adatlap felhasználásával kell teljesíteni.
9.4 A személyi állományra, a tűzoltóság felszereléseire vonatkozó rendkívüli eseményeket az arra rendszeresített nyomtatványokon kell jelenteni két órán belül azt követően, hogy az esemény a tűzoltóság tudomására jutott.
9.5 A rendkívüli események vizsgálata közben vagy a vizsgálat befejezése után az adatok esetleges változását, illetőleg a véglegesen megállapított adatokat kiegészítő jelentésként haladéktalanul jelenteni kell.
9.6 A tűzoltóság ügyeletei kötelesek haladéktalanul tájékoztatni a társszervek ügyeleteit azok hatáskörébe tartozó intézkedést igénylő rendkívüli eseményekről.

Adatszolgáltatási kötelezettség

10.1 A hivatásos és az önkéntes tűzoltóságok tűzoltási, műszaki mentési, valamint tűzmegelőzési tevékenységükből kötelesek rendszeresen adatokat szolgáltatni.
10.2 Az adatszolgáltatási kötelezettség teljesítésének rendjét, időszakait, valamint az alkalmazandó adatlapok tartalmát a főigazgató határozza meg.
10.3 A szolgáltatott jelentések, adatok kezelése, felhasználása, továbbítása során a titokvédelemre, valamint a személyes adatok védelmére vonatkozó szabályokat be kell tartani.

4. számú függelék
a Szabályzathoz19


A tűzoltóságnál készenléti jellegű szolgálatot ellátók szolgálatszervezésének szabályai

1. Alapfogalmak
1.1. Egység: a tűzoltóság tűzoltási és műszaki mentési szolgálat ellátására szervezett létszáma és rendszeresített felszerelése.
1.2. Szolgálati csoport: a tűzoltóság tűzoltási és műszaki mentési szolgálat ellátására szervezett napi készenléti létszáma, amelynek parancsnoka a szolgálatparancsnok.
1.3. Szakasz: a tűzoltás és műszaki mentés szervezetének az a zárt része, amelyet az azonos vagy szorosan kapcsolódó taktikai feladato(ka)t végrehajtó rajokból szerveznek és a szakaszparancsnok irányítja.
1.4. Raj: a tűzoltás és műszaki mentés szervezetének taktikai része, amely a rendelkezésre álló eszközeivel önálló beavatkozásra képes, létszáma 1+5 fő.
1.4.1. Csökkentett raj: a tűzoltás és műszaki mentés szervezetének olyan taktikai része, amely a rendelkezésre álló eszközeivel önálló beavatkozásra képes, létszáma 1+4 fő.
1.4.2. Félraj: a tűzoltás és műszaki mentés szervezetének olyan taktikai része, amely a rendelkezésre álló eszközeivel önálló beavatkozásra képes, létszáma 1+3 fő.
1.4.3. Csökkentett félraj: a tűzoltás és műszaki mentés szervezetének legkisebb olyan taktikai része, amely a rendelkezésre álló eszközeivel önálló beavatkozásra képes, létszáma 1+2 fő.
1.4.4. A rendelet 60. pontjában megengedett mértékig, a riasztási fokozatok alkalmazásánál a raj és a csökkentett raj két félrajjal, illetve két csökkentett félrajjal is helyettesíthető.
1.4.5. A raj, a csökkentett raj, a félraj és a csökkentett félraj irányítását a rajparancsnok végzi.
1.5. Kezelő: a különleges szer kezelésére, felszerelésre beosztott, képesítéssel rendelkező személy.
1.6. Szer: a tűzoltóság munkájához, tevékenységéhez rendszeresített olyan gépjármű, amely a rá málházott tárgyakkal, eszközökkel, kéziszerszámokkal és gépekkel együtt áll rendelkezésre.
1.7. Riasztható szer: a hivatásos önkormányzati tűzoltóságok készenlétben tartandó legkisebb gépjármű és technikai eszköz állományáról szóló külön jogszabály szerint készenlétben tartandó szerállományból az adott szolgálati napon tűzoltásra és műszaki mentésre igénybe vehető szer.
1.8. Napi szolgálati létszám: a tűzoltóságon készenléti jellegű beosztásban szolgálatot teljesítő állomány azon része, akik az adott szolgálati napon a riasztható szerekre és a híradó ügyeleti feladatkörbe beosztást kaptak.
1.9. Párhuzamosítás: a szolgálatszervezés azon módja, amikor a riasztható szerek meghatározott csoportjának igénybevétele a napi szolgálati létszámból úgy biztosított, hogy egy vagy több személy több szer kezelésére kap beosztást.
1.10. A hivatásos önkormányzati tűzoltóságoknál a „Szolgálati Naplóban” szereplő fogalmakat az alábbiak szerint kell értelmezni:
1.10.1. Rendszeresített létszám: a tűzoltóság hatályos szervezési állománytáblázatában meghatározott készenléti jellegű szolgálat ellátására tervezett állomány azon része, mely feladatait egyazon szolgálati csoportban látja el. A szolgálati csoportok létszámát az állományilletékes parancsnok úgy határozza meg, hogy a 24 órás váltásos szolgálatellátás módjából adódóan a szolgálati csoportokba beosztott létszám összege legalább azonos legyen a jogszabályban készenléti szolgálat ellátására meghatározott létszámmal.
1.10.2. Készenléti létszám: az adott szolgálati csoportban a rendszeresített létszámból ténylegesen meglévő létszám.
1.10.3. Szolgálati létszám: a napi szolgálati létszám és az engedéllyel (egyéb szolgálati feladattal összefüggő okból) szolgálatban lévő állomány együttes létszáma.
1.10.4. Vezényelt: azon személy, aki az adott szolgálati csoport készenléti létszámából – vezénylési parancs vagy a Szolgálati Naplóban rögzített napi parancs alapján – az állandó szolgálati helyén (különösen iskolán, laktanyán) kívül lát el szolgálati feladatot. Amennyiben a vezénylés egységen belül, de másik szolgálati csoportba történik, akkor azt a Szolgálati Napló szolgálat átadás-átvételnél a „szolgálatszervezésben bekövetkezett változások” rovatban kell rögzíteni.
1.10.5. Kiküldetésen lévők: azon személy, aki a szolgálati létszámból az állomáshelyen kívül lát el szolgálatot vagy azzal összefüggő tevékenységet.

A hivatásos önkormányzati tűzoltóságnál készenléti szolgálatot ellátók szolgálatszervezésének szabályai

2. A megfelelő képzettséggel rendelkező az 1.10.1. szerinti létszám biztosításáról a parancsnok köteles gondoskodni.

3. A „I–VII. kiemelt” szervezési kategóriába sorolt tűzoltóságoknál külön jogszabályban meghatározott napi szolgálati létszámot kell biztosítani.
3.1. A híradó ügyeleti feladatkör ellátása:
a) tűzoltóságonként, szolgálati naponként 1 fő kerülhet beosztásra,
b) a Fővárosi Tűzoltóparancsnokság vonatkozásában a hatályos szervezési állománytáblázatában meghatározott létszám.
3.2. A külön jogszabályban meghatározott kezelői létszámtól eltérni a 6. pontban foglalt esetben, a szerek párhuzamosításakor kell.
3.3. Szolgálatszervezés szervezési kategóriánkénti elvei:
a) III. szervezési kategóriába tartozó HÖT-ök esetén
1. Az erdőtüzes gépjármű kezelőjét, valamint két kezelőhelyes magasból mentő esetén a második kezelői létszámot, segítségnyújtásra történő önálló riasztás esetén az I. fecskendő terhére kell biztosítani;
2. A vízszállító létszáma önálló segítségnyújtásra történő riasztás esetén 1 fővel csökkenthető. Az 1 fő – parancsnoki döntés szerint – az erdőtüzes vagy a magasból mentő gépjárműre átcsoportosítható;
3. Az I. szer segítségnyújtásra történő vonulása esetén a vízszállító 2 fő létszáma – parancsnoki döntés alapján – a tartalék gépjárműfecskendőre átcsoportosítható;
b) IV. szervezési kategóriába tartozó HÖT-ök esetén
1. Az I. szer létszáma segítségnyújtásra történő riasztáskor 1 fővel csökkenthető. Az 1 fő – parancsnoki döntés szerint – a vízszállítóra, vagy a vízszállító 1 fős létszámával együtt a tartalék gépjárműfecskendőre átcsoportosítható;
2. A K teher vagy az erdőtüzes gépjármű kezelőjét, valamint két kezelőhelyes magasból mentő esetén a második kezelőt, segítségnyújtásra történő önálló riasztás esetén az I. fecskendő terhére kell biztosítani;
c) V. szervezési kategóriába tartozó HÖT-ök esetén
1. A K teher vagy az erdőtüzes gépjármű kezelőjét, valamint a műszaki mentőszer vagy a két kezelőhelyes magasból mentő esetén a második kezelőt, segítségnyújtásra történő önálló riasztás esetén a II. fecskendő terhére kell biztosítani. A szerek egyidejű segítségnyújtásra történő riasztása esetén a parancsnok intézkedjen az átcsoportosított létszám pótlásáról;
2. Az egyedi speciális konténerszállító jármű létszám nélkül tartható készenlétben, riasztása esetén a kezelői létszám biztosítására a parancsnok saját hatáskörben intézkedik;
d) VI. szervezési kategóriába tartozó HÖT-ök esetén a K teher vagy az erdőtüzes gépjármű kezelőjét, valamint a műszaki mentőszer vagy a két kezelőhelyes magasból mentő esetén a második kezelőt, segítségnyújtásra történő önálló riasztás esetén a III. fecskendő terhére kell biztosítani. A szerek egyidejű segítségnyújtásra történő riasztása esetén a parancsnok intézkedjen az átcsoportosított létszám pótlásáról;
e) VII. és VII. kiemelt szervezési kategóriába tartozó HÖT-ök esetén
1. A K teher vagy az erdőtüzes gépjármű kezelőjét, valamint a műszaki mentőszer vagy a két kezelőhelyes magasból mentő esetén a második kezelőt, segítségnyújtásra történő önálló riasztás esetén a III. fecskendő terhére kell biztosítani. A szerek egyidejű segítségnyújtásra történő riasztása esetén a parancsnok intézkedjen az átcsoportosított létszám pótlásáról;
2. Az egyedi por-hab konténerszállító jármű létszám nélkül tartható készenlétben, riasztása esetén a kezelői létszám biztosítására a parancsnok saját hatáskörben intézkedik.

4. Az első raj (az első gépjárműfecskendőre beosztottak létszáma) parancsnoka a szolgálatparancsnok. A második raj, félraj parancsnoka a szolgálatparancsnok-helyettes, a harmadik raj vagy félraj parancsnoka a szerparancsnok.

5. A szolgálatparancsnokot a szolgálatparancsnok-helyettes, a szolgálatparancsnok-helyettest a szerparancsnok, a szerparancsnokot a szolgálatparancsnok által megbízott „egyes” beosztást ellátó tűzoltó helyettesítheti.

6. A készenléti szerek közül párhuzamosítás az alábbi szereknél szükséges:
a) habbal oltó gépjármű,
b) porral oltó gépjármű,
c) egyedi por/hab gépjármű,
d) erdőtüzes gépjármű,
e) K. teher gépjármű.
6.1. A párhuzamosítást úgy kell végrehajtani, hogy a párhuzamba helyezett eszközök folyamatos riaszthatósága mindenkor biztosított legyen és az legfeljebb 3 eszközre terjedhet ki.
6.2. Párhuzamosításkor a különleges szerállomány riaszthatóságának biztosítása érdekében a megyei igazgatóság ügyeletére történő jelentéssel egyidejűleg – az egyes szer létszámának kivételével – lehetőség van a további készenlétben tartott szer(ek) létszámának terhére 1-1 fő átcsoportosítására.
6.3. Amennyiben a párhuzamosítás lehetősége nem áll fenn, a K tehert vagy az erdőtüzes gépjárművet létszám nélkül kell készenlétben tartani, riasztása esetén a kezelőt a 12. pontban meghatározottak szerint kell biztosítani.
6.4. A magasból mentő és a műszaki mentő szereket 1-1 fővel kell készenlétben tartani, üzemeltetésük más jogszabályban, vagy a gyártó által kiadott kezelői utasításban meghatározott kezelői létszámmal történik.
6.5. Két kezelőhelyes magasból mentő és a műszaki mentőszer segítségnyújtásra történő önálló risztása esetén csak két kezelővel vonultatható. A második kezelőt a szervezési kategóriánként meghatározott szer terhére kell biztosítani.
6.6. Azon tűzoltóságokon, ahol a gépjármű és technikai állománytábla szerint két magasból mentő áll készenlétben az elsődleges a két kezelőhelyes magasból mentő, melyet két fővel kell készenlétben tartani. A másodlagos magasból mentőt egy fővel kell készenlétben tartani. Abban az esetben, ha az is két kezelőhelyes, segítségnyújtásra történő önálló riasztás esetén a szervezési kategóriánként meghatározott szer terhére második kezelőt kell biztosítani.
6.7. A Regionális Műszaki Mentő Bázisokon a két konténerszállító gépjárműt három fő kezelővel kell készenlétben tartani, egyidejű riasztásuk esetén – parancsnoki döntés szerint – a kezelői létszám átcsoportosítható.

7. A riasztható szer szolgálati napon történő végleges lemondása esetén, amennyiben annak pótlására nincs lehetőség és a napi szolgálat időtartamából több, mint 12 óra van hátra, az arra beosztott állomány részére – a hátralévő időre – szabadidőt lehet biztosítani. Abban az esetben, ha előző szolgálati napon ismert, hogy a szer riaszthatósága nem biztosított az érintett állomány részére az adott szolgálati napra szabadidőt kell kiadni. Az így kiadott szabadidők a jogszabályban meghatározott szolgálatteljesítési időbe nem számíthatók be.

8. Az egységeken az első gépjárműfecskendő lehetőleg a műszakilag legjobb állapotú, tűzoltás taktikailag legjobb felépítésű és teljes raj szállítására alkalmas gépjárműfecskendő legyen. A többi gépjárműfecskendő számozása a helyi körülmények – különösen oltóanyag-szükséglet, terepadottságok – figyelembevételével történjen.

9. A 3., 6., 7., 8. pontokban foglaltaktól eltérni a szakmai felügyeletet gyakorló megyei igazgatóság igazgatójának, a Fővárosi Tűzoltó-parancsnokság vonatkozásában a főigazgatónak az írásos (halasztást nem tűrő esetekben előzetes szóbeli) engedélyével, illetve a Riasztási és Segítségnyújtási Tervről, a hivatásos önkormányzati és az önkéntes tűzoltóságok működési területéről, valamint a tűzoltóságok vonulásaival kapcsolatos költségek megtérítéséről szóló 57/2005. (XI. 30.) BM rendelet 2. számú mellékletének 18. pontjában meghatározott módon a hosszabb ideig (4 órát meghaladó) tartó igénybevétel esetén lehet.

5. számú függelék
a Szabályzathoz


A tűzoltóságok hosszan tartó igénybevétele esetén alkalmazandó szabályokról

1. A katasztrófaveszély elhárításában a tűzoltóságok és az alapszabályukban tűzoltási és műszaki mentési feladatok ellátását is vállaló önkéntes tűzoltó egyesületek az 1996. évi XXXI. törvény (a továbbiakban: Tvt.) és végrehajtási rendeletei, valamint az 1999. évi LXXIV. törvény (a továbbiakban: Ktv.) és végrehajtási rendeletei előírásai szerint vesznek részt.

2. A hosszan tartó igénybevételt igénylő feladatok (ár- és belvízvédekezés, rendkívüli időjárási helyzet, földrengés stb.) végrehajtására csak a szükséges mértékű tűzoltó erő és eszközállomány alkalmazható.

3. A tűzoltók a veszélyhelyzetekben történő feladatvégzés során csak a szakterületüknek és képesítésüknek megfelelő szakfeladatokkal bízhatók meg.

4.20 A hivatásos és önkéntes tűzoltóságok készítsenek nyilvántartást az alapfeladatok ellátásán túli feladatok ellátására különböző szolgálati időrendszerek (24/48, 24/24 stb.) alkalmazása mellett igénybe vehető tűzoltói létszámról és eszközállományról. Az elkészített nyilvántartást tartsák naprakészen és kérelem esetén a megyei igazgatóságok (a Fővárosi Tűzoltó-parancsnokság az OKF-nek) részére küldjék meg.

5. A tűzoltóság a védekezés során felmerült költségekről készítsen – az erre a célra felfektetett, nyilvántartási számmal ellátott, hitelesített, a parancsnok által jóváhagyott napi, majd az igénybevétel végén összesítő – kimutatást.

6. A tűzoltóság az útba indítandó egységet – a megyei igazgatóság által közölt információk alapján – készítse fel a várható feladatokra.

7. A megyei igazgatóság és a tűzoltóság biztosítson a tűzoltók számára a várható feladatok ellátáshoz szükséges műszaki-technikai eszközöket, védőfelszereléseket, az igénybevételnek megfelelő munka-, illetve védőruhát. A tűzoltó bevetési védőöltözet a munkálatok során csak veszélyhelyzetben, az elhárítást irányító parancsnok engedélyével használható.

8. A tűzoltóparancsnok lássa el a tűzoltókat minimum 2 napi hidegélelemmel, valamint – a parancsnok által meghatározott mértékben – a váratlanul felmerülő költségek fedezésére – utólagos elszámolású költségkerettel.

9. A segítségnyújtásra riasztott egység parancsnoka lehetőleg a helyszínre érkezést megelőzően köteles a regisztráció és feladatszabás céljából az induláskor meghatározott telefonszámon – illetve a Rádióforgalmi Szabályzat előírásai szerint – rádiócsatornán bejelentkezni.

10.21 A megyei igazgatóságon ki kell jelölni egy a katasztrófaveszély elhárításában közvetlenül részt nem vevő és intézkedésre jogosult munkatársat, aki a segítségnyújtásra küldött egységek tevékenységét a riasztástól a helyszínre érkezésig koordinálja, a váltásukat a védelmi bizottság, valamint az OKF kijelölt tagjával egyeztetve megszervezi, az adatokat nyilvántartja.

11. A megyei igazgatóság – egyeztetve az érintett tűzoltóság parancsnokával – az indulásra tervezett egységet úgy készítse fel, hogy az esemény helyszínére a lehető legrövidebb időn belül megérkezzenek.

12. A fogadó megyei igazgatóság készüljön fel a segítségnyújtásra érkezők elhelyezésére, ellátására.

13. Gondoskodni kell az érkező egységek elszállásolásáról, a munkafeltételek biztosításáról, legkésőbb két napon belül élelmezésük megszervezéséről.

14. A tűzoltóság hosszan tartó igénybevétele esetén alkalmazandó részletszabályokat a főigazgató határozza meg.

6. számú függelék a Szabályzathoz22

1

A rendeletet a 39/2011. (XI. 15.) BM rendelet 59. § (2) bekezdése hatályon kívül helyezte 2012. január 1. napjával.

2

A 2. § (4) bekezdése a 31/2007. (X. 25.) ÖTM rendelet 5. § (2) bekezdésének a) és b) pontja szerint módosított szöveg.

3

A 3. § (2) bekezdése a 31/2007. (X. 25.) ÖTM rendelet 5. § (2) bekezdésének g) pontja szerint módosított szöveg.

4

A 3. § (3) bekezdése a 31/2007. (X. 25.) ÖTM rendelet 5. § (2) bekezdésének b) pontja szerint módosított szöveg.

6

Az 5. § (1) bekezdésének a) pontja a 31/2007. (X. 25.) ÖTM rendelet 5. § (2) bekezdésének c) pontja szerint módosított szöveg.

7

Az 5. § (1) bekezdésének f) pontja a 31/2007. (X. 25.) ÖTM rendelet 5. § (2) bekezdésének d) pontja szerint módosított szöveg.

9

A 11. § (2) bekezdését a 118/2008. (V. 8.) Korm. rendelet 3. § 113. pontja hatályon kívül helyezte.

10

A melléklet 12.5 pontja a 31/2007. (X. 25.) ÖTM rendelet 5. § (2) bekezdésének g) pontja szerint módosított szöveg.

11

A melléklet 20.1 pontja a 31/2007. (X. 25.) ÖTM rendelet 5. § (2) bekezdésének e) pontja szerint módosított szöveg.

12

A melléklet 20.2 pontja a 31/2007. (X. 25.) ÖTM rendelet 5. § (2) bekezdésének e) pontja szerint módosított szöveg.

13

A melléklet 49. pontja a 31/2007. (X. 25.) ÖTM rendelet 5. § (2) bekezdésének h) pontja szerint módosított szöveg.

14

A melléklet Harmadik Részét a 19/2007. (VIII. 29.) ÖTM rendelet 9. §-a iktatta be.

15

A melléklet 2. függelékének 12.7 pontja a 31/2007. (X. 25.) ÖTM rendelet 5. § (2) bekezdésének h) pontja szerint módosított szöveg.

16

A melléklet 2. függelékének 12.9 pontja a 31/2007. (X. 25.) ÖTM rendelet 5. § (2) bekezdésének h) pontja szerint módosított szöveg.

17

A 3. számú függelék 6. pontja a 17/2008. (XII. 31.) ÖM rendelet 1. §-ának 3. pontja szerint módosított szöveg.

18

A melléklet 3. függelékének 8.3 pontja a 31/2007. (X. 25.) ÖTM rendelet 5. § (2) bekezdésének g) pontja szerint módosított szöveg.

20

A melléklet 5. függelékének 4. pontja a 31/2007. (X. 25.) ÖTM rendelet 5. § (2) bekezdésének f) pontja szerint módosított szöveg.

21

A melléklet 5. függelékének 10. pontja a 31/2007. (X. 25.) ÖTM rendelet 5. § (2) bekezdésének g) pontja szerint módosított szöveg.

22

A 6. számú függeléket a 31/2007. (X. 25.) ÖTM rendelet 1. §-a iktatta be, hatályon kívül helyezte a 11/2008. (XI. 26.) ÖM rendelet 7. § (4) bekezdése.

  • Másolás a vágólapra
  • Nyomtatás
  • Hatályos
  • Már nem hatályos
  • Még nem hatályos
  • Módosulni fog
  • Időállapotok
  • Adott napon hatályos
  • Közlönyállapot
  • Indokolás
Jelmagyarázat Lap tetejére